How would you use jumper wire to crank over starter?

Tiny
KIKS13
  • MEMBER
  • 2004 FORD EXPLORER
  • 167,000 MILES
No crank no start.
Thursday, April 7th, 2022 AT 1:28 PM

15 Replies

Tiny
JACOBANDNICKOLAS
  • MECHANIC
  • 110,194 POSTS
Hi,

I am basing this on a 4wd 4.0L engine.

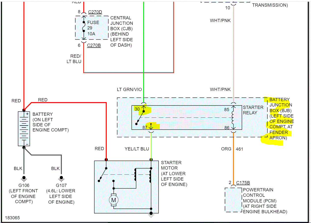
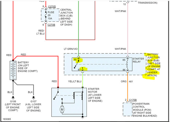
In the fuse box under the hood, you will find the starter relay. If you remove that relay and look on the rear of it, you will see 4 numbers, 30, 85, 86, and 87. Pay attention to the orientation of those numbers to where they will plug back into the fuse/relay box.

If you want to jumper the starter, you will need to jump where pins 30 and 87 plug into the box.

If you look below, I attached the wiring schematic for the starting system circuit. I'm not sure what is happening, but if you let me know, I can help direct you to repair the issue.

Note, if fuse 12 has failed in the battery junction box, the starter will not work even when jumping the relay. So, check that as well. Also, in addition to confirming the fuse is good, also make sure there is power to and from it.

The last pic below shows the relay location and the fuse I mentioned.

Let me know what you find or if you have other questions.

Take care,

Joe

See pics below.
Was this
answer
helpful?
Yes
No
+1
Thursday, April 7th, 2022 AT 7:20 PM
Tiny
KIKS13
  • MEMBER
  • 10 POSTS
Thanks for the info.
Was this
answer
helpful?
Yes
No
Thursday, April 7th, 2022 AT 10:59 PM
Tiny
JACOBANDNICKOLAS
  • MECHANIC
  • 110,194 POSTS
Hi,

You are very welcome. Did it work for you? Is there anything other I can do to help?

Let me know.

Joe
Was this
answer
helpful?
Yes
No
+1
Friday, April 8th, 2022 AT 5:41 PM
Tiny
KIKS13
  • MEMBER
  • 10 POSTS
Hello again, I was able to crank it over by jumping it. I even went and bought a remote starter switch. A friend swore up and down that the car would start if I turned the key. I knew it wouldn't because the security light was flashing. The problem started when I was driving, I noticed that the battery level was dropping so I towed the car home. New battery, new alternator. That's when the problem started. I know that low voltage from battery will cause problems.
Was this
answer
helpful?
Yes
No
Monday, May 9th, 2022 AT 6:58 PM
Tiny
JACOBANDNICKOLAS
  • MECHANIC
  • 110,194 POSTS
Hi,

Is it working correctly now? I'm not sure if that is what you mean. Did the problem start when the battery/alt were getting low or after the replacement of the alternator and battery?

Let me know.

Joe
Was this
answer
helpful?
Yes
No
Monday, May 9th, 2022 AT 7:52 PM
Tiny
KIKS13
  • MEMBER
  • 10 POSTS
It started after the battery and alternator were replaced.
Was this
answer
helpful?
Yes
No
Monday, May 9th, 2022 AT 8:19 PM
Tiny
JACOBANDNICKOLAS
  • MECHANIC
  • 110,194 POSTS
Hi,

Okay. Thank you for the update. I'm glad to hear it's working now.

Please feel free to come back anytime in the future if you have questions. You are always welcome here.

Take care,

Joe
Was this
answer
helpful?
Yes
No
Tuesday, May 10th, 2022 AT 6:48 PM
Tiny
KIKS13
  • MEMBER
  • 10 POSTS
It's still not working. I turn the key and it doesn't crank over. All the lights on the cluster turn on, the gauges turn on, the radio turns on, the headlights turn on, but it doesn't crank over. The light on the dash blinks fast when I turn the key. I think it has to do with the Pats system. I really could use some advice.
Was this
answer
helpful?
Yes
No
Tuesday, May 10th, 2022 AT 7:06 PM
Tiny
JACOBANDNICKOLAS
  • MECHANIC
  • 110,194 POSTS
If it is the PATS, it should crank but not start. Did you try a different key? Was any work done around the transceiver? It's under the steering wheel covers. See pic 1.

As far as the system is concerned, what we need to do is get a scanner that can read the can-bus. CAN starts for the controller area network. Basically, the computers/modules are tied together via a few wires. This will retrieve codes regardless of the module storing them and should indicate where the problem is located.

Here is a link showing how it's done:

https://www.2carpros.com/articles/can-scan-controller-area-network-easy

Let me know if that is something you can have done.

Take care,

Joe

See pic below.
Was this
answer
helpful?
Yes
No
Tuesday, May 10th, 2022 AT 7:32 PM
Tiny
KIKS13
  • MEMBER
  • 10 POSTS
It won't crank over at all. I turn the key to start it, the cluster lights up, the security light is blinking but no crank.
Was this
answer
helpful?
Yes
No
Tuesday, May 10th, 2022 AT 7:37 PM
Tiny
JACOBANDNICKOLAS
  • MECHANIC
  • 110,194 POSTS
Are you able to have the can-bus scanned? All the relearn procedures for the PATS require special Ford software. Also, when you say it won't crank, you are referring to the starter failing to engage, correct?

Let me know.

Joe
Was this
answer
helpful?
Yes
No
Wednesday, May 11th, 2022 AT 7:15 PM
Tiny
KIKS13
  • MEMBER
  • 10 POSTS
I scanned and it pulled a B1601 code. Would I have to get new keys and program them? My keys have an S stamped on them. That would mean that it is a 40bit?
Was this
answer
helpful?
Yes
No
Friday, June 17th, 2022 AT 11:04 PM
Tiny
JACOBANDNICKOLAS
  • MECHANIC
  • 110,194 POSTS
Hi,

The PATS system doesn't recognize the key. Do you have a spare key to try?

I looked up the code and attached the diagnostics below. You can do this with the same scan tool that was used to retrieve the code.

Let me know what you find.

Take care,

Joe

See pics below.
Was this
answer
helpful?
Yes
No
+1
Saturday, June 18th, 2022 AT 10:29 PM
Tiny
KIKS13
  • MEMBER
  • 10 POSTS
I have another question. As for the original keys, they have a S on them and I believe they are an H92. Would they be a 40bit or an 80bit from what I read, the 80bit is backwards compatible with a 40bit. I don't want to get the wrong type of keys.
Was this
answer
helpful?
Yes
No
Sunday, June 19th, 2022 AT 10:04 AM
Tiny
JACOBANDNICKOLAS
  • MECHANIC
  • 110,194 POSTS
Hi,

I did a little research and found the same info. The 80bit should work for both.

Let me know how you make out.

Take care,

Joe
Was this
answer
helpful?
Yes
No
Sunday, June 19th, 2022 AT 7:42 PM

Please login or register to post a reply.