Sunday, April 28th, 2019 AT 12:03 PM
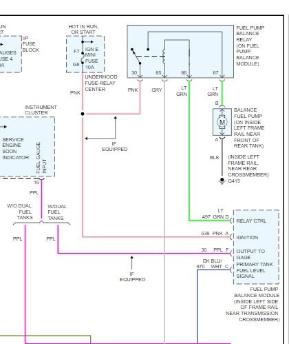
Didn't bring my reading glasses when I brought this SUV so I didn't think about checking the mileage. It started up then I drove it around the block paid the man lol. For about three weeks everything was just fine on short trips like 15 miles out and 15 miles back. Just checking for hidden bugs. Lol. Well I decided to drive over to the next town some 45 miles away. Checking out a new refrigerator. No trouble getting there but on the way back the engine just stopped for a few seconds I could feel it trying to restart then it did lucky for me I managed to get back home. After seeing the super high mileage I felt a little stupid for buying it but I need another car to chase parts with. I tore the whole front apart and replaced the timing chain, new crankshaft sensor, new water pump, moving to the top of the 350 vortex. I replaced the ignition coil and the ignition module. Then the distributor rotor and the cap plus new spark plugs they were so old that there was no readable numbers on them. TIPS were a bit brown but none showing burning of oil so replaced them with projected nose types. Should keep the plugs cleaner. Okay, so there the picture hmm and the battery cables showed sign of heavy corrosion with the most on the one going over to the fuel box sitting on top of the drivers fender well. Well it shut off going only a mile up hill to the gas station only took a few seconds playing with the darn ignition switch. It likes to hang up unless you pull outwards on the tumbler while turning key it would slip all the way in may be the ignition contacts are worn out and causing the engine to shutoff or maybe there is a hidden fuse that heats up In the fuel pump relay circuit causing it. Oh just wondering were are all those fused safety wires at on my Ford all are at the starter relay on the fender. Don't know about Chevrolet. And I'm thinking that 290,000 miles are a lot for a fuel pump. Like the timing chain I ought to change it also. But what about the safety fuel shutoff switch does Chevrolet use one like Ford?


