How to replace A/C blower motor resistor?

Tiny
CDEROCHE
  • MEMBER
  • 2016 GMC YUKON
  • 5.3L
  • V8
  • 2WD
  • AUTOMATIC
  • 80,000 MILES
I have the vehicle listed above SLE. I need to replace the /AC blower motor resistor, I only found videos applicable to older model GMC and Chevy vehicles, but in those videos the resistor is located easily right after removing the bottom cover. In the 2016 model I can't locate it, it's not apparent at least where it's located and can't find any online video to show its location. Not wanting to remove more than I already did, I'm still seeking advice on how to locate and replace this part.

The reason I'm replacing it is the blower sometimes runs when the engine is off, and advice online recommends replacing the resistor.
Monday, February 28th, 2022 AT 1:23 AM

6 Replies

Tiny
ASEMASTER6371
  • MECHANIC
  • 52,796 POSTS
Good morning,

I attached a picture of the blower module for you. It is under the dash and easy to access. It is part of the blower motor that get replaced together.

Check out the images (Below). Please let us know what happens.
Was this
answer
helpful?
Yes
No
Monday, February 28th, 2022 AT 3:56 AM
Tiny
CDEROCHE
  • MEMBER
  • 3 POSTS
I should have been more specific, it's the main blower's resistor in the front under the front passenger side dashboard. The illustration looks like it could be the one for the rear system.
Was this
answer
helpful?
Yes
No
Monday, February 28th, 2022 AT 11:22 AM
Tiny
KASEKENNY
  • MECHANIC
  • 18,907 POSTS
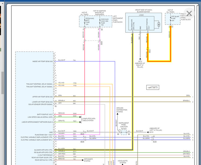
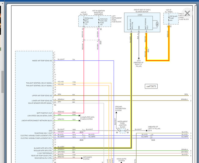
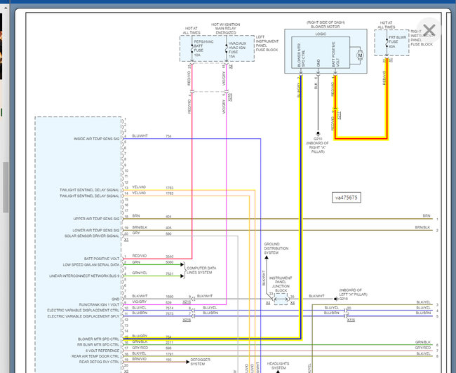
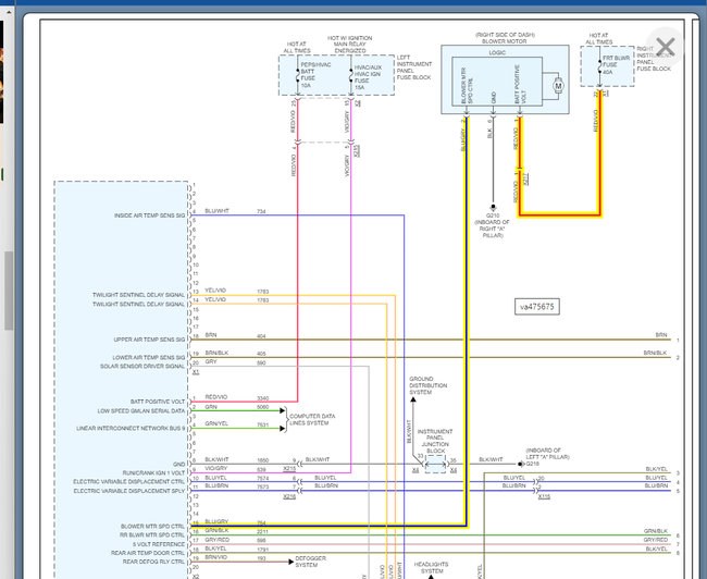
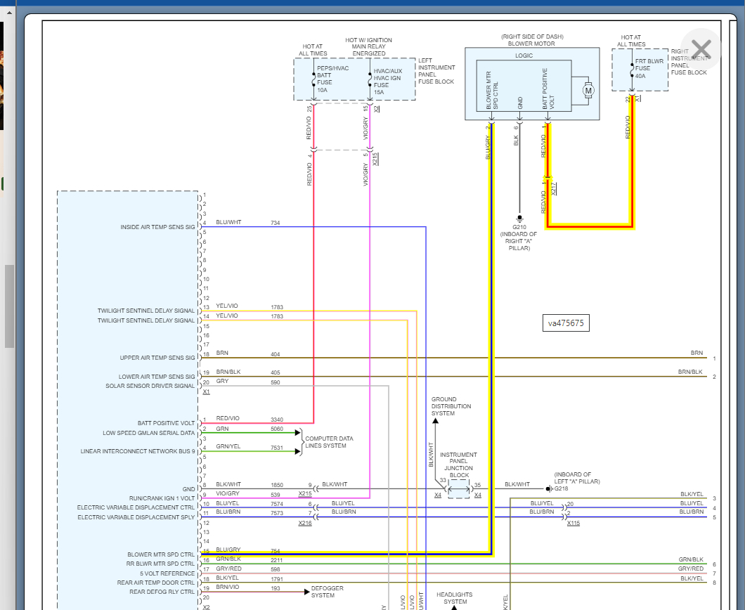
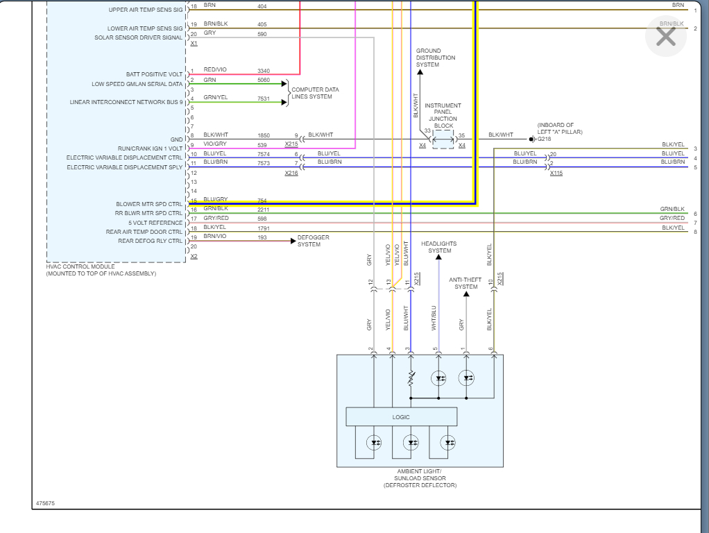
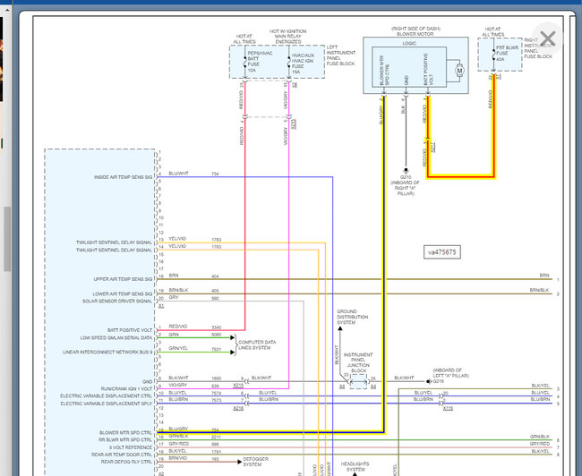
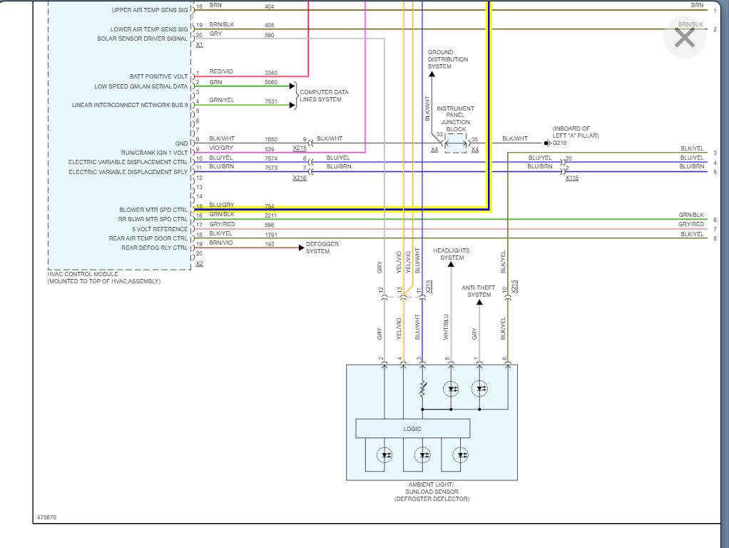
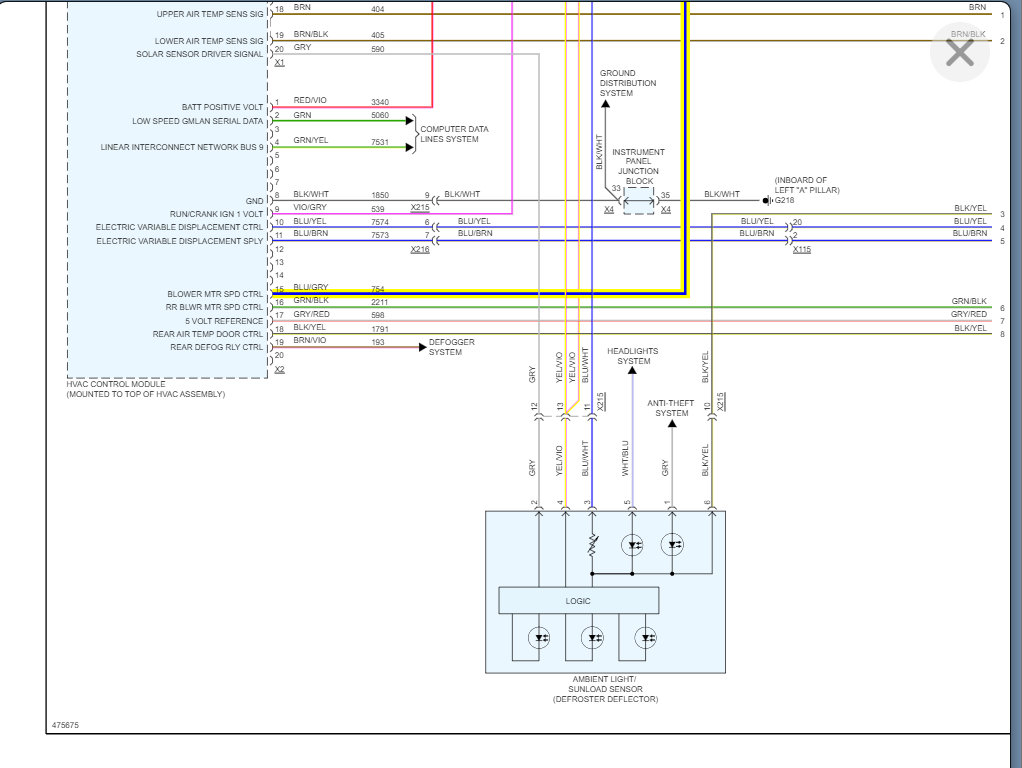
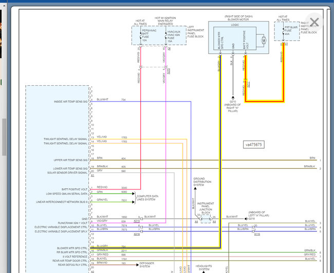
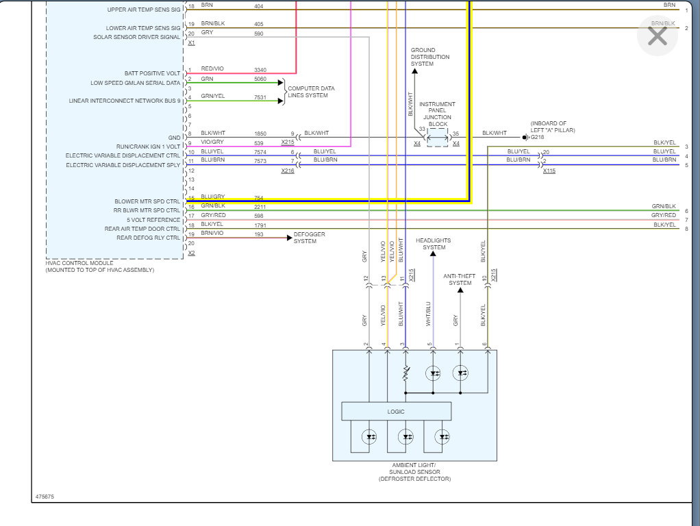
Just to jump in, this vehicle doesn't have a resistor like the older vehicles. It has an internal circuit board as part of the blower motor that contains the resistor.

So, it is powered off a 40-amp fuse and then controlled by the HVAC controller, but the fan speed is knocked down by the logic in the blower motor circuit board.

I attached the info below on this including the wiring diagram but here is a guide that will help as well:

https://www.2carpros.com/articles/blower-fan-motor-works-on-high-speed-only

Please see below and let me know what questions you have. Thanks
Was this
answer
helpful?
Yes
No
Monday, February 28th, 2022 AT 11:30 AM
Tiny
ASEMASTER6371
  • MECHANIC
  • 52,796 POSTS
That is the one for the front that is in the illustration I sent you.

They call them modules now instead of resistors.

Roy
Was this
answer
helpful?
Yes
No
Monday, February 28th, 2022 AT 11:41 AM
Tiny
CDEROCHE
  • MEMBER
  • 3 POSTS
My part looks like this. I wonder if I have the correct part.
When I have time again to look at it, I will try and pull the blower motor and see if it's attached to it like in the guide. I'll post here what I find.
Was this
answer
helpful?
Yes
No
Monday, February 28th, 2022 AT 12:04 PM
Tiny
ASEMASTER6371
  • MECHANIC
  • 52,796 POSTS
We will be here for you.

Roy
Was this
answer
helpful?
Yes
No
Monday, February 28th, 2022 AT 5:32 PM

Please login or register to post a reply.