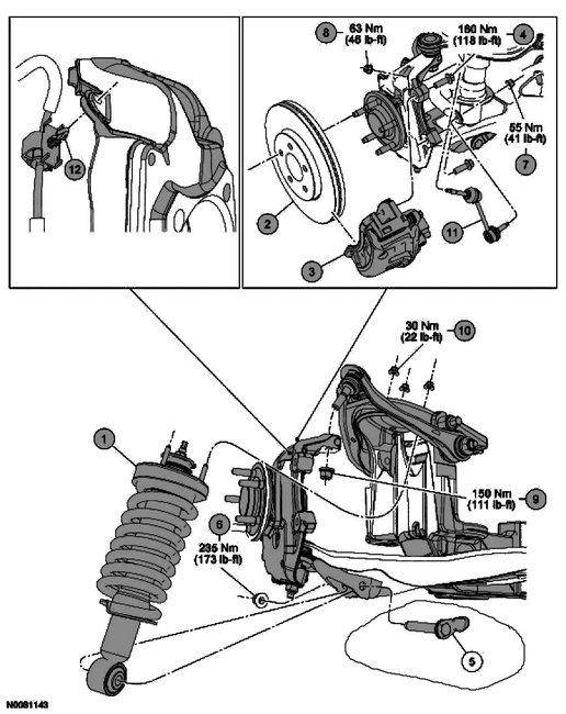
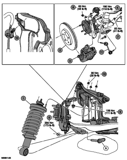
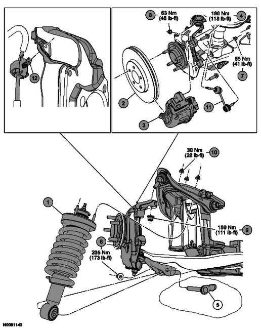
The problem is the bottom of the strut one side has a bolt that is easy to remove but the other side looks like it is welded on with a very shallow nut that is impossible to get a wrench on. what is the trick? Do I heat it up and hammer it out?
Dec 12, 2017 at 2:34 PM
