HOME
ASK A QUESTION
REPAIR GUIDES
BECOME A MEMBER
LOG IN
Login with Facebook
OR
Remember me
NOT A MEMBER?
FORGOT PASSWORD?
CONTACT US
PRIVACY POLICY
TERMS AND CONDITIONS
☰
Home
Cadillac
Deville
Climate Control
Blower Fan
Replace/Remove
How to remove blower motor
LIZARDS
MEMBER
2002 CADILLAC DEVILLE
103,000 MILES
Can not drop blower motor. Rubber mat in the way. Can I cut the mat?
Saturday, August 5th, 2017 AT 10:04 AM
1 Reply
KEN L
MASTER CERTIFIED MECHANIC
54,364 POSTS
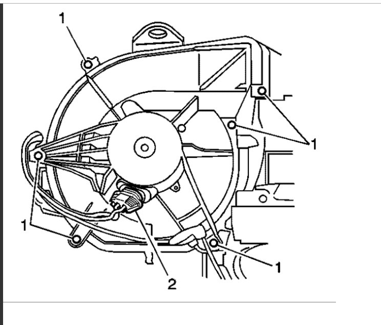
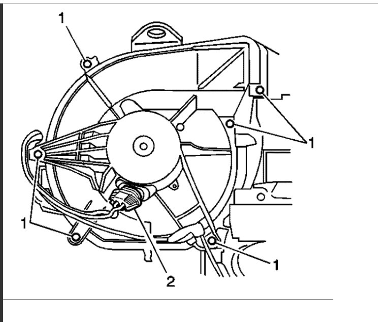
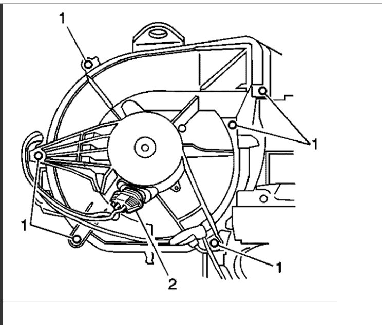
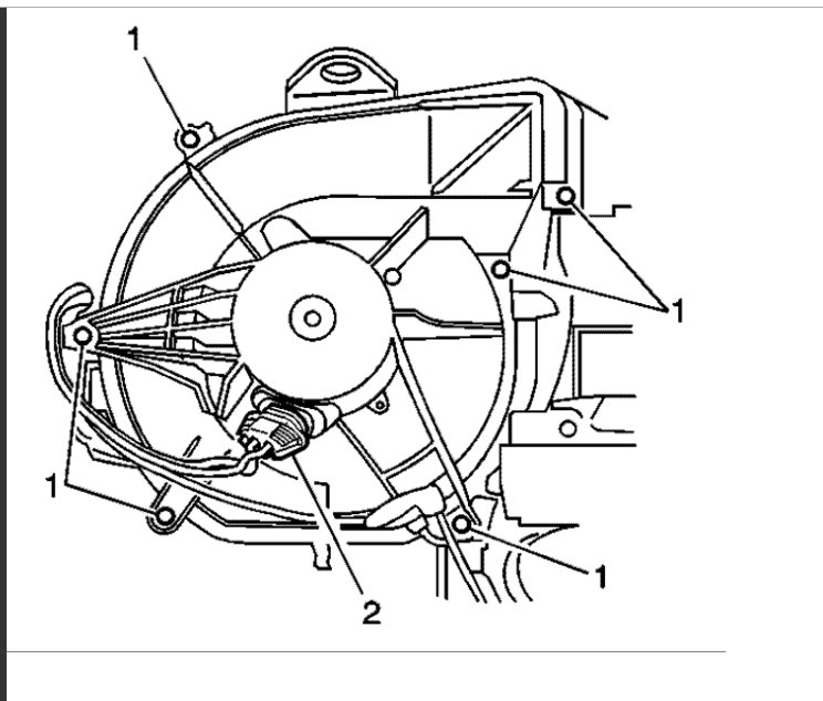
Hello,
Yes, the sound mat can be tough. I have seen it both ways cut the mat or remove the insulation.
Here is a guide and some diagrams that will help you get the job done:
https://www.2carpros.com/articles/blower-fan-motor-works-on-high-speed-only
Please let us know what happens.
Cheers, Ken
Images (Click to make bigger)
Was this
answer
helpful?
Yes
No
Monday, August 7th, 2017 AT 11:40 AM
Please
login
or
register
to post a reply.
Related Blower Fan Replace/Remove Content
Blower Motor Replacement
Heater Problem I Am In The Middle Of Replacing A Blower Motor On A 2002 Cadillac Deville It Is A 1st Design. I Have The Old One Out...
Asked by
ladymcdowell
·
28 ANSWERS
2002
CADILLAC DEVILLE
VIDEO
How to Replace the A/C Blower Motor
Instructional repair video
Removal And Installation
How Does A Motor Blower On A 2005 Cadillac Deville Get Removed?
Asked by
tools79
·
1 ANSWER
3 IMAGES
2005
CADILLAC DEVILLE
1989 Cadillac Deville Heater Fan Replacement
Heater Problem 1989 Cadillac Deville V8 Front Wheel Drive Automatic How Do I Get The Heater Fan Out To Change It, It Is Hitting The...
Asked by
Joe Hakel
·
1 ANSWER
1989
CADILLAC DEVILLE
Blower Just Runs On Its Own Even When The Key Is Out?
Should I Be Looking For A New Blower Motor Or Does This Sound Like A Short Of Some Kind When Blower Just Runs On Its Own Even When The Key...
Asked by
mkee19
·
4 ANSWERS
1999
CADILLAC DEVILLE
2003 Cadillac Deville Auxillary Blower Motor Resister
Within The Last Couple Of Weeks Our A/c Blower Has Been Cutting Out On Us. The A/c Is Working But The Blower Is Not Blowing. We Will Go...
Asked by
moonmyyst
·
3 ANSWERS
2003
CADILLAC DEVILLE
VIEW MORE
Ask a Car Question. It's Free!
How to Use a Test Light
Air Conditioner - Add Refrigerant
Air Conditioner Compressor Replacement