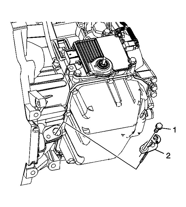
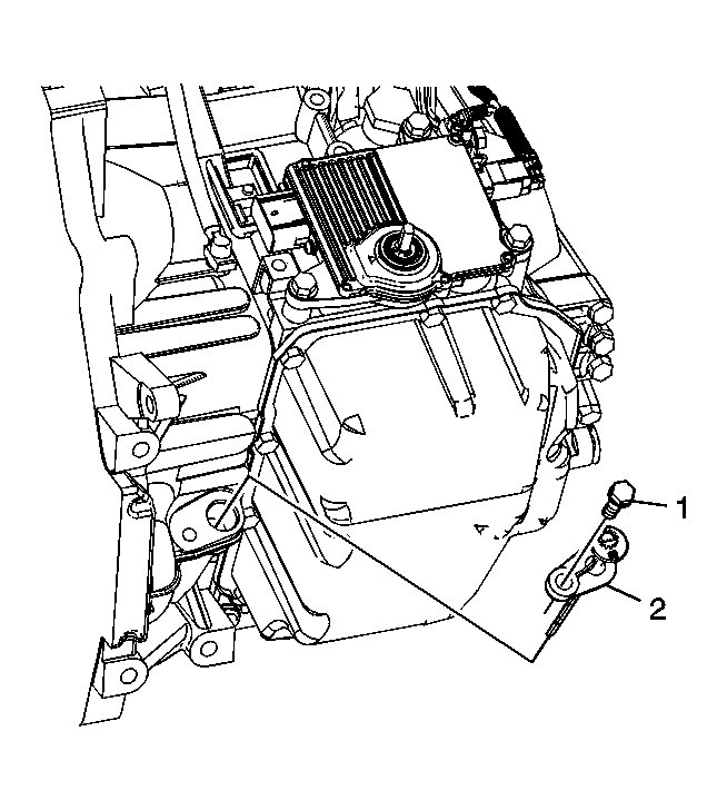
Transmission refill location

Tiny
CHERIS D
  • MEMBER
  • 2009 CHEVROLET CAPTIVA
  • 3.2L
  • 6 CYL
  • 4WD
  • AUTOMATIC
  • 100,000 MILES
How to refill transmission fluid?
Tuesday, September 4th, 2018 AT 11:40 PM

1 Reply

Tiny
STEVE W.
  • MECHANIC
  • 15,691 POSTS
That vehicle should have an Aisin AF33 transmission in it. They are tagged as a sealed unit filled for life. However many have a bolt on dipstick that you can use to check the level and add fluid.
Drive the vehicle until the transmission is up to temperature. Then place it in park on level ground. Hold the brake and shift through all of the gear ranges and back to park. With the engine idling you remove the bolt that holds the stick into the transmission. The stick has two sets of notches the upper set is used with the transmission at operating temperature. Fluid lever should be between the two upper notches.

Be sure to use the correct fluid (JWS 3309 standard - Aisin AF23/33-5 type T-IV P/N 889009250) or you can easily destroy that transmission.
Was this
answer
helpful?
Yes
No
Thursday, September 6th, 2018 AT 8:37 AM

Please login or register to post a reply.