How to program a replacement driver door module?

2003 LINCOLN TOWN CAR
78,000 MILES • 4.6L • V8 • 2WD • AUTOMATIC
Avatar
CFRUSH1
  • MEMBER
  • 73 POSTS
My door locks and keyless keypad won't lock or unlock doors. If I get a new DDM will I need to program it and how is it done?
Nov 3, 2020 at 12:32 PM
Repair Safety Notice: This information is for general instructional purposes only. Vehicle repair can be dangerous. Verify all information, follow manufacturer service procedures, use proper tools and safety equipment, and consult a qualified repair shop when needed.
Advertisement
Avatar
DANNY L
  • CAR REPAIR CONTRIBUTOR
  • 5,648 POSTS
Hello, I'm Danny.

No, the new module will not need to be programmed. Simply plug and play. The module is located in the top front of driver door. If you have key fobs those will probably need to be reprogrammed. Here is the tutorial for reprogramming the key fobs:

https://www.2carpros.com/articles/how-to-re-program-a-key-remote-fob

Hope this helps and thanks for using 2CarPros.
Nov 3, 2020 at 1:53 PM
Advertisement
Avatar
CFRUSH1
  • MEMBER
  • 73 POSTS
Part # 3W1t-13C791-AJ. I have found similar parts but not the exact same part number. Will other part number's work and where is the best place to find one?
Thank you
Nov 4, 2020 at 2:37 PM
Avatar
DANNY L
  • CAR REPAIR CONTRIBUTOR
  • 5,648 POSTS
Hello again.

Have you taken the door panel off to verify the part number on the module? Here is a tutorial showing how to do so:

https://www.2carpros.com/articles/door-panel-removal

I've attached picture steps below for your car how to remove the panel. The part number for the module looks real close and only off by 1 letter which is 3W1T-13C791-AH. I've attached a picture of that below as well. Keep us updated. Hope this helps and thanks again for using 2CarPros.

Danny-
Nov 4, 2020 at 3:59 PM
Avatar
CFRUSH1
  • MEMBER
  • 73 POSTS
Hello Danny,

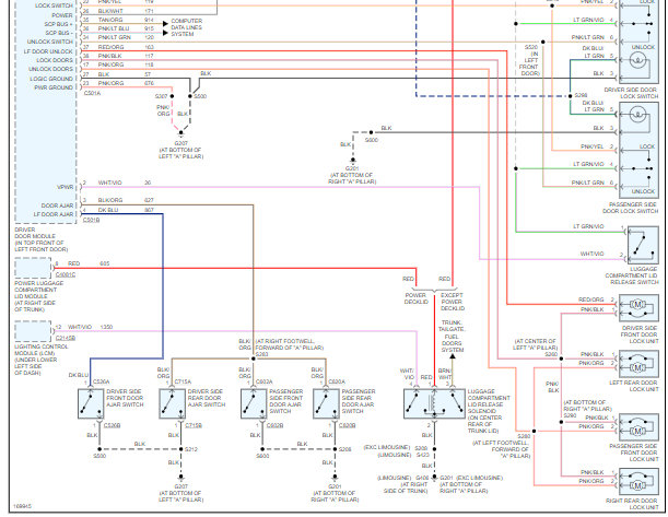
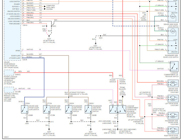
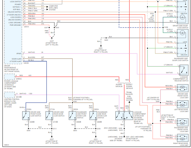
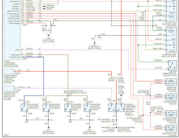
I have just used Forscan to check for DTC's there are no errors so before I buy a replacement it appears there is an open circuit going to the locks. Sometime they all function properly then the circuit quits again. Do you have the wiring diagram that controls the circuit? Or any other suggestions for troubleshooting would be helpful.

Thanks,
Charlie
Nov 5, 2020 at 11:01 AM
Avatar
DANNY L
  • CAR REPAIR CONTRIBUTOR
  • 5,648 POSTS
Hello again.

Okay, here is the wiring diagram you requested. I've cut it in half so you can view larger so it overlaps. Keep us updated as to what you find and we'll go from there. Hope this helps and thanks again for using 2CarPros.

Danny-
Nov 6, 2020 at 2:36 PM