How to get grease out the gas tank

Tiny
CARLA THOMAS-HARPER
  • MEMBER
  • 2009 GMC YUKON
  • 98,990 MILES
Someone put used cooking grease in my gas tank what can I do?
Thursday, October 18th, 2018 AT 11:19 AM

1 Reply

Tiny
KEN L
  • MASTER CERTIFIED MECHANIC
  • 55,488 POSTS
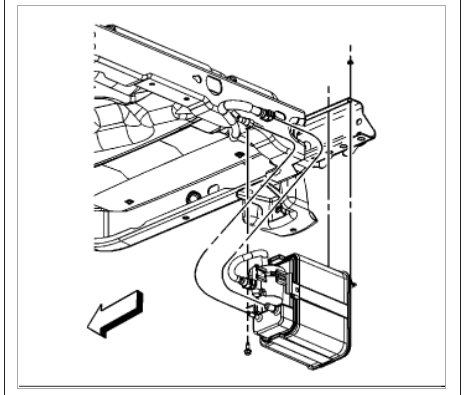
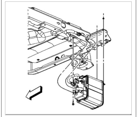
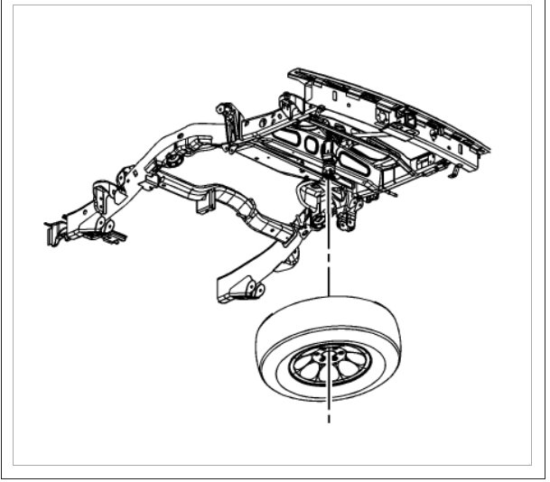
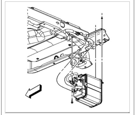
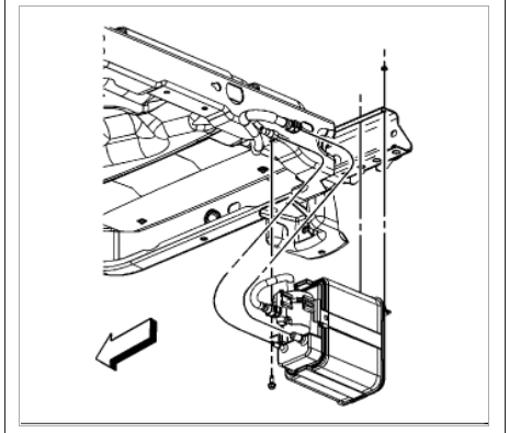
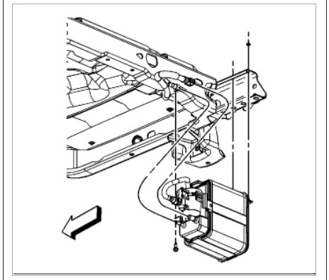
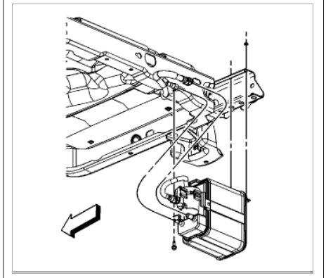
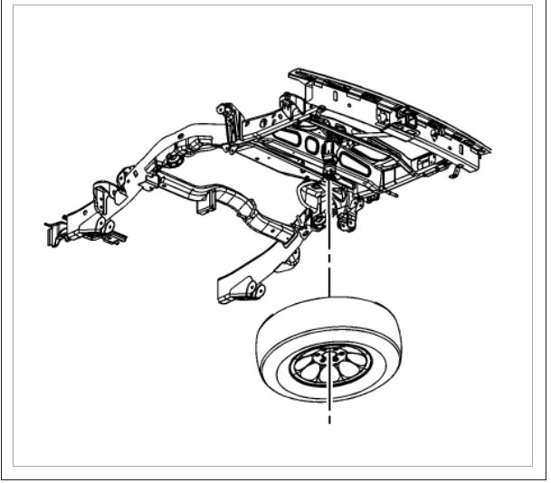
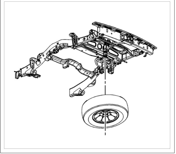
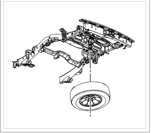
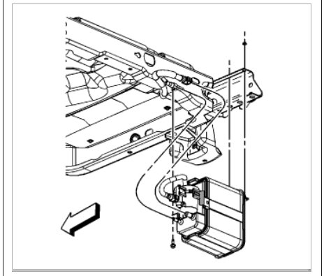
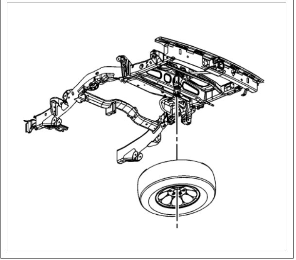
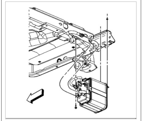
Not to nice for sure, you will need to remove the gas tank and have it cleaned or I would just replace it with a used unit. This is because the fuel pump is ruined as well. Here is a guide to show you what you are in for when doing the job step by step and diagrams below to show you how to remove the gas tank:

https://www.2carpros.com/articles/how-to-replace-an-electric-fuel-pump

Check out the diagrams (below). Please let us know what happens.

Cheers, Ken
Was this
answer
helpful?
Yes
No
Friday, October 19th, 2018 AT 1:05 PM

Please login or register to post a reply.