Monday, October 14th, 2019 AT 3:04 PM
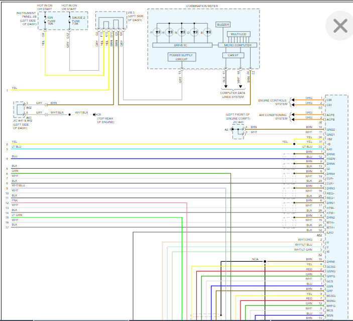
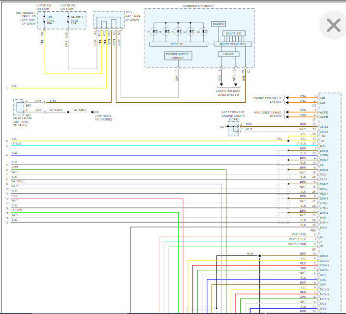
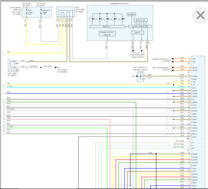
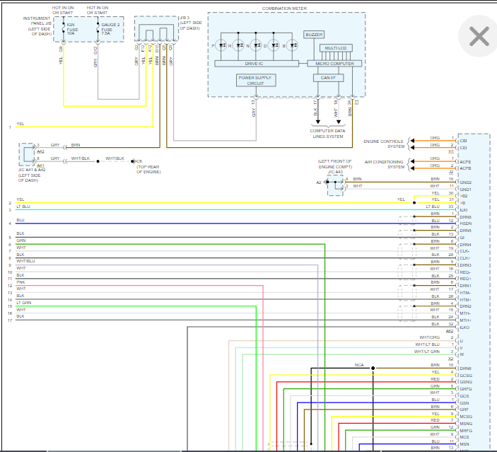
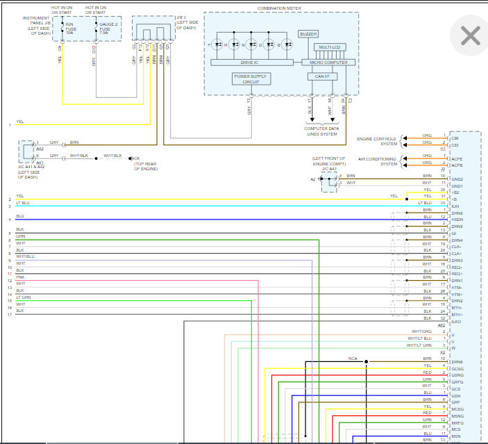
Doing some wiring for taxi and l need to locate the transmission pulse so I can connect it to my meter. Any help would be appreciated.






