Engine wiring diagrams

Tiny
RWETMORE71
  • MEMBER
  • 2013 HYUNDAI SANTA FE
  • 2.0L
  • 4 CYL
  • 2WD
  • AUTOMATIC
  • 38,000 MILES
I need engine wiring diagrams please as well, I have an electrical issue I need to check it out.
Thursday, February 11th, 2021 AT 12:15 PM

2 Replies

Tiny
JACOBANDNICKOLAS
  • MECHANIC
  • 110,192 POSTS
Hi,

Here is a link that explains how to check wiring. I'm adding it in case you want to check what's there. Even a loose connection at the O2 sensor can be causing this.

https://www.2carpros.com/articles/how-to-check-wiring

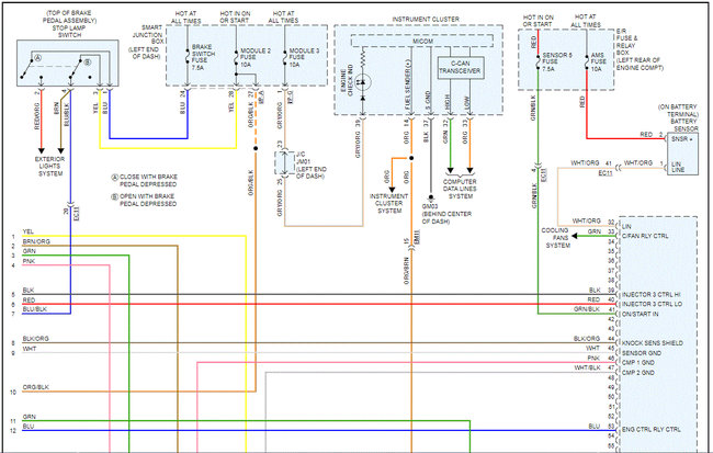
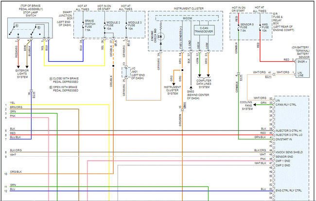
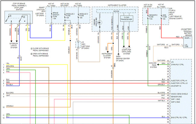
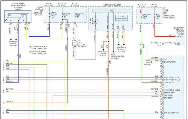
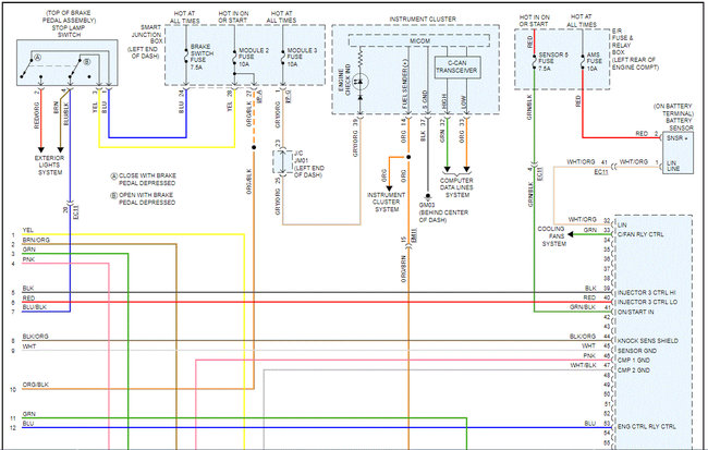
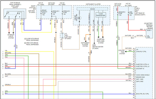
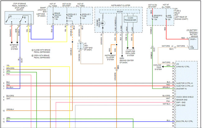
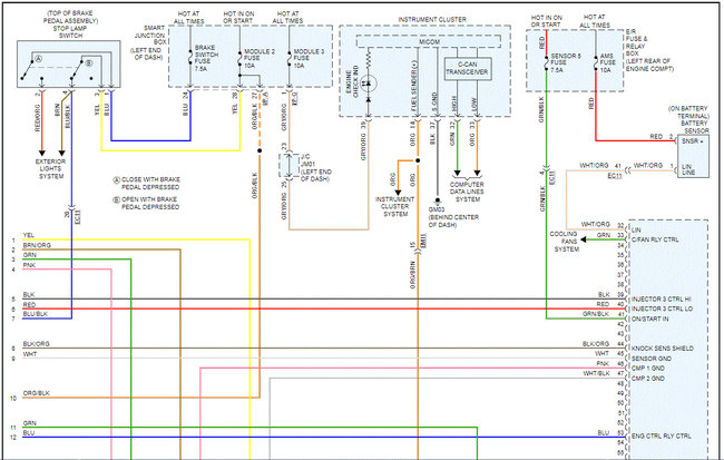
Also, I wanted to attach the powertrain management wiring schematics for you. I'm not sure how involved you got into the wiring. There are five pics below. They are in order, so hopefully, they will help. I did overlap each pic so you can follow from one to the next.

Check out the diagrams (Below). Please let us know what happens.
Was this
answer
helpful?
Yes
No
Wednesday, March 10th, 2021 AT 7:35 PM
Tiny
JACOBANDNICKOLAS
  • MECHANIC
  • 110,192 POSTS
Hi,

I have to ask a favor. I need you to start a new post. We try to keep this specific to one topic and vehicle type, so it is more helpful to others.

Here is the link to start the link:

https://www.2carpros.com/questions/new

Just request the powertrain management wiring schematic specific to your vehicle.

I hope you understand.

Take care,

Joe

Was this
answer
helpful?
Yes
No
Sunday, June 5th, 2022 AT 10:42 PM

Please login or register to post a reply.