HOME
ASK A QUESTION
REPAIR GUIDES
BECOME A MEMBER
LOG IN
Login with Facebook
OR
Remember me
NOT A MEMBER?
FORGOT PASSWORD?
CONTACT US
PRIVACY POLICY
TERMS AND CONDITIONS
☰
Home
Saturn
Outlook
Exhaust
Catalytic Converter
How many catalyst converters does my car have and where are they located
LESLIEWILLIAMS097
MEMBER
2010 SATURN OUTLOOK
3.6L
V6
4WD
AUTOMATIC
244,000 MILES
Check Engine light reads possible bad catalyst converter.
Thursday, August 20th, 2020 AT 5:02 PM
1 Reply
ASEMASTER6371
MECHANIC
52,796 POSTS
Good evening,
What is the code number?
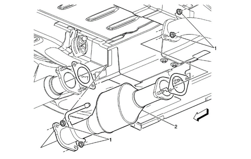
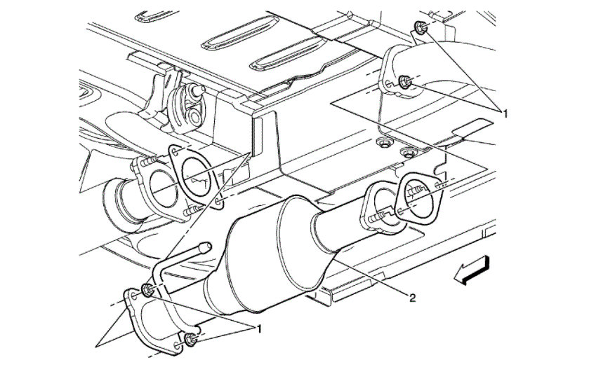
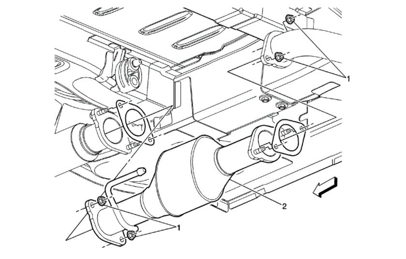
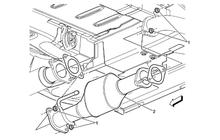
You have 3 converters. One for the left, one for the right and a warm up converter.
https://www.2carpros.com/articles/catalytic-converter-replacement
Once I know the code, we can help more.
Roy
Images (Click to make bigger)
Was this
answer
helpful?
Yes
No
Thursday, August 20th, 2020 AT 5:13 PM
Please
login
or
register
to post a reply.
Related Catalytic Converter Content
VIDEO
How to Test a Catalytic Converter?
Instructional repair video
GUIDE
Catalytic Converter
The engine exhaust system catalytic converter was developed in the early 1970's when severe air pollution was prevalent, and was made mandatory in automobile manufacturing...
Ask a Car Question. It's Free!
Catalytic Converter Replacement
How to Test a Catalytic Converter?
Catalytic Converter Replacement