Rack and pinion replacement instructions please?

Tiny
SHAYY
  • MEMBER
  • 2008 DODGE CALIBER
  • 112,265 MILES
It has been off my car for a year now is has a bad bad rack and pinion
Wednesday, August 14th, 2019 AT 5:58 AM

7 Replies

Tiny
CARADIODOC
  • MECHANIC
  • 34,463 POSTS
That's the steering gear assembly. You can't move the car without it. Use 2CarPros anytime, we are here to help. Please tell a friend.
Was this
answer
helpful?
Yes
No
-2
Wednesday, August 14th, 2019 AT 11:28 AM
Tiny
DANNY L
  • MECHANIC
  • 5,648 POSTS
Hello, I'm Danny.

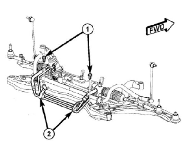
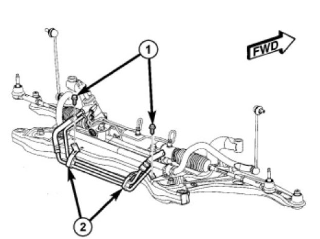
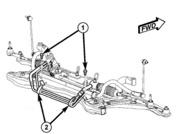
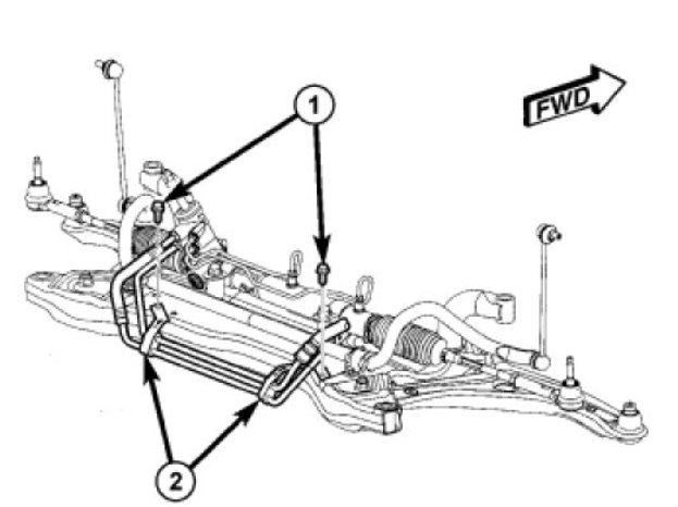
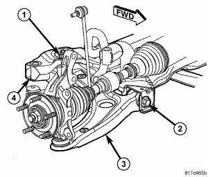
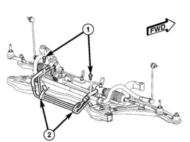
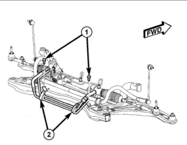
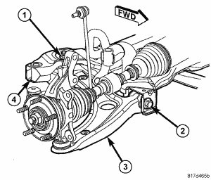
I've attached picture steps below on how to replace the power rack and pinion steering gear. Here is a tutorial show how to release ball joints which is part of the process:

https://www.2carpros.com/articles/how-to-release-a-ball-joint

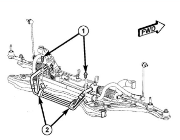
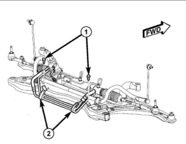
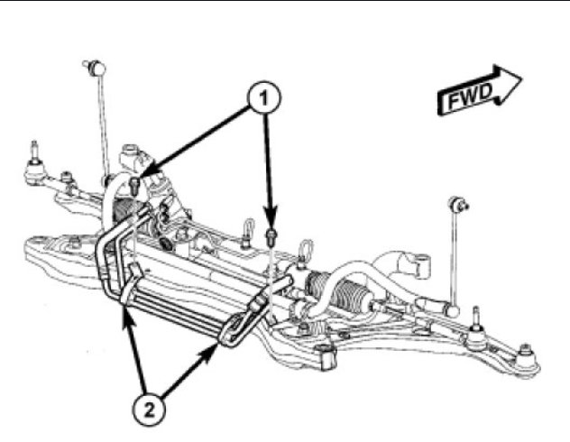
I've attached the picture steps below for your car. Since there are a bunch of picture this will have to be in 2 parts. This is Part 1 removal process. Hope this helps and thanks for using 2CarPros.
Was this
answer
helpful?
Yes
No
+3
Thursday, December 31st, 2020 AT 4:29 PM
Tiny
DANNY L
  • MECHANIC
  • 5,648 POSTS
Hello again.

Here is post part 2 for installation. The picture replacement steps are attached below for your car. Hope this helps and thanks again for using 2CarPros.

Danny-
Was this
answer
helpful?
Yes
No
Thursday, December 31st, 2020 AT 4:36 PM
Tiny
NIPUNA WEERASINGHE
  • MEMBER
  • 2 POSTS
  • 2007 DODGE CALIBER
  • 2.0L
  • 4WD
  • MANUAL
  • 117,000 MILES
Front steering rack arms and track rod end same.
Was this
answer
helpful?
Yes
No
+1
Thursday, January 7th, 2021 AT 12:16 PM (Merged)
Tiny
STEVE W.
  • MECHANIC
  • 15,671 POSTS
Part numbers show as different items.
Was this
answer
helpful?
Yes
No
Thursday, January 7th, 2021 AT 12:16 PM (Merged)
Tiny
NIPUNA WEERASINGHE
  • MEMBER
  • 2 POSTS
Mot failure due to play in both front steering rack arms. Nut when I try to buy parts not many familiar with word rack arm. Does that mean track roads?
Was this
answer
helpful?
Yes
No
Thursday, January 7th, 2021 AT 12:16 PM (Merged)
Tiny
STEVE W.
  • MECHANIC
  • 15,671 POSTS
Steering rack play would normally be in the inner or outer tie rod ends. Part 7 in the first picture.

There could also be play in the lower ball joints or in the lower control arm bushings.
Part 6 in the first picture and parts 1 and 2 in the second picture.

A track rod is usually a bar in the rear of the vehicle that keeps the rear axle centered.
Was this
answer
helpful?
Yes
No
Thursday, January 7th, 2021 AT 12:16 PM (Merged)

Please login or register to post a reply.