Friday, November 20th, 2020 AT 1:13 AM
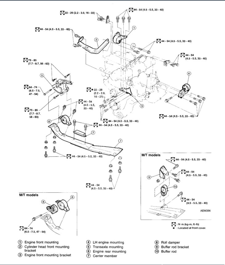
A guy is selling a 200sx Nissan but he’s taken out the engine for a project which he cancelled. He is selling it cheaper because the engine is taken out. How hard is it to install the engine for a person with limited skill?








