How find out find wich relay fuse is bad for tail lights

Tiny
SEXYBOAT247
  • MEMBER
  • 1998 FORD EXPLORER
  • 180 MILES
Boult a ford explorer the running lights not working no fire to the light check all fuse and light switch so how trace it
Thursday, February 18th, 2016 AT 11:55 AM

1 Reply

Tiny
SQM
  • MECHANIC
  • 6,383 POSTS
Hello,

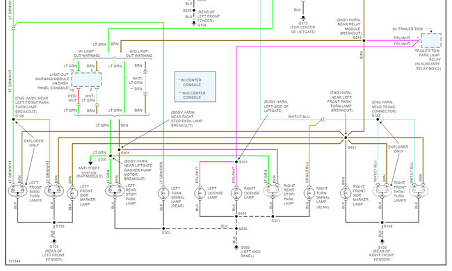
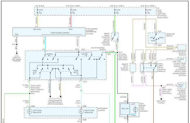
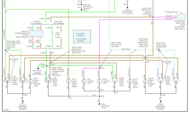
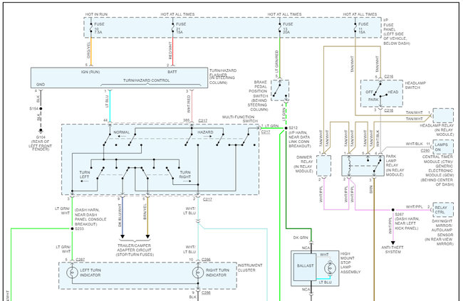
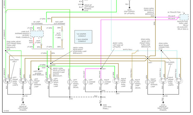
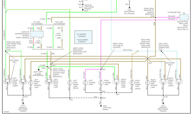
The parking light fuse is located under the hood in the power distribution center fuse box (see diagram below).
It should be fuse number 11, which is a 15A fuse.

https://www.2carpros.com/articles/how-to-check-a-car-fuse

If the fuse if good, then the issue is likely a bad wire. Which will require tracing of the wires to find the short or a bad ground.

Here is a helpful guide:

https://www.2carpros.com/articles/how-to-check-wiring

I have attached wiring schematics below.

Please let me know if you have any questions.
Thank you.
Was this
answer
helpful?
Yes
No
Monday, November 8th, 2021 AT 2:50 PM

Please login or register to post a reply.