Wednesday, September 20th, 2017 AT 11:37 PM
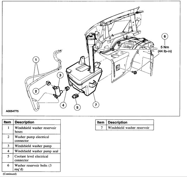
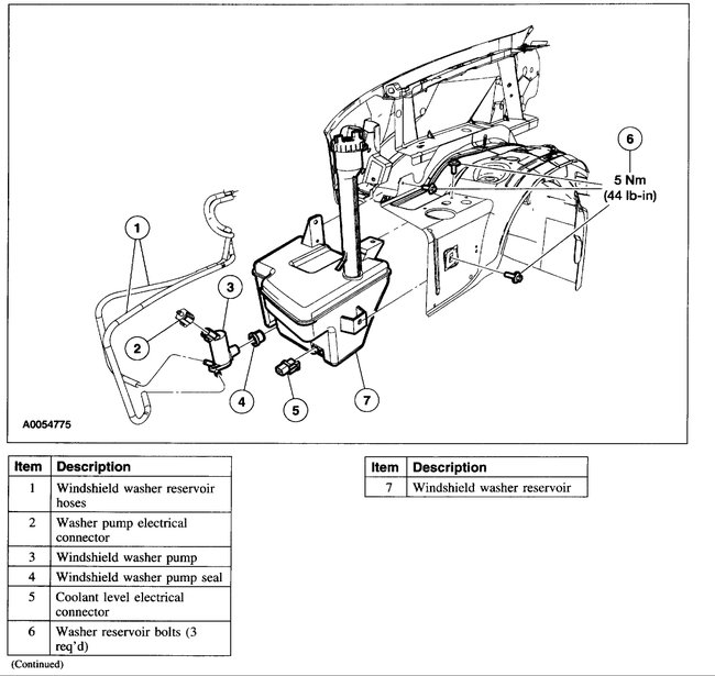
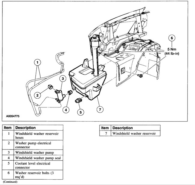
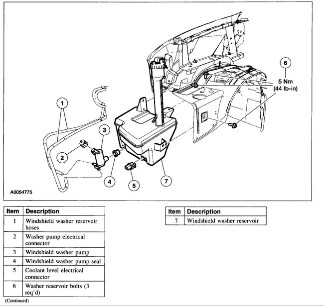
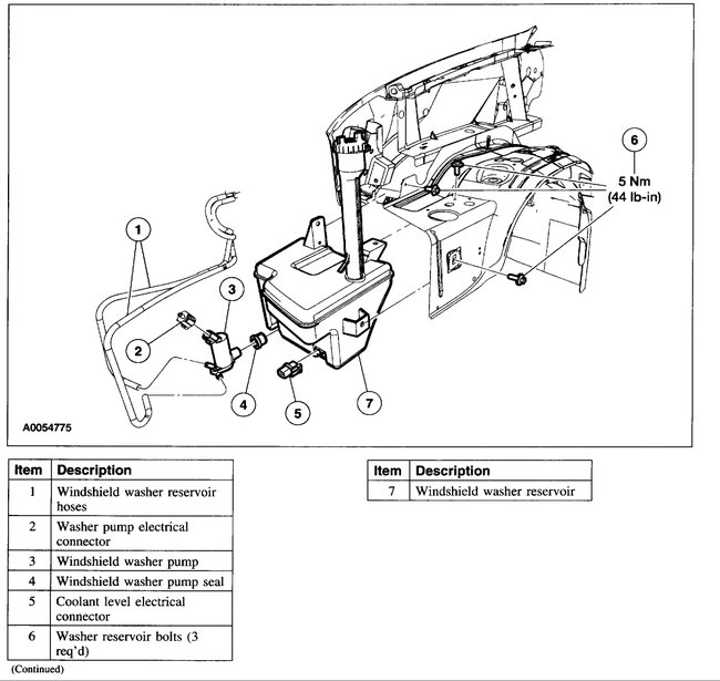
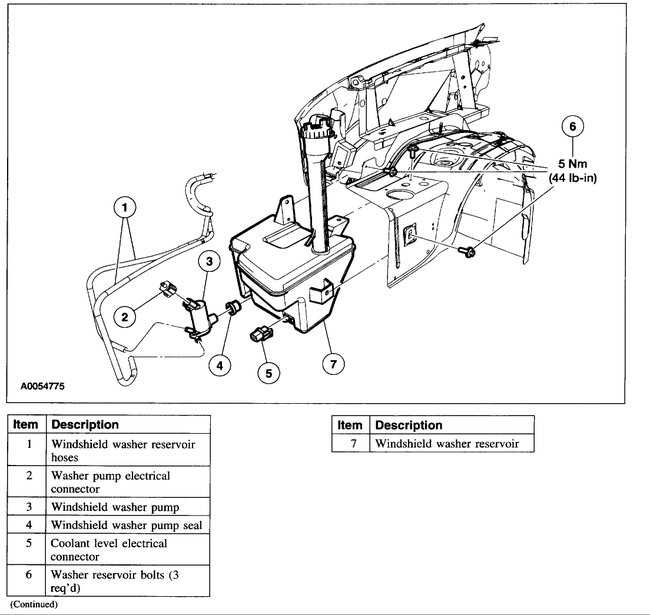
How do you replace the washer reservoir? There is one bolt I cannot seem to remove as it appears the refrigerant container is in the way.

