Engine wiring diagrams - and all wiring diagrams?

Tiny
UHSNOEBIRD
  • MEMBER
  • 2002 SATURN L200
  • 2.0L
  • 4 CYL
  • 2WD
  • AUTOMATIC
  • 208,000 MILES
I'm needing to wire this to my car listed above to get my key fob working properly. Does anyone know what colored wires I need to connect this controller to so my key fob will work?

How do I wire Docooler Car Remote Central Lock Locking Keyless Entry System?
Wednesday, October 28th, 2020 AT 6:17 PM

50 Replies

Tiny
DANNY L
  • MECHANIC
  • 5,648 POSTS
Hello, I'm Danny.

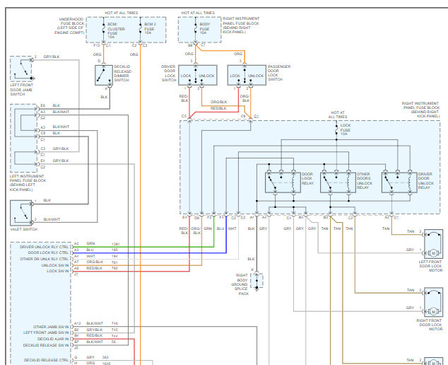
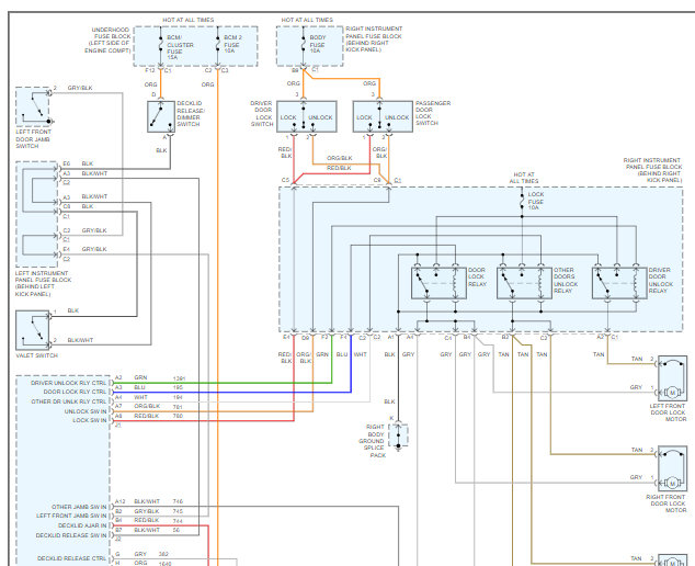
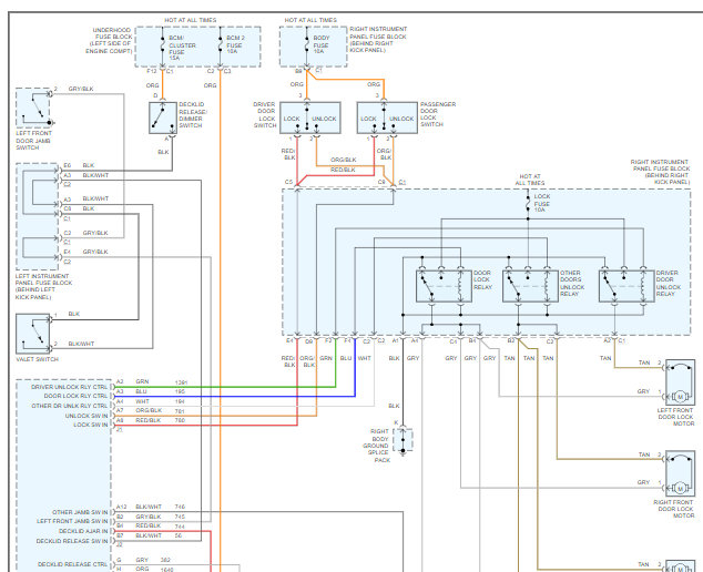
I've attached below the wiring diagram for the remote keyless entry door locks for your car. I've cut the picture into 2 pieces so you can view larger. Hope this helps and thanks for using 2CarPros.
Was this
answer
helpful?
Yes
No
-1
Wednesday, October 28th, 2020 AT 6:25 PM
Tiny
UHSNOEBIRD
  • MEMBER
  • 342 POSTS
I've ordered the Docooler Car Remote Central Lock Locking Keyless Entry System with Remote Controllers and I'll try to use the wiring diagrams to wire it up and see if I can get it to work. I'll let you know the results. Thank you
Was this
answer
helpful?
Yes
No
Wednesday, October 28th, 2020 AT 6:44 PM
Tiny
DANNY L
  • MECHANIC
  • 5,648 POSTS
Hello again.

Sounds good. Keep us updated and we'll go from there. If when you receive you want to upload their wiring diagram I'll help match things up for you. Hope this helps and thanks again for using 2CarPros.

Danny-
Was this
answer
helpful?
Yes
No
Wednesday, October 28th, 2020 AT 7:02 PM
Tiny
UHSNOEBIRD
  • MEMBER
  • 342 POSTS
I'll let you know, have a good safe night.
Was this
answer
helpful?
Yes
No
Wednesday, October 28th, 2020 AT 7:15 PM
Tiny
DANNY L
  • MECHANIC
  • 5,648 POSTS
Thanks!

Have a good night and thanks again for using 2CarPros.

Danny-
Was this
answer
helpful?
Yes
No
Wednesday, October 28th, 2020 AT 7:33 PM
Tiny
UHSNOEBIRD
  • MEMBER
  • 342 POSTS
I received the Docooler Car Remote Central Lock Locking Keyless Entry System from UPS today.
The only way that I can give you the wiring diagram for it is to take a picture of the paper that the wiring diagram is on that came with the product I ordered.
I will take 2 pictures of the Keyless Entry Instruction and it will be the front and back of the paper. Can I send these photos from an SD card to you? Thanks
Was this
answer
helpful?
Yes
No
Monday, November 2nd, 2020 AT 2:22 PM
Tiny
UHSNOEBIRD
  • MEMBER
  • 342 POSTS
Danny, if you remember this will be connected to a 2002 Saturn L200 car, you sent me the wiring diagram to it the other day.
Was this
answer
helpful?
Yes
No
Monday, November 2nd, 2020 AT 2:32 PM
Tiny
DANNY L
  • MECHANIC
  • 5,648 POSTS
Hello again.

Yes, if can only to a picture of a piece of paper that will be okay as long as you can upload it here for us to view. We can only view the uploads here so emails and whatnot aren't allowed between people per the site rules. Let me know if you can upload the pictures here and we'll go from there. Hope this helps and thanks again for using 2CarPros.

Danny-
Was this
answer
helpful?
Yes
No
Monday, November 2nd, 2020 AT 6:37 PM
Tiny
UHSNOEBIRD
  • MEMBER
  • 342 POSTS
Here is the wiring for this:
Was this
answer
helpful?
Yes
No
Monday, November 2nd, 2020 AT 6:50 PM
Tiny
UHSNOEBIRD
  • MEMBER
  • 342 POSTS
I might have to get you a better picture tomorrow if you want me to. Thanks
Was this
answer
helpful?
Yes
No
Monday, November 2nd, 2020 AT 6:52 PM
Tiny
DANNY L
  • MECHANIC
  • 5,648 POSTS
Hello again.

Yes, that is too small for me to view. If you can blow it up I could view better. We'll be looking for your response and we'll go from there. Thanks again for using 2CarPros.

Danny-
Was this
answer
helpful?
Yes
No
Monday, November 2nd, 2020 AT 7:25 PM
Tiny
UHSNOEBIRD
  • MEMBER
  • 342 POSTS
I might need to take 2 different pictures, the top half of the paper then the 2nd picture being the bottom half so you can see it better.
Was this
answer
helpful?
Yes
No
Monday, November 2nd, 2020 AT 8:45 PM
Tiny
DANNY L
  • MECHANIC
  • 5,648 POSTS
Hello again.

That's fine. We'll be looking for it and get back to you. Thanks again for using 2CarPros.

Danny-
Was this
answer
helpful?
Yes
No
Monday, November 2nd, 2020 AT 9:23 PM
Tiny
UHSNOEBIRD
  • MEMBER
  • 342 POSTS
Here is the 1st half of the wiring:
Was this
answer
helpful?
Yes
No
Tuesday, November 3rd, 2020 AT 9:52 AM
Tiny
UHSNOEBIRD
  • MEMBER
  • 342 POSTS
Here is the 2nd half of the wiring:
Was this
answer
helpful?
Yes
No
Tuesday, November 3rd, 2020 AT 9:53 AM
Tiny
UHSNOEBIRD
  • MEMBER
  • 342 POSTS
Another picture.
Was this
answer
helpful?
Yes
No
Tuesday, November 3rd, 2020 AT 10:01 AM
Tiny
UHSNOEBIRD
  • MEMBER
  • 342 POSTS
Picture.
Was this
answer
helpful?
Yes
No
Tuesday, November 3rd, 2020 AT 10:03 AM
Tiny
UHSNOEBIRD
  • MEMBER
  • 342 POSTS
Last picture, hopefully you can see the wiring.
Was this
answer
helpful?
Yes
No
Tuesday, November 3rd, 2020 AT 10:07 AM
Tiny
DANNY L
  • MECHANIC
  • 5,648 POSTS
Hello again.

Is that all the directions there are? No wording? Figure A, B, C, D, and E all are using the same color wires. Kind of weird. I'll look on their site to see if there is anything more. Thanks again for using 2CarPros.

Danny-
Was this
answer
helpful?
Yes
No
Tuesday, November 3rd, 2020 AT 8:14 PM
Tiny
UHSNOEBIRD
  • MEMBER
  • 342 POSTS
1st pic of the text.
Was this
answer
helpful?
Yes
No
Thursday, November 5th, 2020 AT 7:49 AM

Please login or register to post a reply.