Codes C1214, C1206 and C1210, how to fix ABS codes?

Tiny
WHITEBOY209
  • MEMBER
  • 1994 FORD E-SERIES VAN
  • 7.5L
  • V8
  • 2WD
  • AUTOMATIC
  • 125,771 MILES
My parents have a motorhome they bought and they're trying to fix it, but they have ABS codes c1214, c1206, and c1210. I know nothing about a Ford ABS system at all, not really sure where to start or how to test.
Tuesday, October 17th, 2023 AT 2:03 PM

8 Replies

Tiny
JACOBANDNICKOLAS
  • MECHANIC
  • 110,192 POSTS
Hi,

I'm not sure what size van this is, so I went with an E350. If that is incorrect, let me know.

As far as the ABS system, the most common cause of the light turning on is a faulty speed sensor. Other things, such as low brake fluid, a faulty toner ring, or a wiring problem, can also be at fault.

Here is what I need to know. Does the vehicle have a wheel speed sensor at each wheel? The easiest thing to check is on the rear differential. If it only has rear ABS and not 4-wheel ABS, there will be one sensor at the top of the differential.

As far as front wheel speed sensors, you will see wires coming from the rear of the steering knuckle if it has front sensors.

Do this. One wheel at a time, lift the vehicle. Disconnect the wheel speed sensor at the wheel and using a multimeter, check to see if a voltage signal is produced when you spin the wheel. Here is a link that explains how to do it.

https://www.2carpros.com/articles/abs-wheel-speed-sensor-test

Try that and let me know the results. Note: If I recall, the sensor wiring from the sensors connects to another wire near the frame rail or on it.

Let me know.

Joe

Was this
answer
helpful?
Yes
No
Tuesday, October 17th, 2023 AT 7:20 PM
Tiny
WHITEBOY209
  • MEMBER
  • 5 POSTS
I did all that already it's and it's still has codes the OBD1 trouble codes are for a the right check valve n a dump valve.
Was this
answer
helpful?
Yes
No
Tuesday, October 17th, 2023 AT 8:20 PM
Tiny
WHITEBOY209
  • MEMBER
  • 5 POSTS
Do you know where I can find the wiring pins set so I can test the ABS module?
Was this
answer
helpful?
Yes
No
Tuesday, October 17th, 2023 AT 8:22 PM
Tiny
JACOBANDNICKOLAS
  • MECHANIC
  • 110,192 POSTS
Hi,

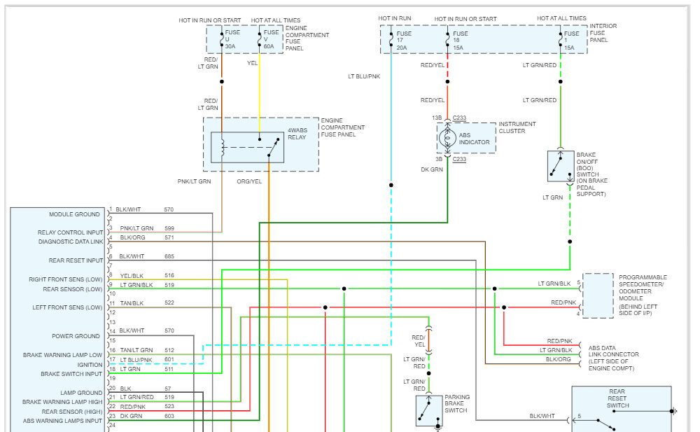
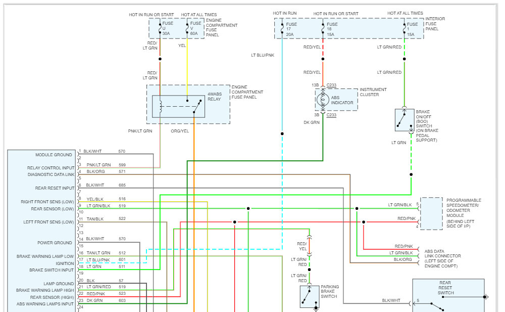
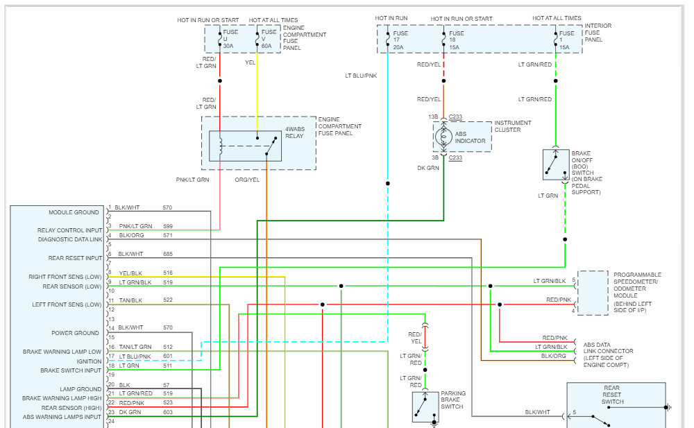
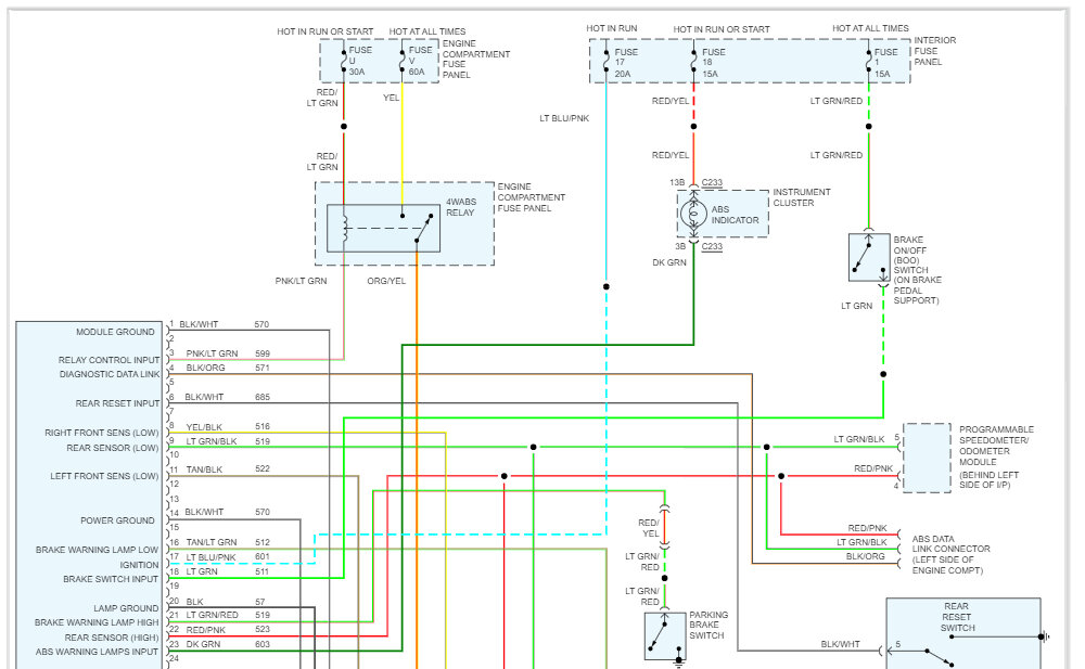
I attached what I have below. As far as a pinout, the manual doesn't provide one for the module. If you let me know the codes that are found, it may point me in the right direction.

Let me know.

Joe
Was this
answer
helpful?
Yes
No
Tuesday, October 17th, 2023 AT 8:43 PM
Tiny
WHITEBOY209
  • MEMBER
  • 5 POSTS
C1214 c1210 c1206
Was this
answer
helpful?
Yes
No
Tuesday, October 17th, 2023 AT 10:09 PM
Tiny
JACOBANDNICKOLAS
  • MECHANIC
  • 110,192 POSTS
Hi,

Thanks for the info. Actually, I'm a little embarrassed that I forgot they were at the top of the page. Ugh! Too many things on my mind.

Now I have a new problem. The codes you provided are OBD2. Either this is a 1995 or it is a late production 94.

I had to go to the 1995 to access the code. C1214 isn't indicated for this year (1995). The one that has my attention is the C1210 which indicates a problem with the right front dump valve.

I attached diagnostics below specific to that code. Again, this is listed under a 1995, but it should be the same. Take a look through the diagnostics and let me know if you are comfortable performing them

Take care,

Joe

See pics below.
Was this
answer
helpful?
Yes
No
Wednesday, October 18th, 2023 AT 5:12 PM
Tiny
WHITEBOY209
  • MEMBER
  • 5 POSTS
So is it at the same test for the 3 and 4 wabs because I have the 3 wabs.
Was this
answer
helpful?
Yes
No
Wednesday, October 18th, 2023 AT 5:58 PM
Tiny
JACOBANDNICKOLAS
  • MECHANIC
  • 110,192 POSTS
Hi,

I just went through the manual to confirm. This is the only test it shows for the code. With that in mind, I would think they are the same.

Let me know how things turn out for you.

Joe
Was this
answer
helpful?
Yes
No
Wednesday, October 18th, 2023 AT 8:00 PM

Please login or register to post a reply.