How can I check my A/C Heat Climate Control switch?

Tiny
EDWOOSR667
  • MEMBER
  • 1998 JEEP GRAND CHEROKEE LAREDO
  • 4.0L
  • 6 CYL
  • 2WD
  • AUTOMATIC
  • 189,000 MILES
Hello, hoping someone can help? I have the vehicle listed above Grand Cherokee Laredo that I have been having blend door problems, all I would get is heat out of my vents, so after doing some exploring I found that my actuator was bad (a crack gear inside) so after replacing the actuator, I connected the new actuator to the connector plug before installing it, and I get no movement from the actuator, after
turning the switch from hot to cold, so my question is how can I check my A/C, Heat Climate Control switch. By the way I can move my blend doors by hand to change temperatures.
Sunday, November 28th, 2021 AT 4:26 PM

13 Replies

Tiny
JACOBANDNICKOLAS
  • MECHANIC
  • 110,194 POSTS
Hi,

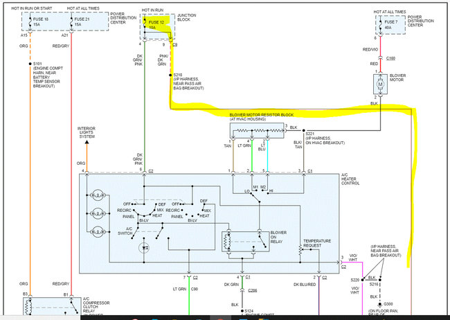
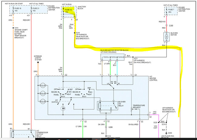
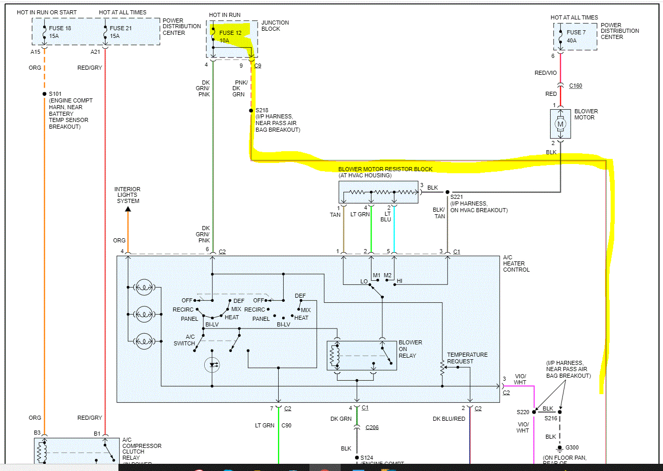
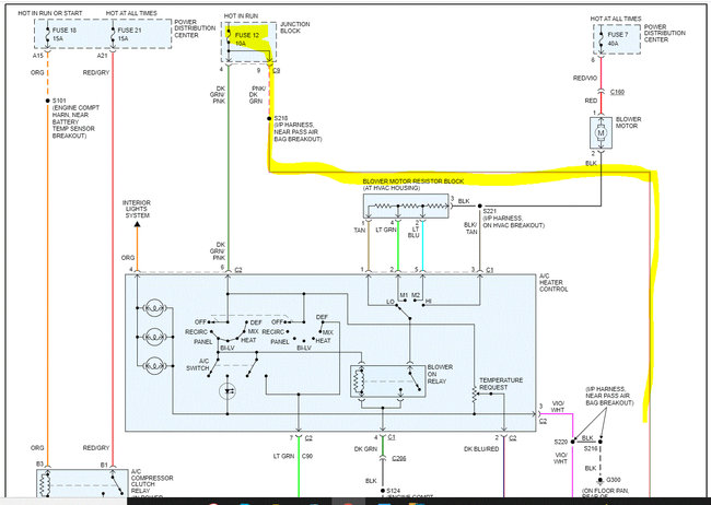
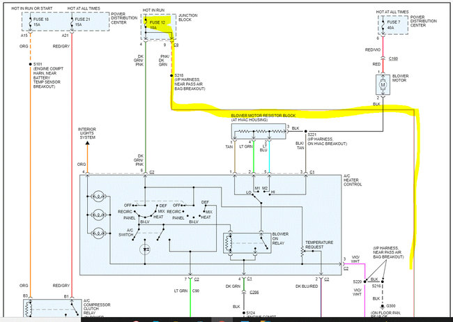
First, I attached the wiring schematic below for the system. This is for manual climate control. If you have something different, let me know.

First, check fuse 12 in the fuse junction box. If it is good, confirm there is power to and from it. Here is a link you may find helpful:

https://www.2carpros.com/articles/how-to-check-a-car-fuse

If the fuse is good and there is power, go to the blend door actuator connector and locate the pink wire with a dark green tracer. Confirm it has power at the actuator with the key on.

If it does, go to the heater control unit (on the dash) and locate the dark blue wire with a red tracer. It should have 12v as well. The control unit provides a ground path. So, check for a black wire near the passenger side airbag (be careful working around the airbag). Locate the violet wire with a white tracer in the connector at the control unit and check for continuity to ground. If there is none, repair the ground. Note: The violet/white wire splices into the black ground wire. (See schematic).

If there is continuity to ground and you have power at the control unit, there is a chance the control unit has failed.

Let me know what you find or if you have other questions.

Take care,

Joe

See pics below. Note: I had to cut the schematic in half to make it readable. I did overlap them so you can follow from one to the next.
Was this
answer
helpful?
Yes
No
Sunday, November 28th, 2021 AT 9:48 PM
Tiny
EDWOOSR667
  • MEMBER
  • 23 POSTS
Thanks for responding, I will follow your instructions tomorrow and keep you informed.
Thanks again.
Was this
answer
helpful?
Yes
No
Sunday, November 28th, 2021 AT 10:09 PM
Tiny
JACOBANDNICKOLAS
  • MECHANIC
  • 110,194 POSTS
Happy to help. Let me know the results. I'm interested in knowing.

Take care,

Joe
Was this
answer
helpful?
Yes
No
+1
Sunday, November 28th, 2021 AT 10:55 PM
Tiny
EDWOOSR667
  • MEMBER
  • 23 POSTS
Hello Joe, here is a update on what I found so far: the 12 volt fuse is good with 12 volts at
the actuator connector, the heater control unit (dark blue wire with red tracer) have o volts
with switch on, the (violet wire with a white tracer) in the connector does have continuity
to ground. So, I need to find out why dark blue wire with red tracer have o volts.
Was this
answer
helpful?
Yes
No
Tuesday, November 30th, 2021 AT 4:37 PM
Tiny
JACOBANDNICKOLAS
  • MECHANIC
  • 110,194 POSTS
Hi,

Good job checking. At this point, either the controller is bad, or the blue/red wire is open. When you checked that wire for power, did you do it at the actuator or the control module?

If at the actuator, disconnect it and check right at the pin or back probe the blue/red wire right at the module to see if it is providing power.

Let me know the results.
Was this
answer
helpful?
Yes
No
+1
Tuesday, November 30th, 2021 AT 6:13 PM
Tiny
EDWOOSR667
  • MEMBER
  • 23 POSTS
Hi Joe,

i check the blue/red wire right at the module, and no power, and I check the blue/red wire right at the actuator connection pin and no power, but I do have power at the green/pink wire at the module selector switch. Question? So does the green/pink wire supply power into the module selector switch? Does the selector switch send power to the actuator? When I connect the actuator and turn the switch the actuator moves in one direction, and when I turn it in the opposite direction no movement, could it be a bad selector switch?
Was this
answer
helpful?
Yes
No
Wednesday, December 1st, 2021 AT 1:20 PM
Tiny
JACOBANDNICKOLAS
  • MECHANIC
  • 110,194 POSTS
Hi,

The dark green/pink supplies power directly to the controller. Power can also be introduced via the blue/red wire in the opposite direction to turn the actuator motor in the opposite direction.

So based on your description, it works one way but not the other. Are you getting power at the pink/dark green wire at the actuator? Power is supplied to that wire via the same fuse dark green/pink wire but through a different wire to the actuator.

If you are not getting power to the pink/dark green wire, that is why it won't go the opposite direction.

Let me know

Joe

See pic.
Was this
answer
helpful?
Yes
No
+1
Wednesday, December 1st, 2021 AT 6:34 PM
Tiny
EDWOOSR667
  • MEMBER
  • 23 POSTS
Yes, I am getting power to the pink/dark green wire to the actuator.
Was this
answer
helpful?
Yes
No
Wednesday, December 1st, 2021 AT 7:29 PM
Tiny
JACOBANDNICKOLAS
  • MECHANIC
  • 110,194 POSTS
Okay, then either there is no power out from the actuator to the controller, the ground is bad, or the controller is bad.

If I recall, you checked the ground. Also, when you tested for power at the blue/red wire out from the actuator, did you provide your own ground? If you did and there was no power, it sounds like the problem is at the connector on the actuator. The controller provides a ground path for that wire to complete the circuit. Providing a knowing good ground and testing at the actuator, you should see power. So, inspect the wiring very closely and the connector as well.

Now, if you provide a knowing good ground and there is power, the controller is the likely cause.

Joe
Was this
answer
helpful?
Yes
No
+1
Wednesday, December 1st, 2021 AT 8:02 PM
Tiny
EDWOOSR667
  • MEMBER
  • 23 POSTS
Okay, I think I will order a controller, I will let you know in a week or so when I get it. Thanks Joe for the info.
Was this
answer
helpful?
Yes
No
Wednesday, December 1st, 2021 AT 8:18 PM
Tiny
JACOBANDNICKOLAS
  • MECHANIC
  • 110,194 POSTS
You are very welcome. Just make sure power stops at the controller and there isn't a wiring issue. I don't want you to spend the money if it is something different.

Take care and let me know how things turn out.

Joe
Was this
answer
helpful?
Yes
No
+1
Wednesday, December 1st, 2021 AT 9:21 PM
Tiny
EDWOOSR667
  • MEMBER
  • 23 POSTS
Hello Joe, just getting back to you with some good news, I received my new controller Wednesday and after installing it on Thursday, everything is working again, so the old controller was getting power to it, but not supplying power to the dark blue/red wire to the actuator. The new controller fixed the problem. Once again (Thanks for all the help) I can ride cool again.
Edwoosr667
Was this
answer
helpful?
Yes
No
Thursday, December 9th, 2021 AT 9:15 PM
Tiny
JACOBANDNICKOLAS
  • MECHANIC
  • 110,194 POSTS
Hi,

Thanks for the update. I'm glad you got it working.

Please feel free to come back anytime in the future if you have questions.

Take care,

Joe
Was this
answer
helpful?
Yes
No
Friday, December 10th, 2021 AT 6:54 PM

Please login or register to post a reply.