I thought it was a stuck brake caliper but the car will move fine in drive at idle and the brake pads appear to have plenty of life left in them. I'm not sure if this is related but my car seems to experience a lot of vibrations at 40+ mph (but that could just be the roads since it doesn't always happen) even though I just had my alignment done and wheels balanced.
I've taken the wheel off and inspected the rotor and it doesn't appear to be damaged at all (at least the side I can see).
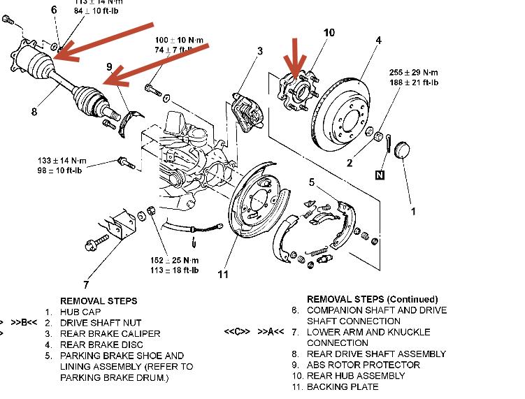
My car has 4 wheel disc brakes.
My car is a 2003 Mitsubishi Montero XLS
Thursday, April 18th, 2013 AT 11:53 AM




