Horn not functioning

Tiny
BLESSING EWOBOR
  • MEMBER
  • 2012 TOYOTA COROLLA
  • 197,535 MILES
Hi, the horn of the vehicle is not functioning. I have tested the fuse, it has voltage at both sides, I wanted to test the circuit from the relay but I couldn't find it. The horn is functioning if voltage is connected to it.
Saturday, January 16th, 2021 AT 8:24 PM

3 Replies

Tiny
ASEMASTER6371
  • MECHANIC
  • 52,796 POSTS
Good evening,

I would suspect the clock spring as the issue. I attached the wiring diagram for you to view.

https://www.2carpros.com/articles/symptoms-of-a-bad-airbag-clock-spring

https://www.2carpros.com/articles/steering-wheel-clock-spring-removal

Ground the wire I circled and see if the horn goes off.

https://www.2carpros.com/articles/how-to-check-wiring

https://www.2carpros.com/articles/how-to-check-an-electrical-relay-and-wiring-control-circuit

Roy

Remove steering wheel assembly
[ steering column: steering wheel: removal ]

Remove lower instrument panel finish panel sub-assembly [ interior panels / trim: lower instrument panel: removal + ]
Remove lower steering column cover [ steering column: steering column assembly: removal + ]
Remove upper steering column cover [ steering column: steering column assembly: removal + ]
Remove spiral cable (w/o vsc)

w/ Horn Button Wire Harness:
Disconnect the connector to remove the horn button wire sub-assembly.
Disconnect the connectors from the spiral cable.

image
NOTICE:

When disconnecting the airbag connector, take care not to damage the airbag wire harness.

Disengage the 3 claws and remove the spiral cable.
REMOVE SPIRAL CABLE WITH STEERING ANGLE SENSOR (w/ VSC)
w/ Horn Button Wire Harness:
Disconnect the connector to remove the horn button wire sub-assembly.
Disconnect the connectors from the spiral cable with steering angle sensor.

image
NOTICE:

When disconnecting the airbag connector, take care not to damage the airbag wire harness.

Disengage the 3 claws and remove the spiral cable with steering angle sensor.
REMOVE SPIRAL CABLE (w/ VSC)
Disengage the 6 claws and 2 pins, and remove the spiral cable from the steering angle sensor.

image

Steering column: steering wheel: removal; 2012 my corolla [12/2011 - ]
Align front wheels facing straight ahead
Remove steering pad
[ supplemental restraint systems: steering pad: removal ]

Remove steering wheel assembly

for Type A:
Remove the steering wheel assembly set nut.

image
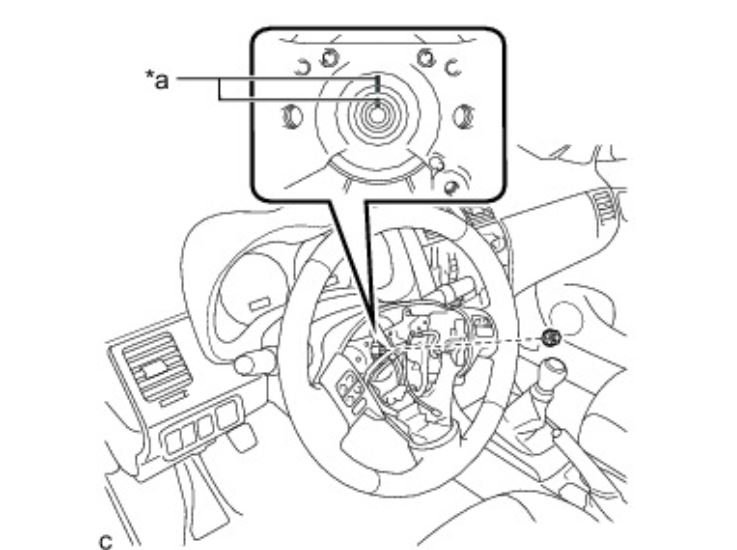
Text in Illustration

a Matchmark

Put matchmarks on the steering wheel assembly and steering main shaft.
Disconnect the connectors from the spiral cable sub-assembly.
Using SST, remove the steering wheel assembly.

image
Text in Illustration

a Turn b Hold

SST : 09950-50013

09951-05010

09952-05010

09953-05020

09954-05070

NOTICE:

Apply a small amount of grease to the threads and tip of SST (09953-05020) before use.

for Type B:
Remove the steering wheel assembly set nut.
Was this
answer
helpful?
Yes
No
Sunday, January 17th, 2021 AT 3:18 PM
Tiny
BLESSING EWOBOR
  • MEMBER
  • 754 POSTS
Thank you.
Was this
answer
helpful?
Yes
No
Sunday, January 17th, 2021 AT 5:00 PM
Tiny
ASEMASTER6371
  • MECHANIC
  • 52,796 POSTS
You are welcome.

Always glad to help.

Roy
Was this
answer
helpful?
Yes
No
Sunday, January 17th, 2021 AT 5:11 PM

Please login or register to post a reply.