Horn button replacement

Tiny
GOGOJUICE6
  • MEMBER
  • 2000 BUICK CENTURY
  • 3.1L
  • V6
  • 2WD
  • AUTOMATIC
  • 96,000 MILES
Trying to replace the horn button in this car, I can't figure out how to get the airbag off. I know there are these clips holding the bag to the steering wheel, but is there any special tool to undo the clips easier?
I appreciate any inputs.
Thanks a lot.
Saturday, January 15th, 2022 AT 2:21 PM

11 Replies

Tiny
SQM
  • MECHANIC
  • 6,383 POSTS
Hello,

To remove the air bag from the steering wheel you will need a special tool.
Always remember to take extra caution before working with the airbag system and always disable the airbag system first before starting the task.

https://www.2carpros.com/articles/air-bag-removal-steering-wheel

I have attached the air system disable procedure, airbag removal, and the horn switch replacement procedure below. It shows the special tool that you will need as well.

Please let me know if you have any questions.
Thank you.
Was this
answer
helpful?
Yes
No
+1
Saturday, January 15th, 2022 AT 5:30 PM
Tiny
GOGOJUICE6
  • MEMBER
  • 76 POSTS
Hi Sean, first thanks for your fast response. I appreciate it. Secondly, I think i'm going to bypass the original horn switch and hook up an aftermarket one. Would that be smart and easier? Do you have the horn wiring diagram, by any chance?
Again thanks for your help.
Was this
answer
helpful?
Yes
No
Thursday, January 20th, 2022 AT 10:14 AM
Tiny
SQM
  • MECHANIC
  • 6,383 POSTS
You can bypass the factory switch and just have an aftermarket setup. You will just have to tap into the horn wire or have a new horn setup.
However, this might not pass your state's safety inspection due to not using the factory horn switch.

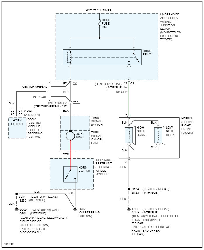
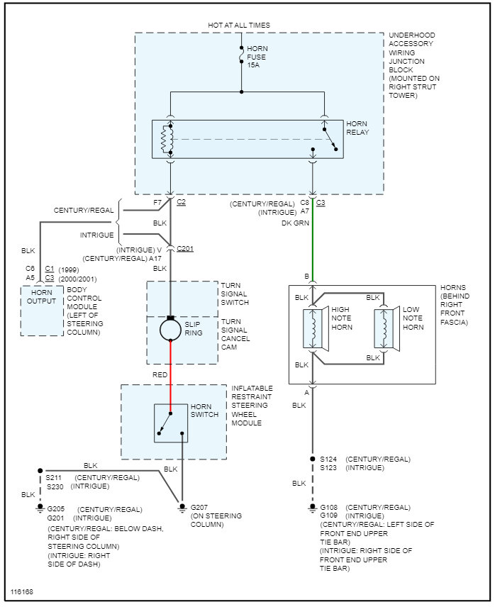
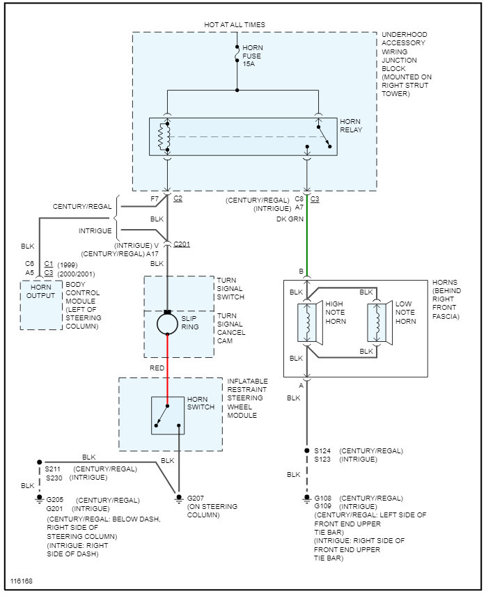
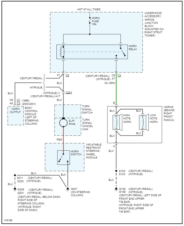
I have attached the wiring schematics for the horn below.
Was this
answer
helpful?
Yes
No
+1
Thursday, January 20th, 2022 AT 10:54 AM
Tiny
GOGOJUICE6
  • MEMBER
  • 76 POSTS
Wow. That was fast. Outstanding. I'd love to have a factory horn button. Here's my problem: Buick is not making the horn button for this car any longer (according to the local Buick dealership), Rock Auto doesn't have it. I'm a little skeptical about getting electrical parts from junkyards. So, I guess the next best thing would be an aftermarket button. By the way, I live in FL. No state inspections here.
Again, you guys are the best. Second to none.
Thanks a million.
Al
Was this
answer
helpful?
Yes
No
Thursday, January 20th, 2022 AT 11:29 AM
Tiny
SQM
  • MECHANIC
  • 6,383 POSTS
Thank you for your support, Al.
If you don't have to worry about state inspection you can put an aftermarket switch. Horn wirings are fairly simple. All you will need is power and ground and the switch to complete the circuit.

Let me know if you have any questions.
Was this
answer
helpful?
Yes
No
+1
Thursday, January 20th, 2022 AT 11:37 AM
Tiny
GOGOJUICE6
  • MEMBER
  • 76 POSTS
Thank you, sir. Greatly appreciated.
Was this
answer
helpful?
Yes
No
Thursday, January 20th, 2022 AT 11:59 AM
Tiny
SQM
  • MECHANIC
  • 6,383 POSTS
You are welcome!
Was this
answer
helpful?
Yes
No
+1
Thursday, January 20th, 2022 AT 12:11 PM
Tiny
GOGOJUICE6
  • MEMBER
  • 76 POSTS
Hey Sean,

My 1994 2.3 Ranger has a 95A alternator (original) but I've been hooking up all kind of goodies (from rear stoplight bar to 30A fog lights, etc, ) I noticed a change in performance, especially when I turn the fog lights on. Is it okay to replace alt for a 200A one (200A at1200RPMs, 100A at idle, according to manufacturer specs?)
Thanks again,
Al
Was this
answer
helpful?
Yes
No
Wednesday, January 26th, 2022 AT 9:27 AM
Tiny
SQM
  • MECHANIC
  • 6,383 POSTS
Hey Al,

Since this is a different vehicle, please open a new thread.
Simply go to this link and submit the question:

https://www.2carpros.com/questions/new

We will look out for it.
Thank you.
Was this
answer
helpful?
Yes
No
+1
Wednesday, January 26th, 2022 AT 7:23 PM
Tiny
GOGOJUICE6
  • MEMBER
  • 76 POSTS
Sorry about that.
Was this
answer
helpful?
Yes
No
Thursday, January 27th, 2022 AT 12:17 PM
Tiny
SQM
  • MECHANIC
  • 6,383 POSTS
No worries. Thank you.
Was this
answer
helpful?
Yes
No
+1
Thursday, January 27th, 2022 AT 1:56 PM

Please login or register to post a reply.