HOME
ASK A QUESTION
REPAIR GUIDES
BECOME A MEMBER
LOG IN
Login with Facebook
OR
Remember me
NOT A MEMBER?
FORGOT PASSWORD?
CONTACT US
PRIVACY POLICY
TERMS AND CONDITIONS
☰
Home
Dodge
Dart
Safety
Horn
Not Working
Horn not working
KEVIN PACIFIC
MEMBER
2015 DODGE DART
4 CYL
TURBO
2WD
AUTOMATIC
60,000 MILES
My horn has quit working. I have checked the fuses but cannot seem to be able to locate the relay to check that.
Tuesday, May 9th, 2017 AT 10:53 PM
2 Replies
STEVE W.
MECHANIC
15,669 POSTS
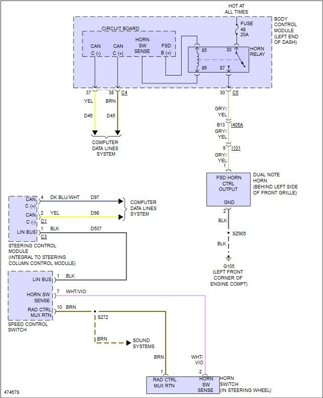
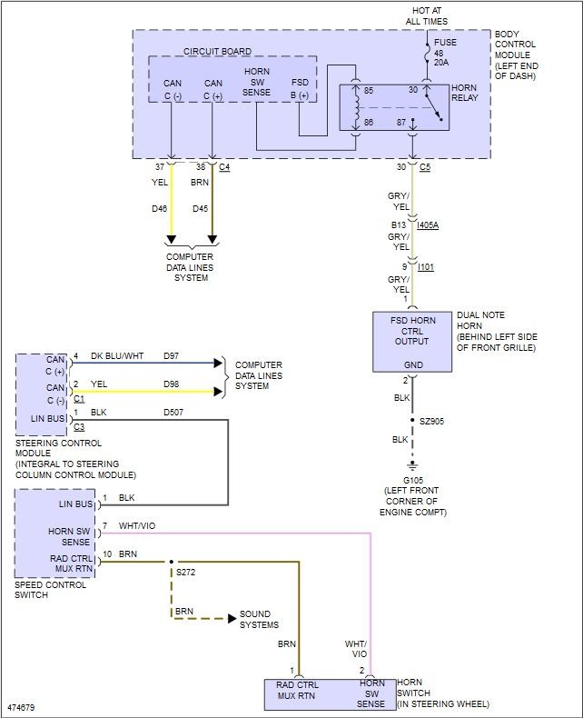
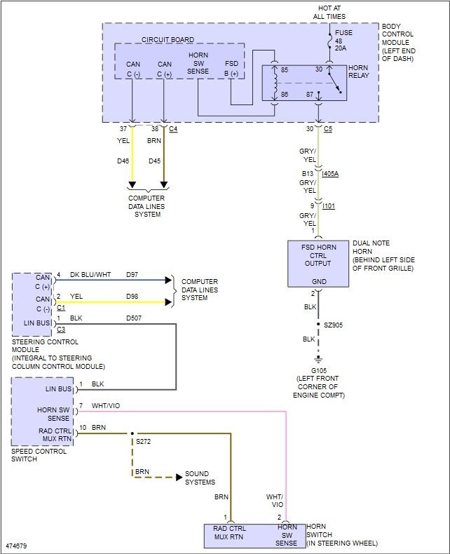
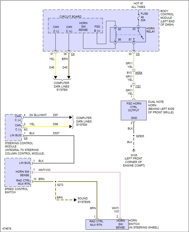
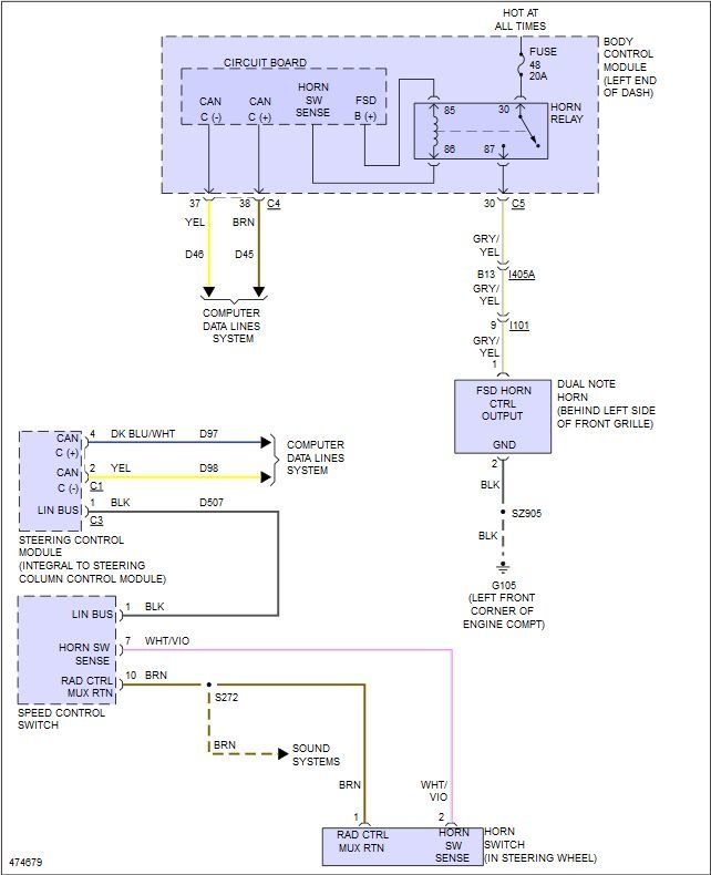
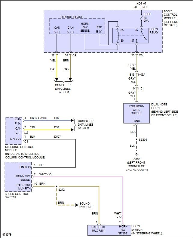
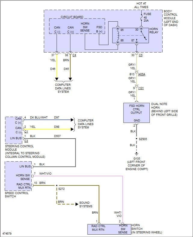
The relay is in the body control module. Test the horn module and the wiring to it, they like to fail.
Image (Click to make bigger)
Was this
answer
helpful?
Yes
No
+1
Wednesday, May 10th, 2017 AT 5:32 AM
GIUGGIOLA
MEMBER
1 POST
Thanks for this post I had this problem it has the horn cost me $87.00 I love this site
Was this
answer
helpful?
Yes
No
Thursday, June 27th, 2019 AT 2:53 PM
Please
login
or
register
to post a reply.
Ask a Car Question. It's Free!
How to Use a Test Light
Steering Wheel Removal
Airbag Removal - Drivers Side