Turn headlights off and the horn runs continuously

Tiny
TOWMATER2
  • MEMBER
  • 2002 MITSUBISHI LANCER
  • 2.0L
  • 4 CYL
  • 2WD
  • AUTOMATIC
  • 150,000 MILES
I just replaced the alternator, now when I turn my headlights off the horn runs continuously.
Friday, January 3rd, 2020 AT 6:29 PM

1 Reply

Tiny
KASEKENNY
  • MECHANIC
  • 18,907 POSTS
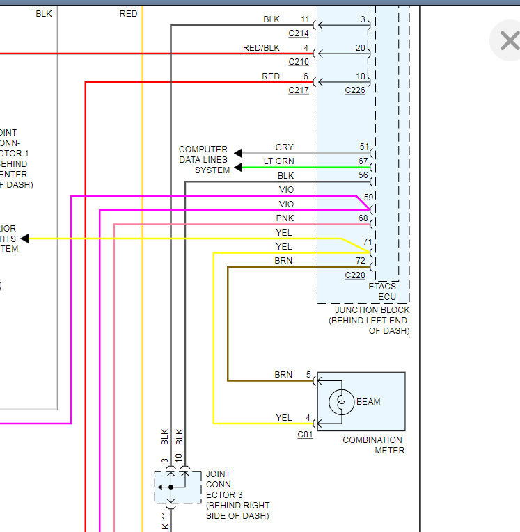
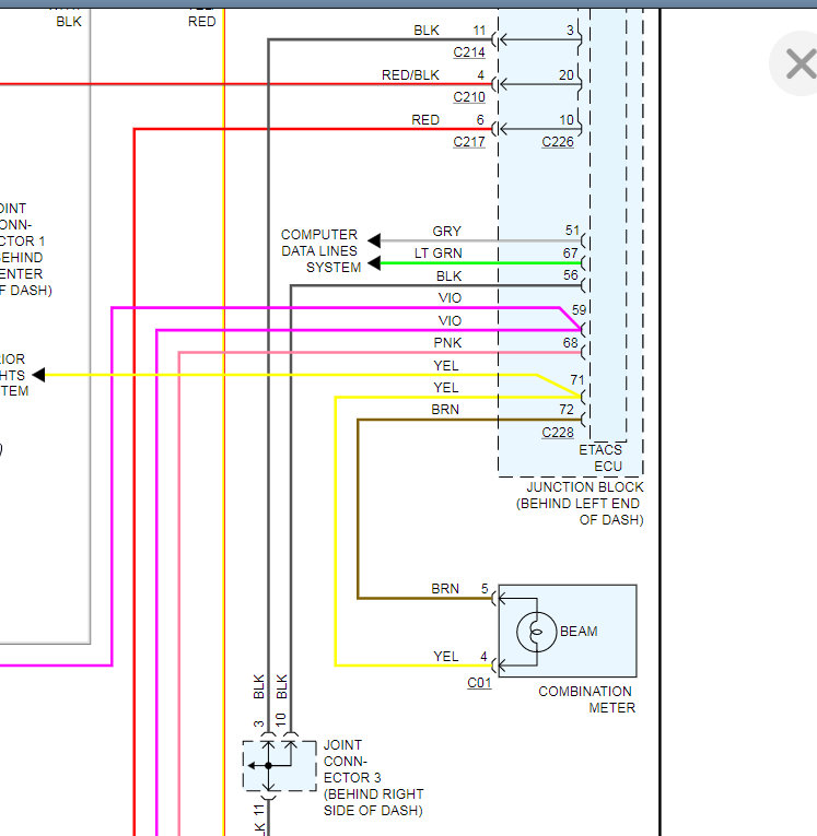
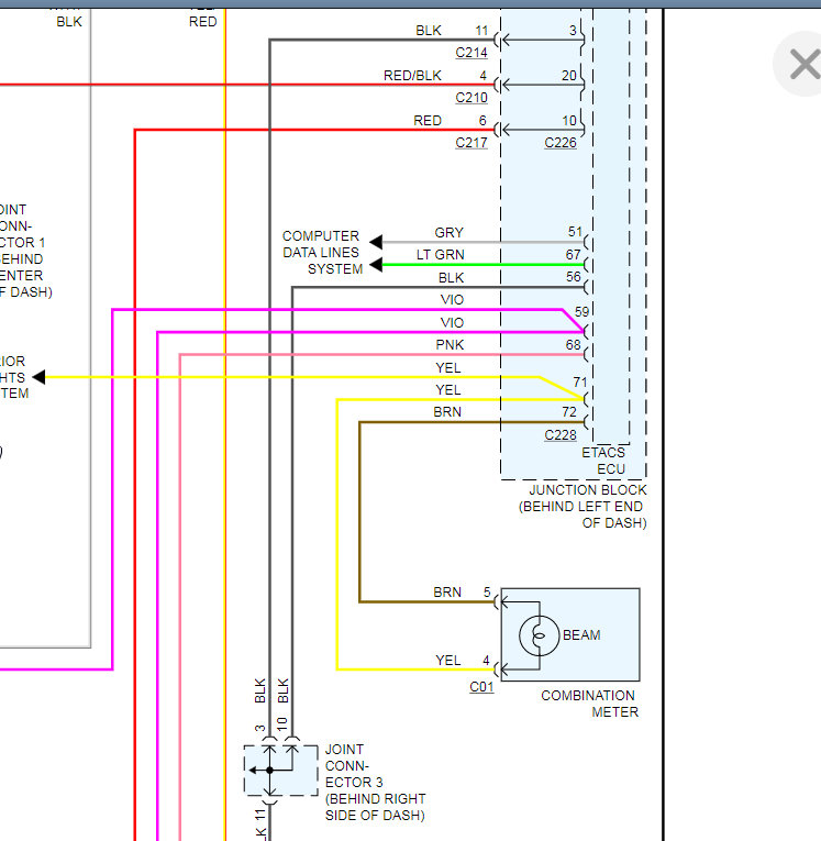
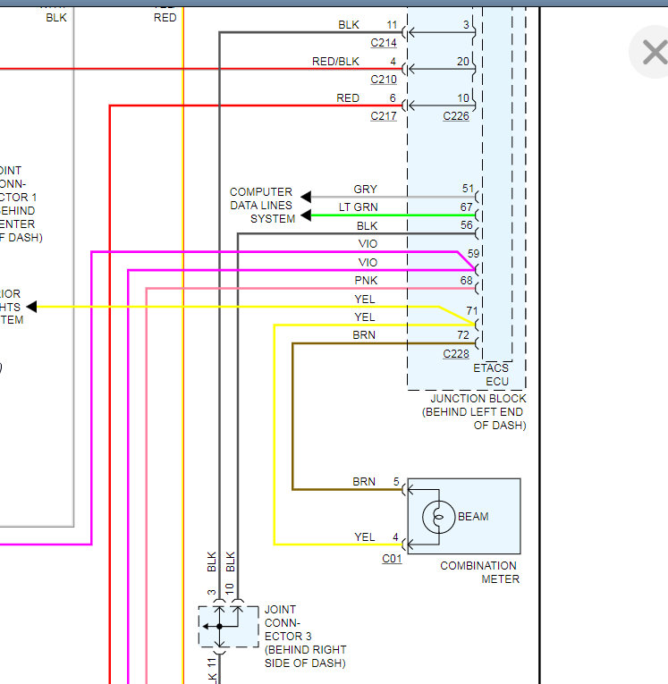
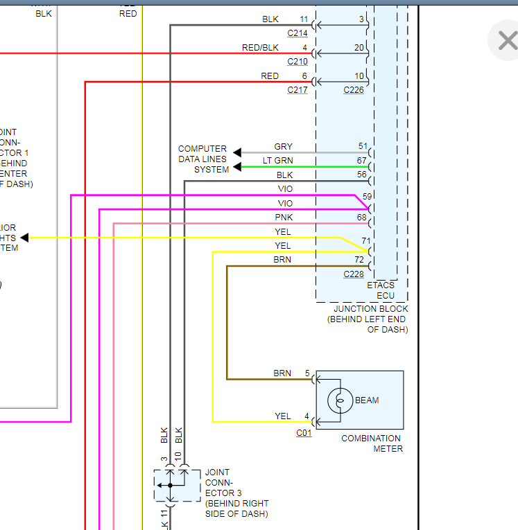
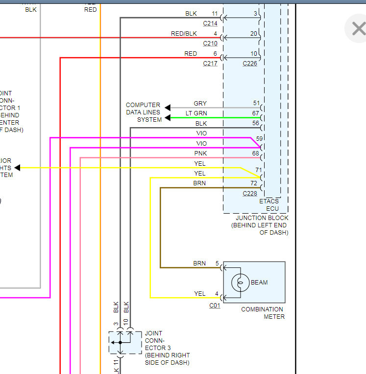
I don't think this has anything to do with the alternator currently. Meaning I don't think the alternator is the cause of this. Maybe something happened when installing it but I don't think it is causing the issue currently. I suspect there is a wiring issue or maybe something with the junction block as the head light switch and horn signal run through the junction block. I would suggest removing the headlamp switch and jumping the red wire to the violet, pink, and yellow/red wire and see which one the horn blows on. If none then the switch is the issue. However I don't think this is the issue. I suspect you will find it only blows on one of the wires. If it does then you need to trace that wire. If it blows on all three then the junction block is most likely the issue because each of these run into the circuit board of the junction block.

Let me know what questions you have.
Was this
answer
helpful?
Yes
No
Saturday, January 4th, 2020 AT 6:48 PM

Please login or register to post a reply.