What are the benefits of a system like that over a system where there is dual exhaust?

Tiny
MINDIMUDD
  • MEMBER
  • 2001 HONDA S2000
  • 4 CYL
  • 2WD
  • MANUAL
  • 130,000 MILES
My honda has one exhaust outlet that splits to tail pipes what are the benefits of a system like that over a system where there is dual exhaust?
Tuesday, September 7th, 2010 AT 12:01 PM

1 Reply

Tiny
SQM
  • MECHANIC
  • 6,383 POSTS
Hello,

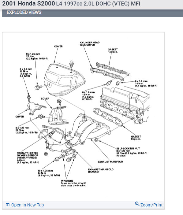
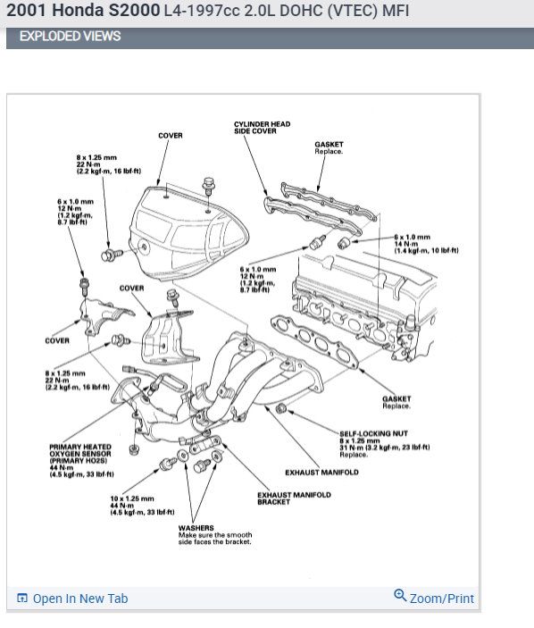
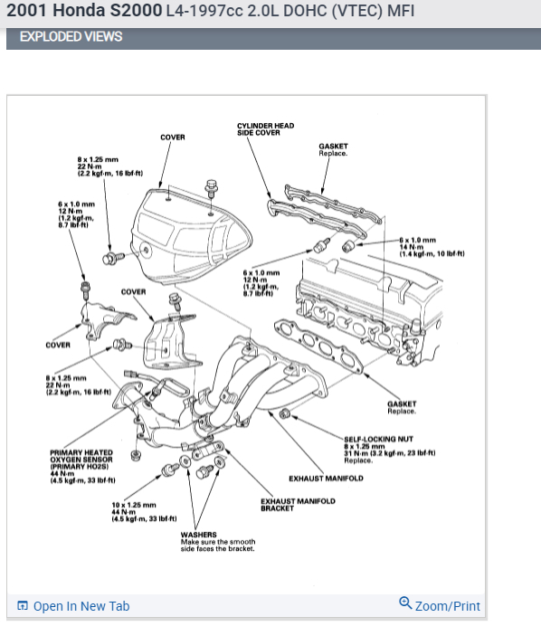
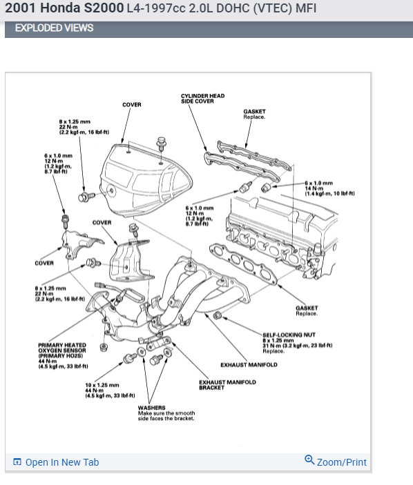
Any given vehicle's exhaust is designed to achieve the desired back pressure to produce the torque and power that the manufacture claims.
So, your S2000 is tuned to perform from the factory with that specific exhaust setup.

Also keep in mind that in a 4-cylinder engine you cannot really have dual exhaust. As to be dual exhaust you will need to have two exhaust manifolds. Like in a V6 or V8 engines.

https://www.2carpros.com/articles/how-exhaust-systems-work

Please let me know if you have any questions.
Thank you.
Was this
answer
helpful?
Yes
No
Monday, December 20th, 2021 AT 7:52 PM

Please login or register to post a reply.