HOME
ASK A QUESTION
REPAIR GUIDES
BECOME A MEMBER
LOG IN
Login with Facebook
OR
Remember me
NOT A MEMBER?
FORGOT PASSWORD?
CONTACT US
PRIVACY POLICY
TERMS AND CONDITIONS
☰
Home
Honda
Pilot
Interior
Radio
Not Working
Radio not working
JDUBB41
MEMBER
2006 HONDA PILOT
6 CYL
2WD
AUTOMATIC
94,000 MILES
Total loss of power to audio, video and center console fuses are good any suggestions?
Thursday, August 5th, 2010 AT 3:36 PM
4 Replies
KHLOW2008
MECHANIC
41,814 POSTS
Hi Jdubb41,
Was anything done prior to this occuring?
Check the Accessory Power Socket relay in passenger underdash fusebox.
Was this
answer
helpful?
Yes
No
Thursday, August 5th, 2010 AT 3:57 PM
FORSHE211
MEMBER
1 POST
Just had the same problem with my '07 pilot. What did you find?
Was this
answer
helpful?
Yes
No
Saturday, April 16th, 2011 AT 10:26 PM
ALICIA CASS
MEMBER
2 POSTS
Check for foreign metallic object in the round power outlet
Was this
answer
helpful?
Yes
No
Tuesday, September 5th, 2017 AT 1:22 AM
KEN L
MASTER CERTIFIED MECHANIC
54,144 POSTS
Great addition to this thread! Please feel free to help out whenever you are on the site :)
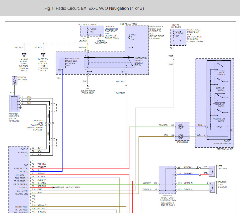
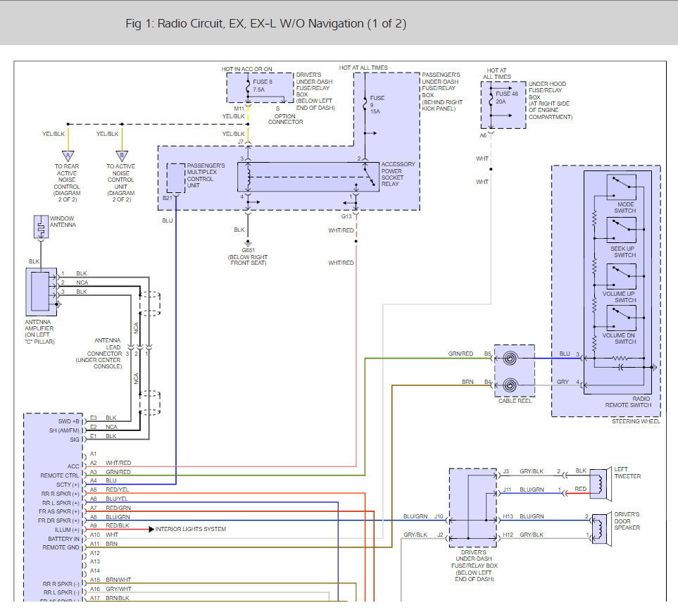
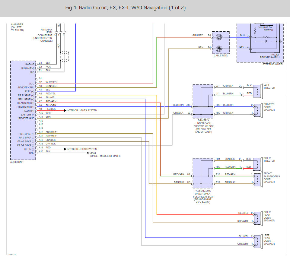
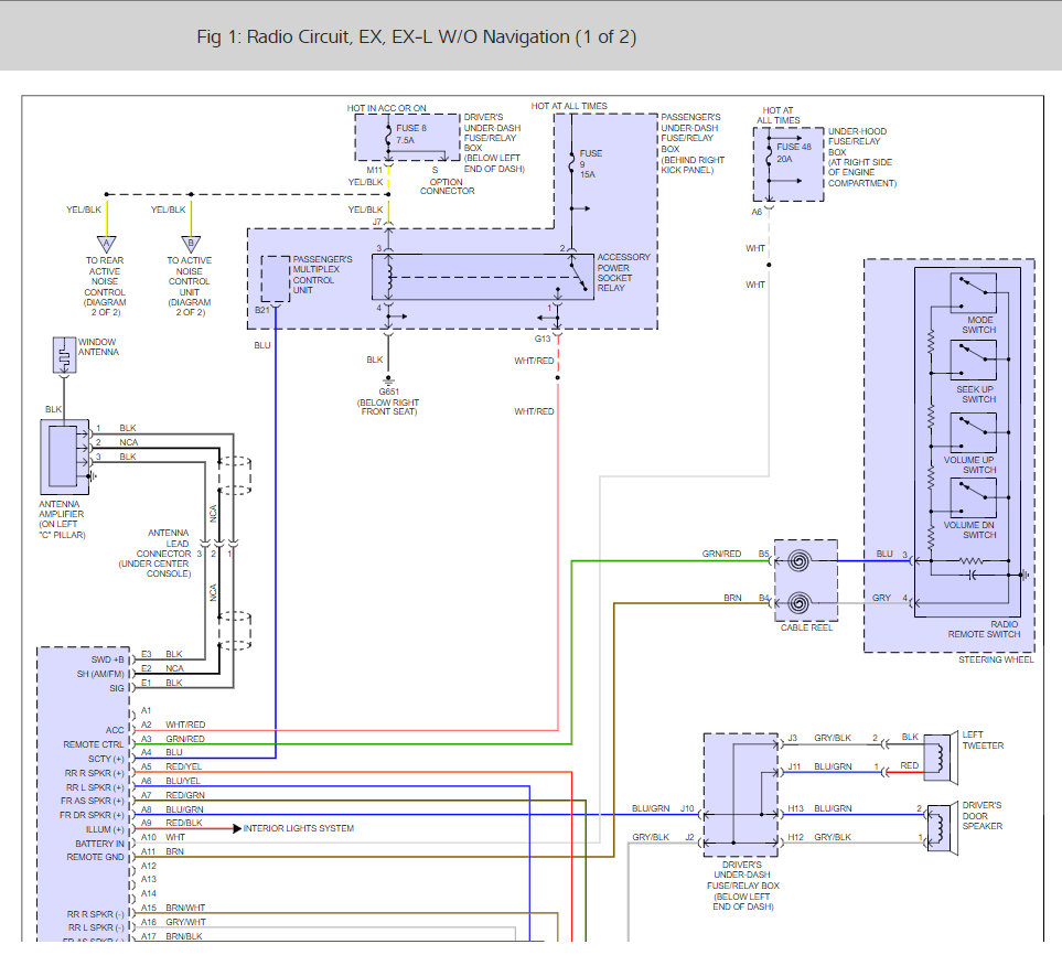
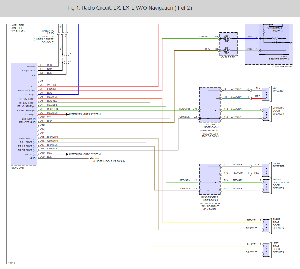
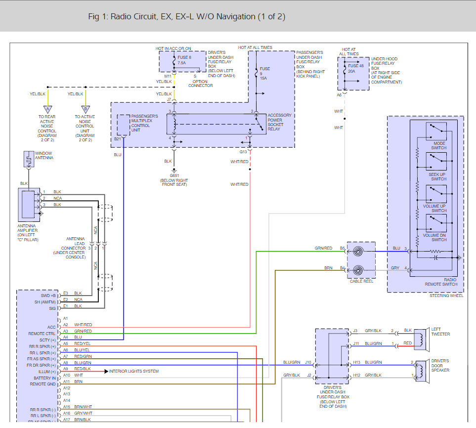
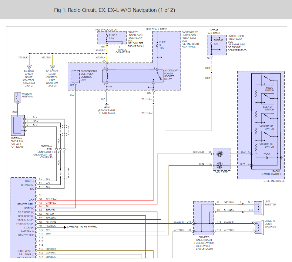
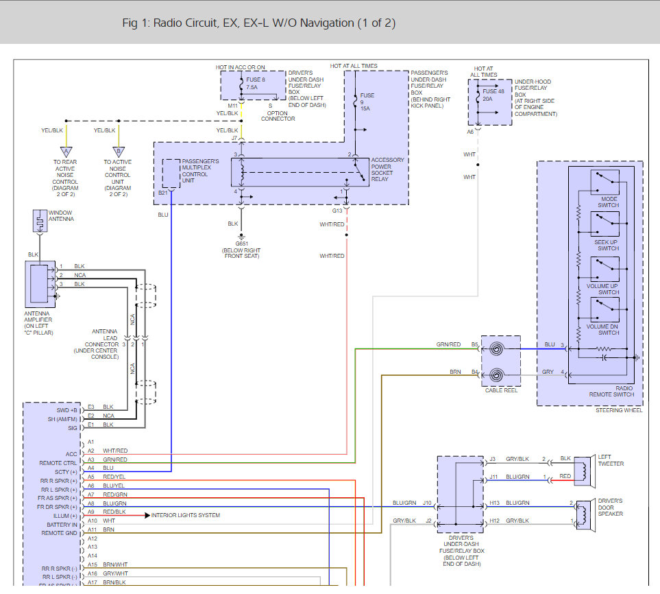
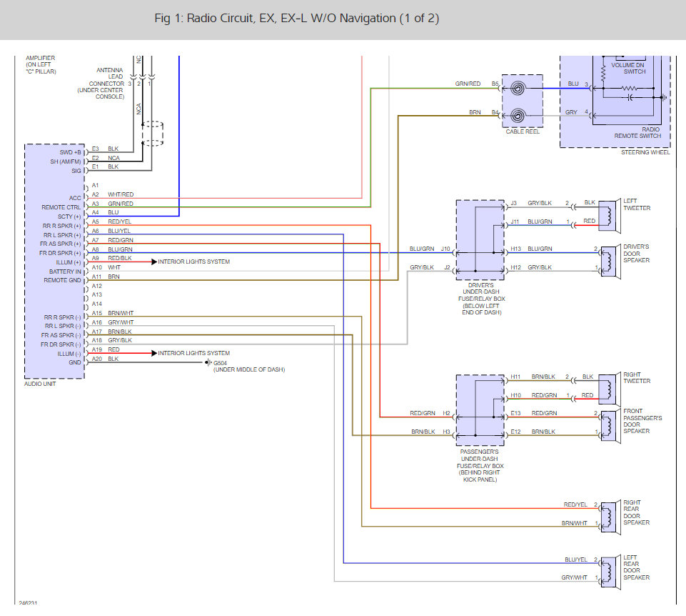
Here is a wiring diagram and a guide so we can do some testing, there is an accessory relay that sounds like it is bad.
https://www.2carpros.com/articles/how-to-check-an-electrical-relay-and-wiring-control-circuit
and
https://www.2carpros.com/articles/how-to-use-a-test-light-circuit-tester
Please let us know what happens.
Cheers, Ken
Images (Click to make bigger)
Was this
answer
helpful?
Yes
No
Wednesday, September 6th, 2017 AT 11:23 AM
Please
login
or
register
to post a reply.
Related Radio Not Working Content
Went To Start Car This Am. Dooris Wouldnt Unlock Via...
Went To Start Car This Am. Dooris Wouldnt Unlock Via Remote. Tried The Secind Remote, Same Problem. Manually Unlocked Car And When Turned...
Asked by
Anonymous
·
1 ANSWER
2004
HONDA PILOT
Am Radio Static When Ignition Is Switched On.
Am Radio Static 1. Turn On Ignition Prior To Starting. Buzz In Am Radio Signal. 2. Start Engine. More Buzz In Am Radio Signal. Result...
Asked by
bellarosaartist
·
1 ANSWER
2003
HONDA PILOT
Power Outlets Are Not Working
I Dropped A Dime In To The Power Outlet In The Middle Console. When I Pulled It Out It Sparked And Now The Radio Does Not Work And The Power...
Asked by
kburrell
·
1 ANSWER
14 IMAGES
2006
HONDA PILOT
Hard Gas Pedal On Honda Pilot
I Have A 2007 Honda Pilot And The Gas Pedal Does Not Have Much Give, Only About An Inch And When I Press The Gas It Goes But Slowly.
Asked by
kluna1210
·
3 ANSWERS
2007
HONDA PILOT
2007 Honda Pilot Cruse Control
My Cruse Control Does Work And Does Maintain The Speed At Which I Set It. However When The Car Needs To Excel Rate To Maintain Speed, The...
Asked by
frankmallen
·
3 ANSWERS
2007
HONDA PILOT
VIEW MORE
Ask a Car Question. It's Free!
How to Use a Test Light
Airbag Removal - Drivers Side
Window Switch Replacement and Test