The turning signal and hazard sounds, back up camera alerts all muted?

Tiny
FLIGHTS5628
  • MEMBER
  • 2022 HONDA ODYSSEY
  • 37,000 MILES
Hello!

I have the vehicle listed above Touring that the turning signal, hazard lights and also back up camera alert sounds all don’t function!

I’m assuming it’s a problem with a fuse, but I’m not sure as I don’t have schematics!

Any help would be appreciated!
Tuesday, November 12th, 2024 AT 8:04 AM

18 Replies

Tiny
KEN L
  • MASTER CERTIFIED MECHANIC
  • 55,499 POSTS
The warning systems all go through the BCM which might be having an issue, I would disconnect the battery overnight to help reboot the system. Also, check fuse # 34 and fuse EA in the fuse panel on the left side of the dash.

Here is a guide to help:

https://www.2carpros.com/articles/how-to-check-a-car-fuse

If the fuses are good and the battery disconnection does not work, I would run a CAN scan. You can get a CAN scanner (Controller Area Network) which will work on most cars from Amazon.

Here is a video to show you how:

https://youtu.be/u-4syLc-ifQ

Here are the fuse locations to help you. Check out the images (below). Please let us know what happens. Here are the warning system wiring diagrams so you can see how the system works.
Was this
answer
helpful?
Yes
No
+1
Tuesday, November 12th, 2024 AT 5:21 PM
Tiny
FLIGHTS5628
  • MEMBER
  • 12 POSTS
Wow. Amazing response.
Thank you!
Will try today and get back to you!
Was this
answer
helpful?
Yes
No
Wednesday, November 13th, 2024 AT 3:27 AM
Tiny
KEN L
  • MASTER CERTIFIED MECHANIC
  • 55,499 POSTS
You are welcome :) let me know what happens.
Was this
answer
helpful?
Yes
No
+1
Wednesday, November 13th, 2024 AT 8:27 AM
Tiny
FLIGHTS5628
  • MEMBER
  • 12 POSTS
I went under the dash and tested the 2 fuses you mentioned #34 and “a”. Both were fine. I then went to the legend at the side of the car and saw 2 20-amp fuses named audio amp. Looked at their sockets and both were empty. So naturally I went and bought 2 20-amp fuses and replaced them. Still nothing lol I also noticed that the rear side door for the passengers doesn’t make a sound either. Maybe another fuse is bad? Or missing?

For reference I’ve added all the other fuse holders under dash.
Was this
answer
helpful?
Yes
No
Wednesday, November 13th, 2024 AT 2:05 PM
Tiny
FLIGHTS5628
  • MEMBER
  • 12 POSTS
Just wanted to repeat the problem again:
All the functions of the car appear to work perfectly. Only problem is no sound alerts from what seems like behind the steering wheel (for when I use my turning signals or backup camera, or side sliding door). My car radio audio is fine. The sound adjustment for Bluetooth works as well as other settings- I can hear them just fine.
Was this
answer
helpful?
Yes
No
Wednesday, November 13th, 2024 AT 2:09 PM
Tiny
FLIGHTS5628
  • MEMBER
  • 12 POSTS
Also, my car alarm seems to function just fine!

Could it be just the speaker is bad at the dash?
Was this
answer
helpful?
Yes
No
Wednesday, November 13th, 2024 AT 5:03 PM
Tiny
KEN L
  • MASTER CERTIFIED MECHANIC
  • 55,499 POSTS
Thanks for the images. The sounds alerts come from the radio speakers, and since you say the radio works, I think the BCM has gone out, but we should do the CAN scan now which should report a code for the BCM to confirm the issue. Please go over my first post to see how to do the scan. Here is how to replace the BCM which you can get a preprogrammed unit by searching Google or Ebay in case a code is present for it. Check out the images (below). Let us know how it goes.
Was this
answer
helpful?
Yes
No
+1
Thursday, November 14th, 2024 AT 10:01 AM
Tiny
FLIGHTS5628
  • MEMBER
  • 12 POSTS
Hi,
Thanks for your reply.
You believe that turning signal sounds come from the radio speakers? I thought there was a speaker behind the steering wheel that makes the dedicated sounds for turning signals and other alerts.
Was this
answer
helpful?
Yes
No
Thursday, November 14th, 2024 AT 10:32 AM
Tiny
KEN L
  • MASTER CERTIFIED MECHANIC
  • 55,499 POSTS
Sorry, I guess they do have a small speaker integrated into the instrument cluster which is driven by the radio. Here is what is said:

"The warning chimes typically originate from the vehicle's audio system, specifically through a small speaker or sound transducer located behind the dash or integrated into the instrument cluster."

This should have come up in the CAN scan.

So, it looks like this sound transducer has gone out inside the cluster which will need to be swapped out, you can get a preprogrammed unit by searching Google or Ebay. Here is how to swap the cluster out to help fix the problem. Check out the images (below). Please let us know what happens.
Was this
answer
helpful?
Yes
No
+1
Friday, November 15th, 2024 AT 9:18 AM
Tiny
FLIGHTS5628
  • MEMBER
  • 12 POSTS
Wow.
Thank you so much!

Before I order and re-program the new cluster, I wanted to check the transducers wires to see if they read a resistance, or if they are open. Would you by any chance have the wiring schematics for the sound transducer in the dash? And. If the wires go to where all the fuse boxes are under the steering wheel? I’m thinking maybe something happened to one of the pins or something was disconnected.

Thank you again for all your help.
I really appreciate you!
Was this
answer
helpful?
Yes
No
Friday, November 15th, 2024 AT 11:23 AM
Tiny
FLIGHTS5628
  • MEMBER
  • 12 POSTS
I will try to run a CAN scan as well today!
Was this
answer
helpful?
Yes
No
Friday, November 15th, 2024 AT 11:24 AM
Tiny
KEN L
  • MASTER CERTIFIED MECHANIC
  • 55,499 POSTS
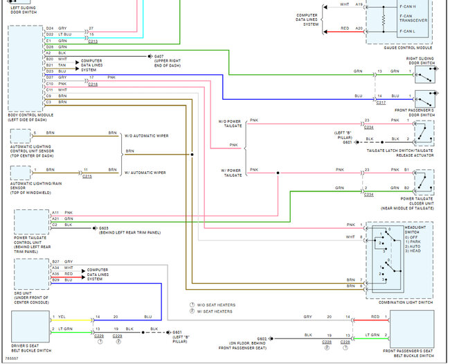
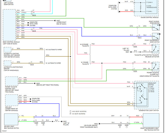
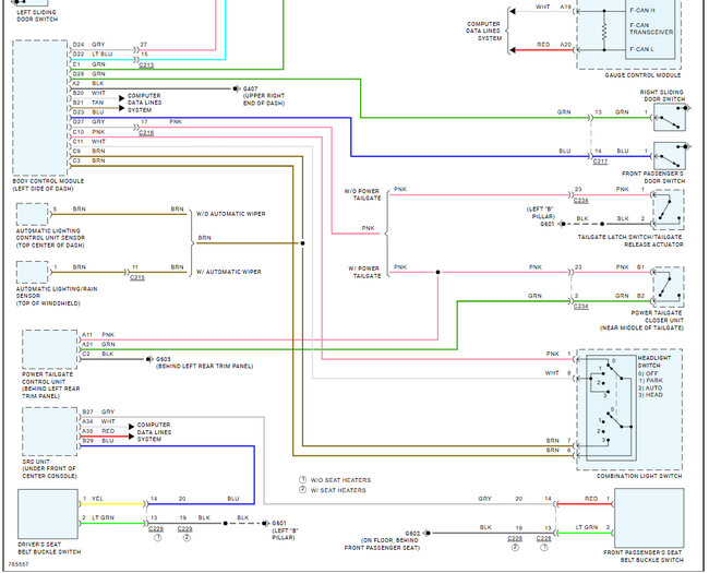
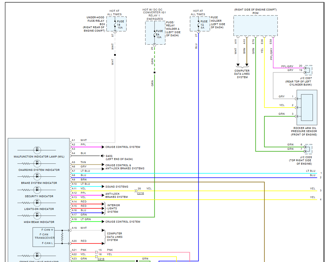
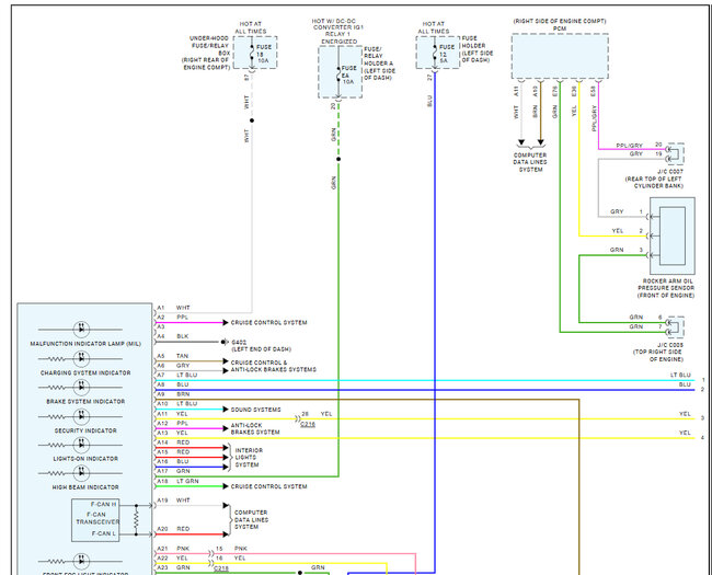
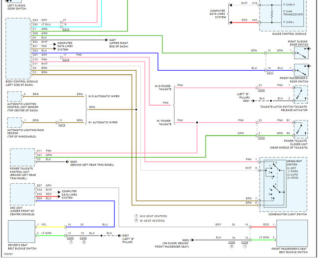
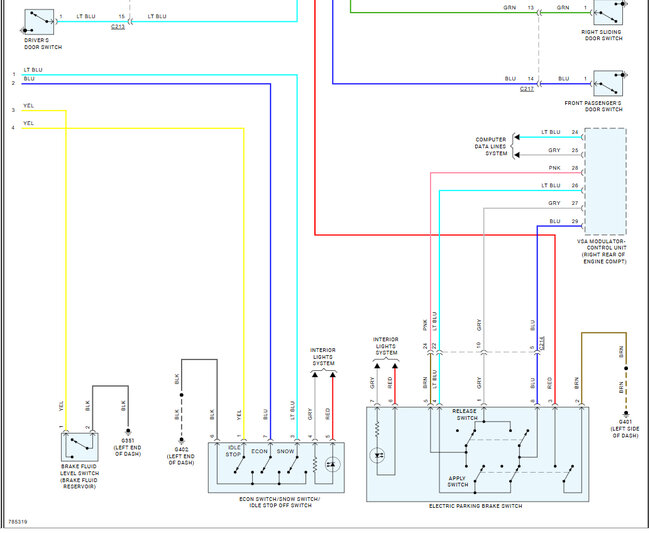
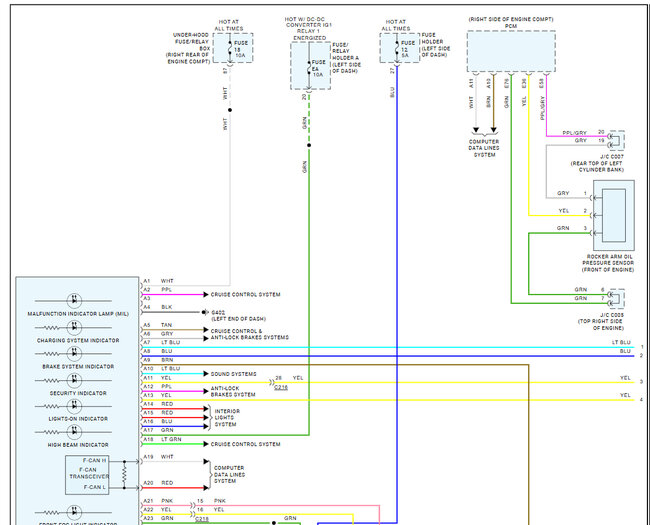
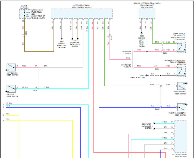
I don't have the circuit board diagram, but I do have the wiring diagrams for the cluster if that can help. Check out the images (below). Let us know how it goes.
Was this
answer
helpful?
Yes
No
+1
Saturday, November 16th, 2024 AT 9:39 AM
Tiny
FLIGHTS5628
  • MEMBER
  • 12 POSTS
Thank you, my friend.
Was this
answer
helpful?
Yes
No
Saturday, November 16th, 2024 AT 9:51 AM
Tiny
KEN L
  • MASTER CERTIFIED MECHANIC
  • 55,499 POSTS
You are welcome, have a good weekend!
Was this
answer
helpful?
Yes
No
+1
Saturday, November 16th, 2024 AT 9:54 AM
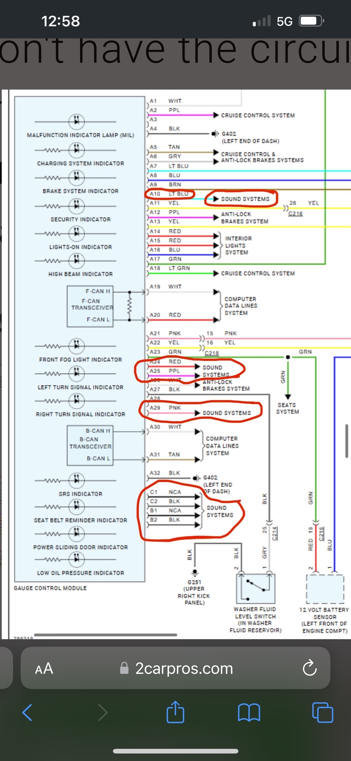
Tiny
FLIGHTS5628
  • MEMBER
  • 12 POSTS
Hi,

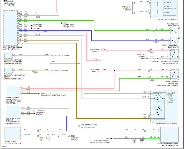
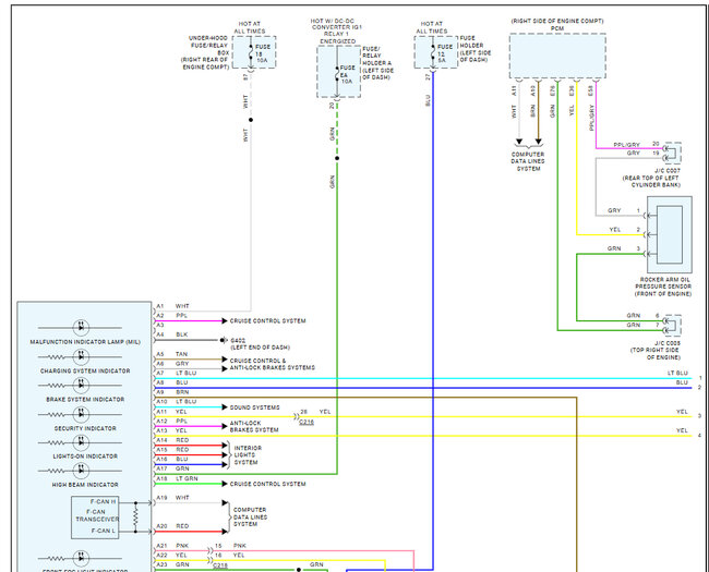
I looked at the wiring diagrams and I see 4 places that the gauge has a wire running to sound systems. Unfortunately, it just says the wire goes to “sound systems”. Do you by chance have the wiring diagram of the sound system that comes from the cluster? I’ve attached the photo you sent me circled in red all the points of mention of “sound systems”.

Thanks again
Was this
answer
helpful?
Yes
No
Saturday, November 16th, 2024 AT 10:03 AM
Tiny
FLIGHTS5628
  • MEMBER
  • 12 POSTS
Here is the photo.
Was this
answer
helpful?
Yes
No
Saturday, November 16th, 2024 AT 10:05 AM
Tiny
KEN L
  • MASTER CERTIFIED MECHANIC
  • 55,499 POSTS
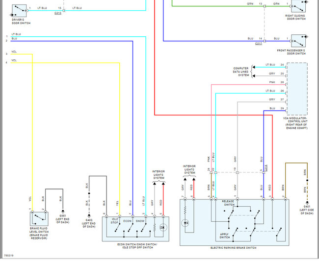
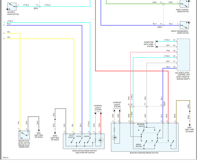
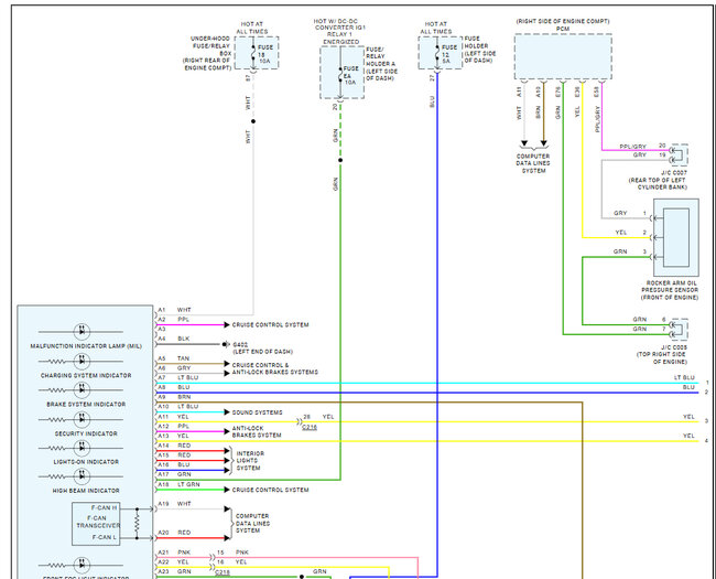
Sure, here is the sound system wiring diagrams, Check out the images (below). Please let us know what happens.
Was this
answer
helpful?
Yes
No
+1
Monday, November 18th, 2024 AT 9:28 AM
Tiny
FLIGHTS5628
  • MEMBER
  • 12 POSTS
Thank you!
Was this
answer
helpful?
Yes
No
Monday, November 18th, 2024 AT 9:32 AM

Please login or register to post a reply.