Cruise control problems

Tiny
BRIANT97
  • MEMBER
  • 2002 HONDA CRV
  • 4 CYL
  • AWD
  • AUTOMATIC
  • 63,000 MILES
Cruise control will not work. The light does not come on when cruise control is turned on and it will not engage cruise control.
Monday, July 26th, 2010 AT 1:20 PM

2 Replies

Tiny
KHLOW2008
  • MECHANIC
  • 41,814 POSTS
Hi briant97,

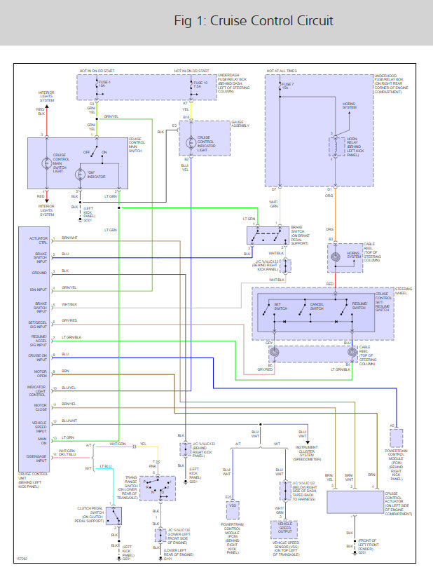
Check fuse # 4 ( 10 A ) in under dash fuse/relay box first. If that is okay the problem usually is in the clock spring under the steering wheel but to be sure here is the wiring diagrams and a guide to help you test the system to confirm the failure;

https://www.2carpros.com/articles/how-to-check-wiring

and

https://www.2carpros.com/articles/steering-wheel-clock-spring-removal

Check out the diagrams (below). Please run some tests and get back to us.

Cheers
Was this
answer
helpful?
Yes
No
Wednesday, July 28th, 2010 AT 10:00 AM
Tiny
TWOOFUS
  • MEMBER
  • 0 POST
I had this problem and the dealer replaced the clock spring for $370.00 I wish I saw this post first, DOH!
Was this
answer
helpful?
Yes
No
Wednesday, June 20th, 2018 AT 2:26 PM

Please login or register to post a reply.