Wednesday, September 11th, 2024 AT 1:19 PM
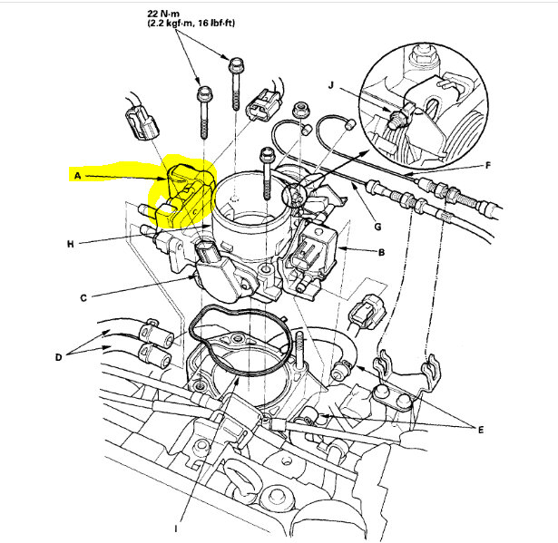
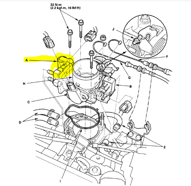
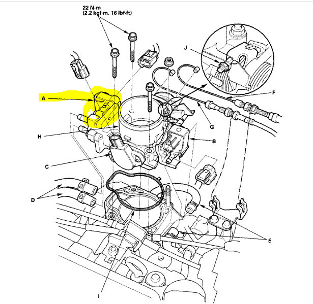
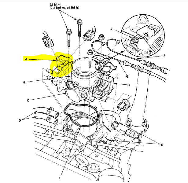
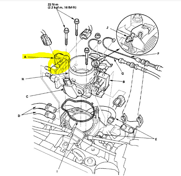
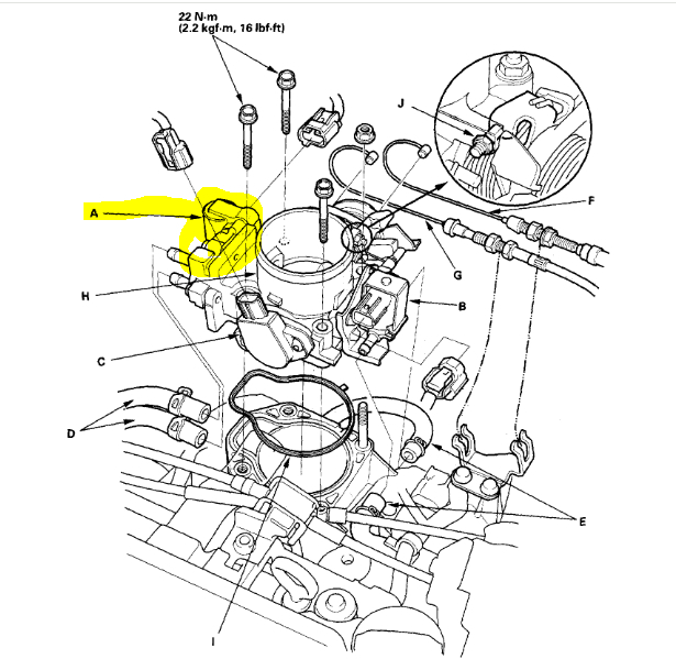
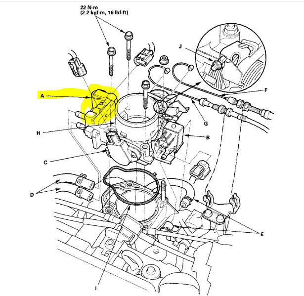
I have the car listed above EX and there are two issues. One randomly stalls at stops or red lights but no check engine. The second problem is when I'm driving it feels like the gear is slipping, I'll be at 3,000 RPMs and it will instantly drop to like 1.5 and go back. The engine light shows and goes away during the rpm fluctuation. The car jerks during this and all this happens at random times.






