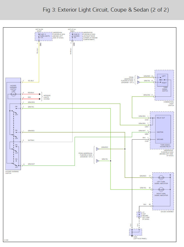
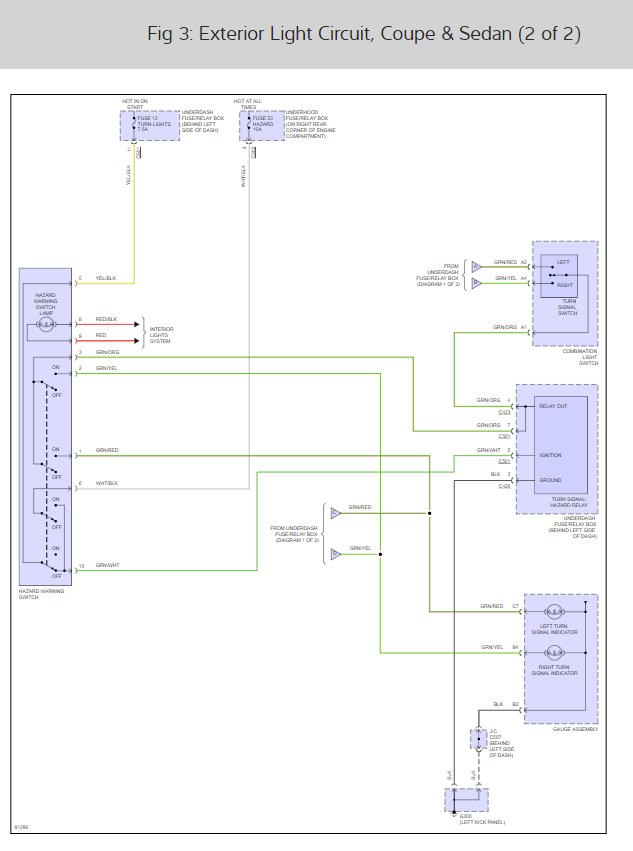
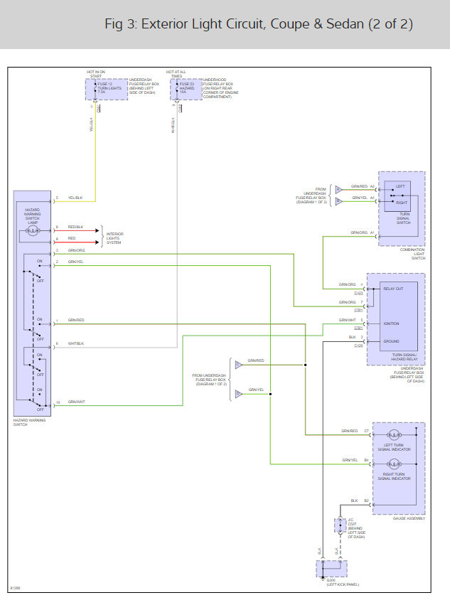
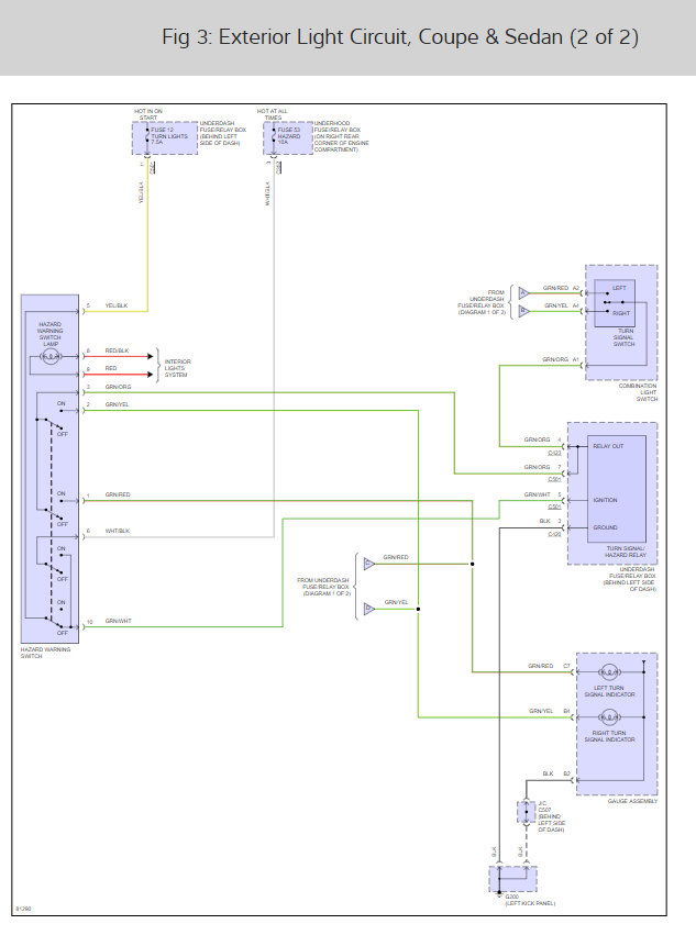
Tuesday, April 25th, 2006 AT 7:28 PM
I have a 96 honda civic hx. The problem is my parking lights does'nt lit up both front and rear, but if I turn the signal lights on or the hazard on it works. It lit's up. It blink's both front and rear. I check the fuses under dash I change some new fuses for turn signal and starter signal but stil it does'nt work for the parking ligths. Please help me with this thank you.










