Hello,
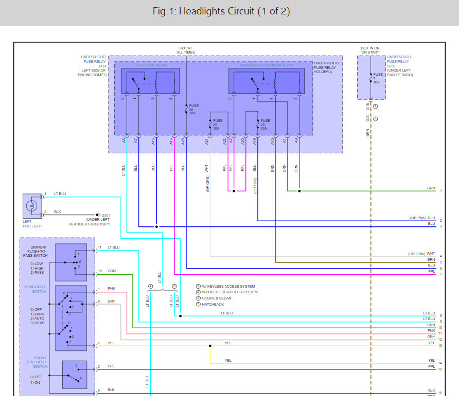
The driver side highlight flashes randomly, it can happen while car is on or off.
The frequency is inconsistent it happens very randomly.
I've attached a short video.
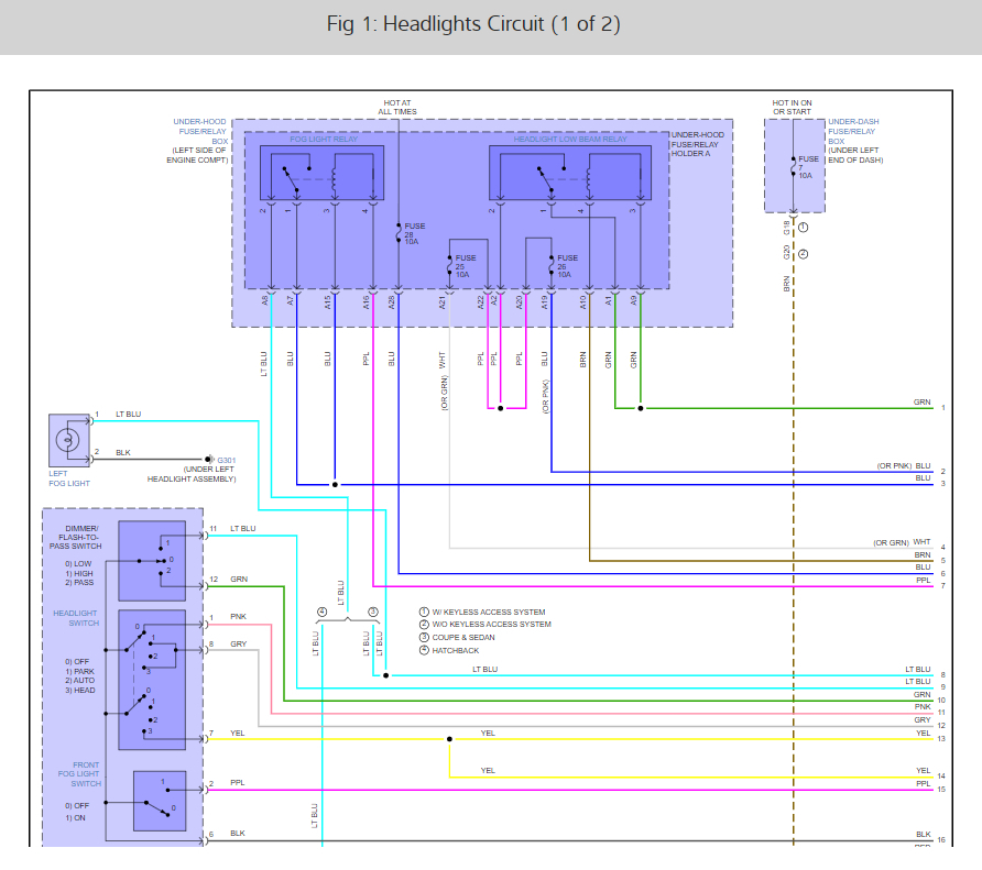
The driver side highlight flashes randomly, it can happen while car is on or off.
The frequency is inconsistent it happens very randomly.
I've attached a short video.
Jun 20, 2022 at 10:59 AM









