Saturday, April 11th, 2009 AT 10:59 AM
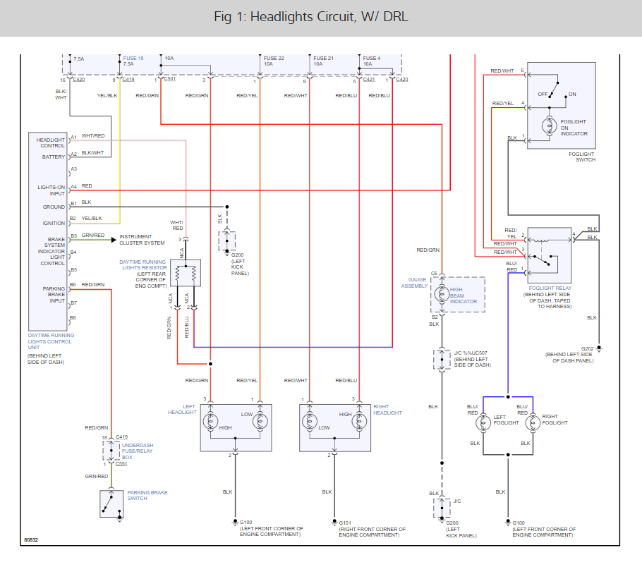
My son's Civic has no right high beam and the DRL's do not work. I would like to look at the DRL module, can you tell me where it is located? Also, is the DRL relay interchangeable with another relay in the sysgtem to check that possibility out?


