Saturday, December 15th, 2007 AT 10:20 AM
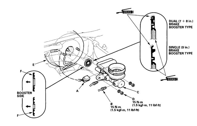
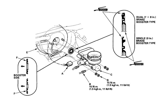
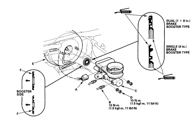
Im trying to change my master cylinder do I just unbolt the lines and take out the cylinder and connect the lines to the new master cylinder do I have to use any special tools for any reason and is ther procedure to bleed the brakes ok thanks




