Monday, July 12th, 2010 AT 7:30 PM
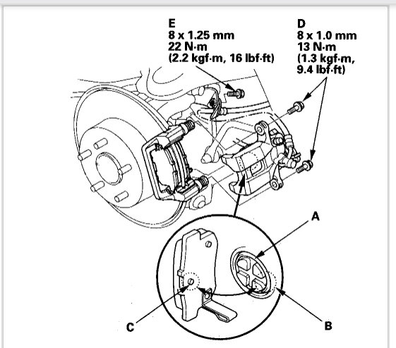
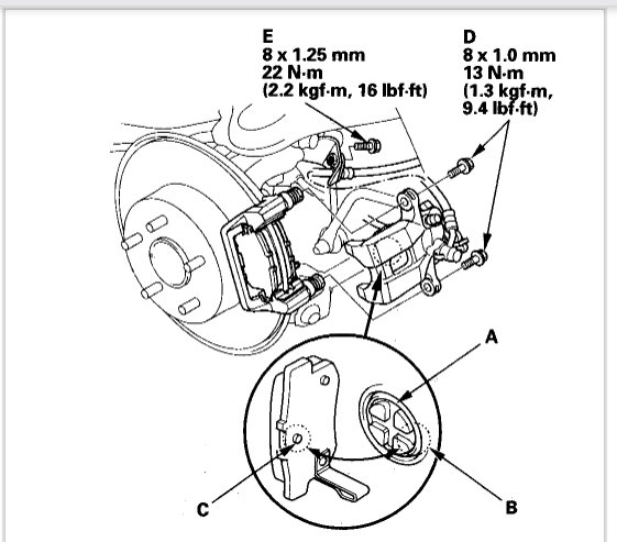
I started changing the rear brake pads on my car, and everything was going good until I tried to compress the caliper piston. I used a C clamp with all my might, but was unable to get it to even budge. I tested to see if it was stuck by pushing down on the emergency brake lever arm on the back of the caliper and the piston moved outward (compressed), so it's not stuck. I'm not sure what the problem is. Any ideas? Is there a check valve somewhere that I need to open? I'm confused because when I did the front brake pads, I had no problem at all.












