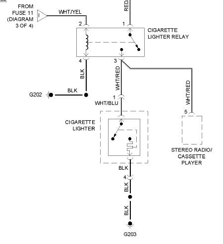
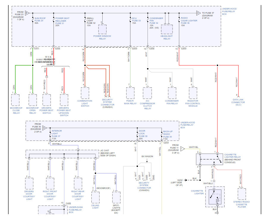
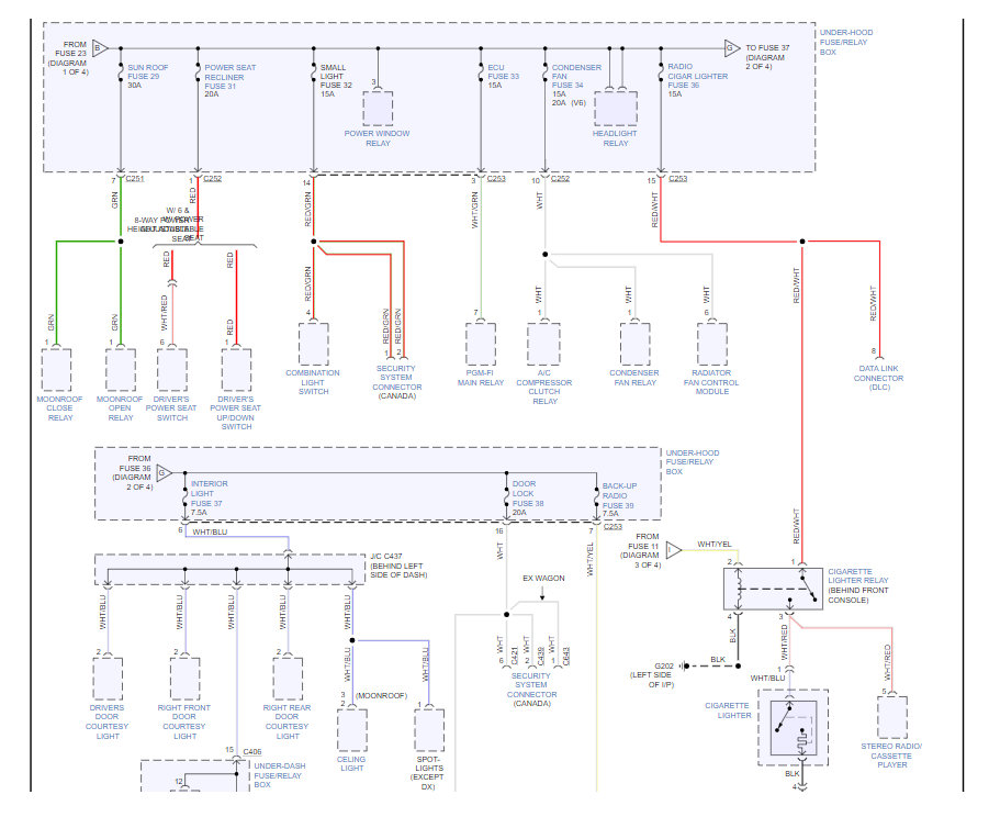
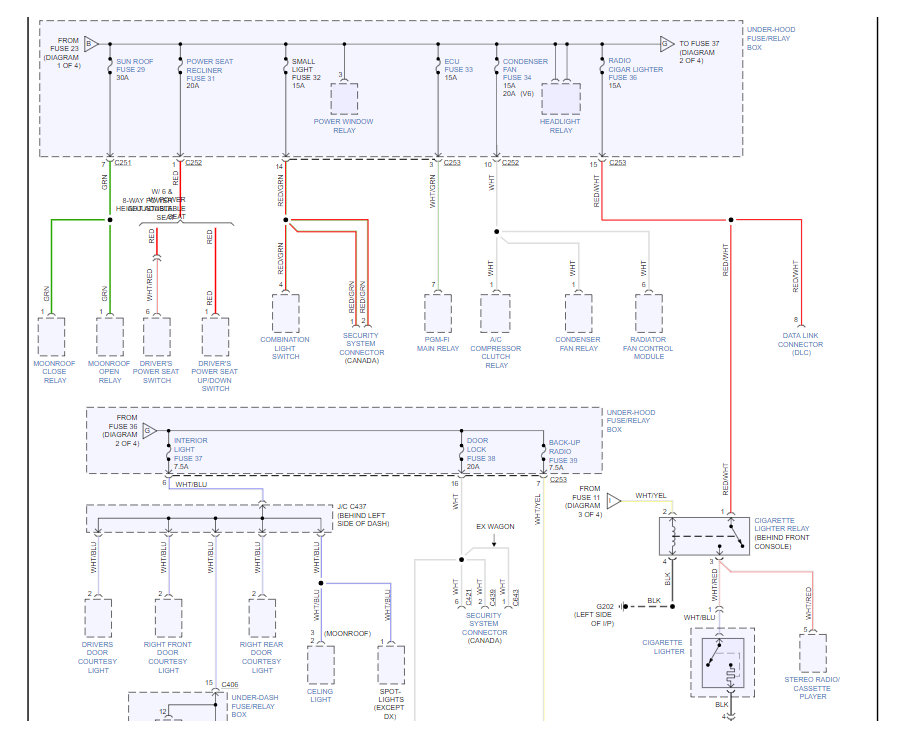
Friday, December 26th, 2008 AT 9:42 PM
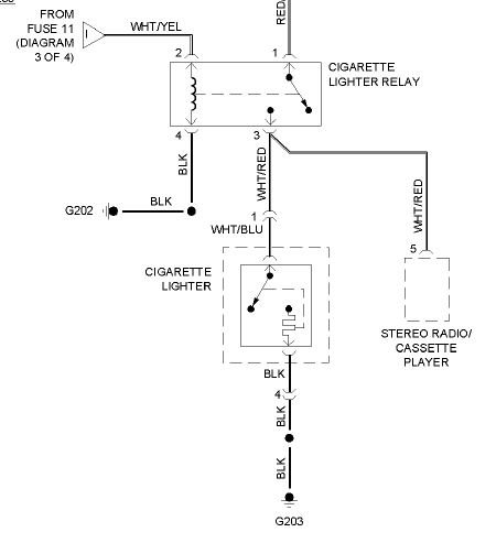
I was plugging into the cigarette lighter to get power for my iPod when the LED indicator suddenly dimmed off---no more power access but the car starts, drives and the CD/radio plays OK. Hmmm. There was no UFO around. What could be wrong? Thanks a lot!






