1994 Honda Accord WINDSHIELD WIPER MOTOR RELAY

Tiny
RJEFFERSON422
  • MEMBER
  • 1994 HONDA ACCORD
  • 4 CYL
  • FWD
  • AUTOMATIC
  • 175,000 MILES
Where is the windshield wiper motor relay switch located on a 1994 Honda Accord?
Saturday, April 3rd, 2010 AT 3:17 PM

4 Replies

Tiny
RJEFFERSON422
  • MEMBER
  • 3 POSTS
Thank you for the info kng1818.
Was this
answer
helpful?
Yes
No
-1
Sunday, April 4th, 2010 AT 7:11 PM
Tiny
KEN L
  • MASTER CERTIFIED MECHANIC
  • 55,512 POSTS
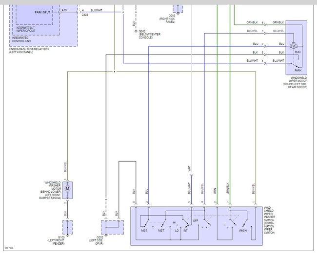
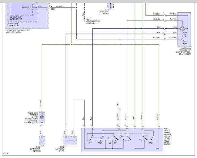
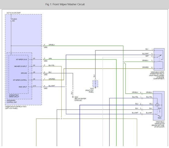
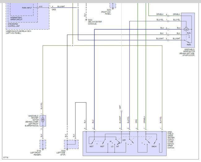
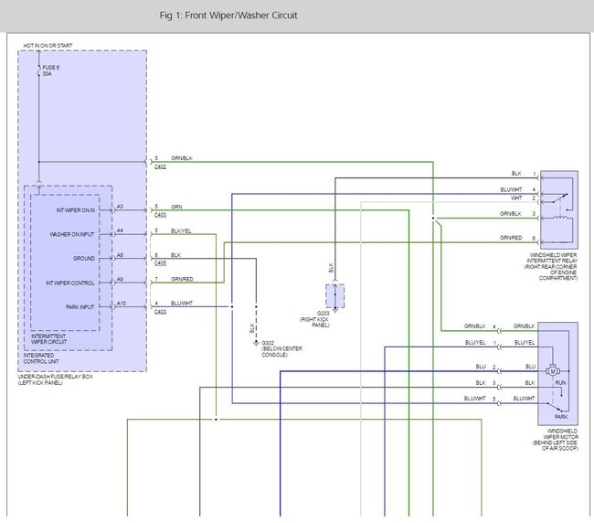
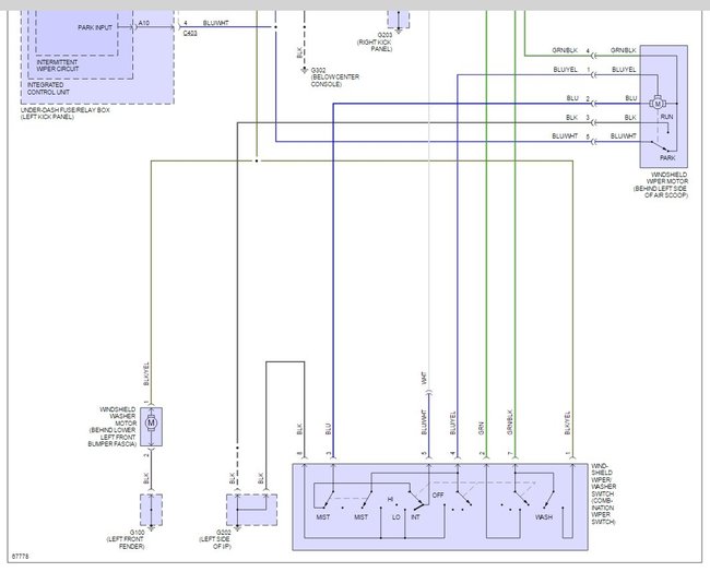
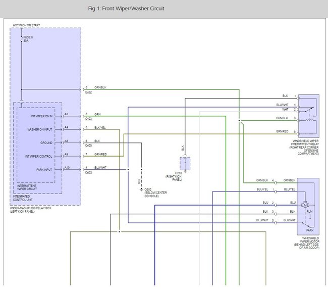
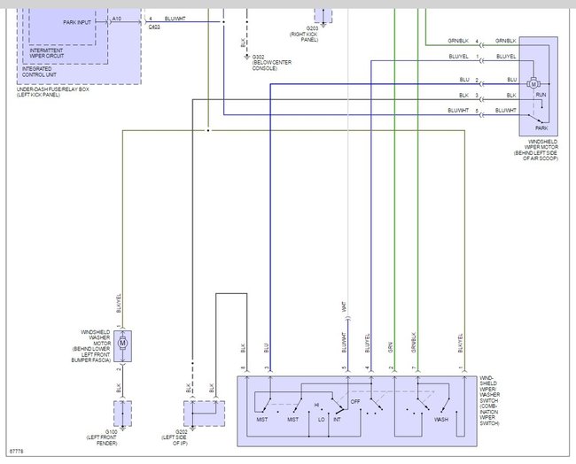
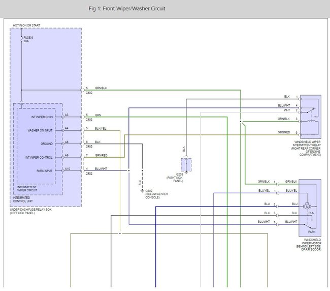
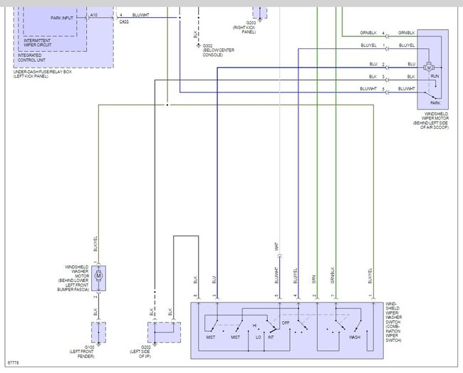
The windshield wiper relay is located under the hood fuse box between the fuse box and the cruise control actuator.

Here is a wiring diagram and the location so you can get the problem fixed.

Please let me know if you need anything else.

Best, Ken
Was this
answer
helpful?
Yes
No
+7
Tuesday, January 10th, 2017 AT 12:50 PM
Tiny
PMONEY3D
  • MEMBER
  • 1 POST
  • 1994 HONDA ACCORD
1994 Honda Accord

Is there a built in "Check Home Status" within the motor that tells the system when the wipers are back in the home position? If there is, can it be located by a certain voltage level from one of the pins on the motor's terminal plug in?
Was this
answer
helpful?
Yes
No
+2
Tuesday, January 10th, 2017 AT 12:51 PM (Merged)
Tiny
BMRFIXIT
  • MECHANIC
  • 19,053 POSTS
Park switch and its part of the motor
Was this
answer
helpful?
Yes
No
+1
Tuesday, January 10th, 2017 AT 12:51 PM (Merged)

Please login or register to post a reply.