High Voltage at Battery

Tiny
MARKSKI05
  • MEMBER
  • 2005 DODGE CARAVAN
  • 3.6L
  • 6 CYL
  • 2WD
  • AUTOMATIC
  • 180,000 MILES
Hello,
The dash gauges and the digital mileage readings on my caravan would spontaneously flash and move erratically. Sometimes the radio would go off and the chime in the car (like if you left your keys in) would sound off. I replace the PCM (it was flashed by the Supplier, as I gave them my VIN). After I replaced the PCM, I measured the voltage when the car was running and got roughly 17.8 to 18 V. Is that normal for this make/model (2005, Dodge Caravan, 3.6L)? By the way, the gauges stopped fluctuating, but now I'm wondering if I am going to fry my new PCM and battery and instrument cluster. Thank you
Monday, October 21st, 2019 AT 11:45 AM

2 Replies

Tiny
SCGRANTURISMO
  • MECHANIC
  • 4,897 POSTS
Hello,

What was on in your vehicle when you took the voltage reading? If the radio A/C, lights, etc. were on then this reading is not out of the of the ordinary. It takes more voltage going to the battery than the battery voltage plus what is being consumed by the vehicle in order for the battery to charge. Your vehicle's PCM is fused so if there is too much amperage flowing to the PCM or a power spike, or a short to ground than the fuse protecting the PCM circuit will melt causing an open in the circuit and stopping the electrical current from reaching the PCM. Here is a link for you to go to:

https://www.2carpros.com/articles/how-to-check-a-car-alternator

I hope this helps.

Thanks,
Alex
2CarPros
Was this
answer
helpful?
Yes
No
+1
Monday, October 21st, 2019 AT 4:16 PM
Tiny
CARADIODOC
  • MECHANIC
  • 34,467 POSTS
I have to respectfully disagree, 18 volts is way too high. That is going to boil the water out of the battery and destroy it, and incorrect supply voltage can confuse computers.

The first thing to do is verify the voltmeter is working properly. I have over a dozen digital meters, and two do not read DC voltage correctly. If using an auto-ranging meter, my first suspicion is there's a poor connection with one of the probes, and, as I have done with a friend's auto-ranging meter, I failed to noticed it had switched to the millivolts scale. Next, measure the battery voltage with the engine not running. If you find 14 or more volts, blame the meter. The battery is not capable of supplying that much voltage. If the battery is good and fully-charged, you should find 12.6 volts.

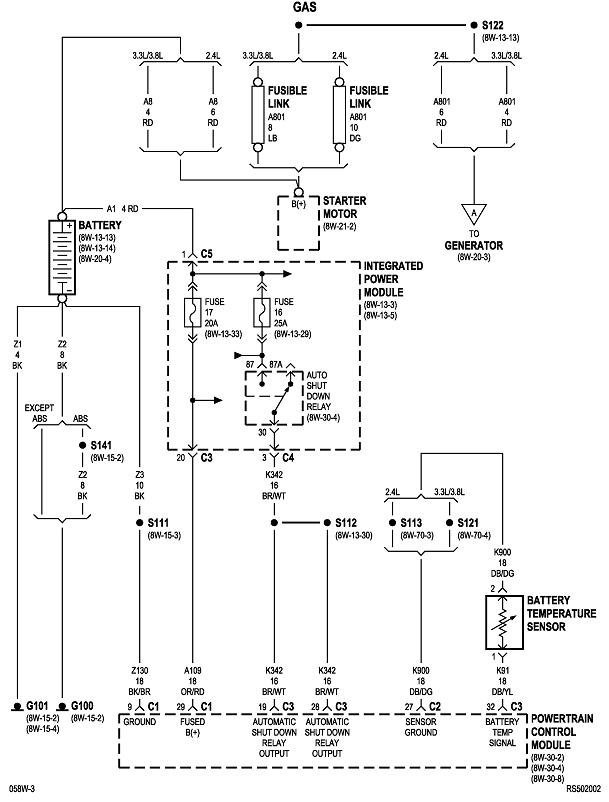
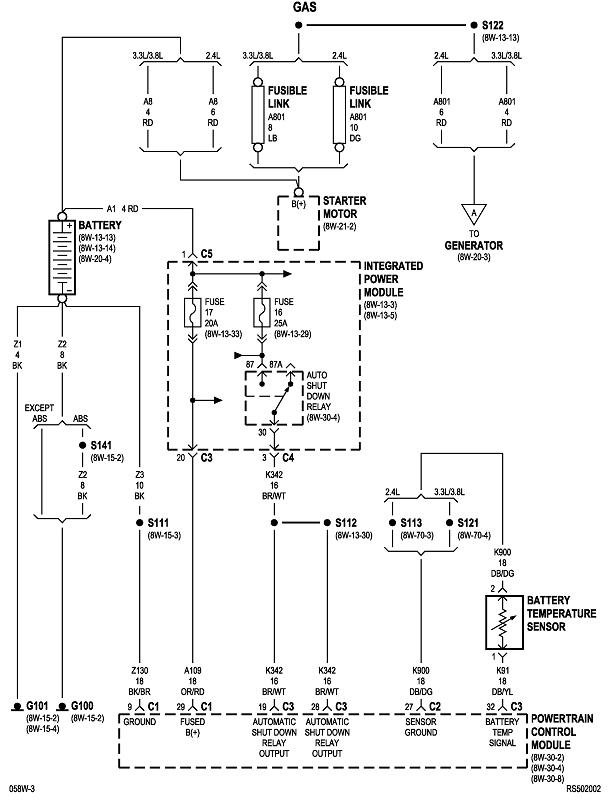
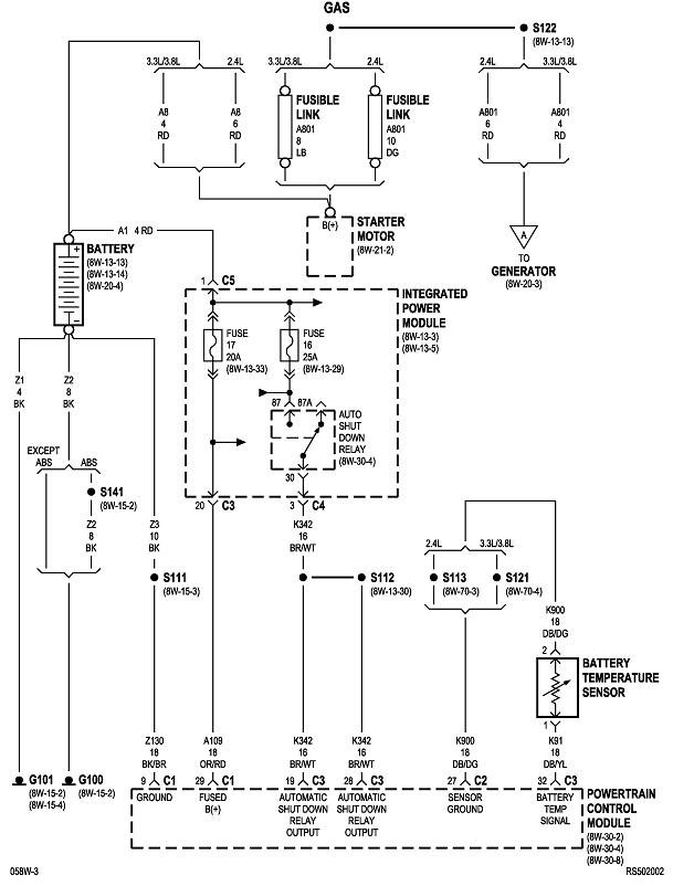
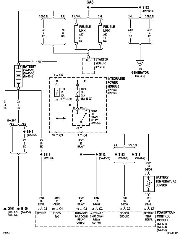
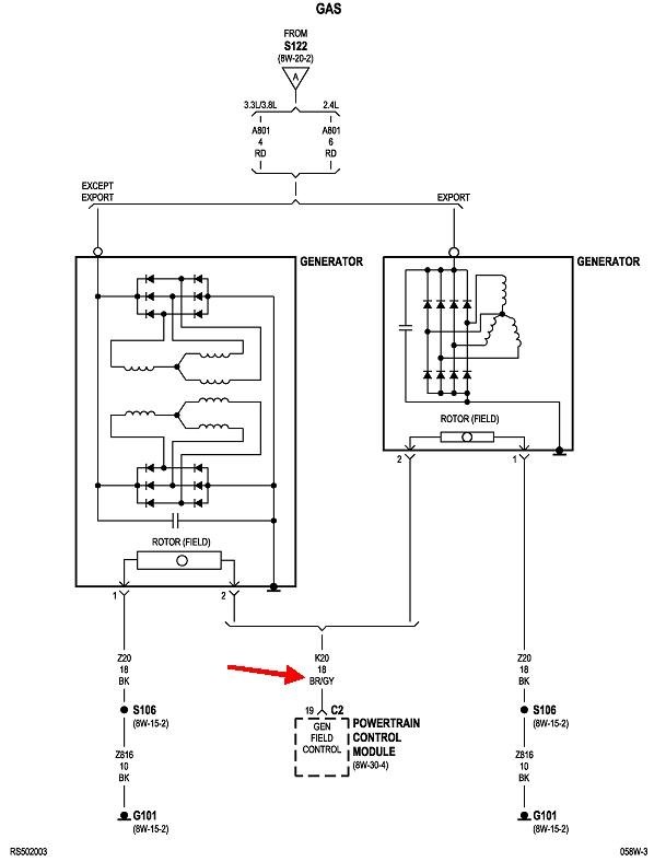
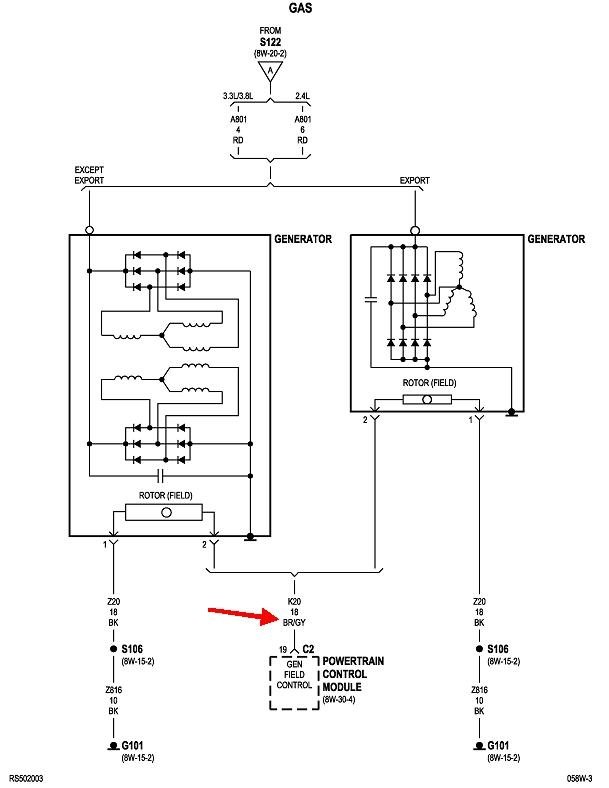
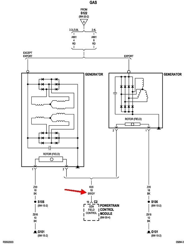
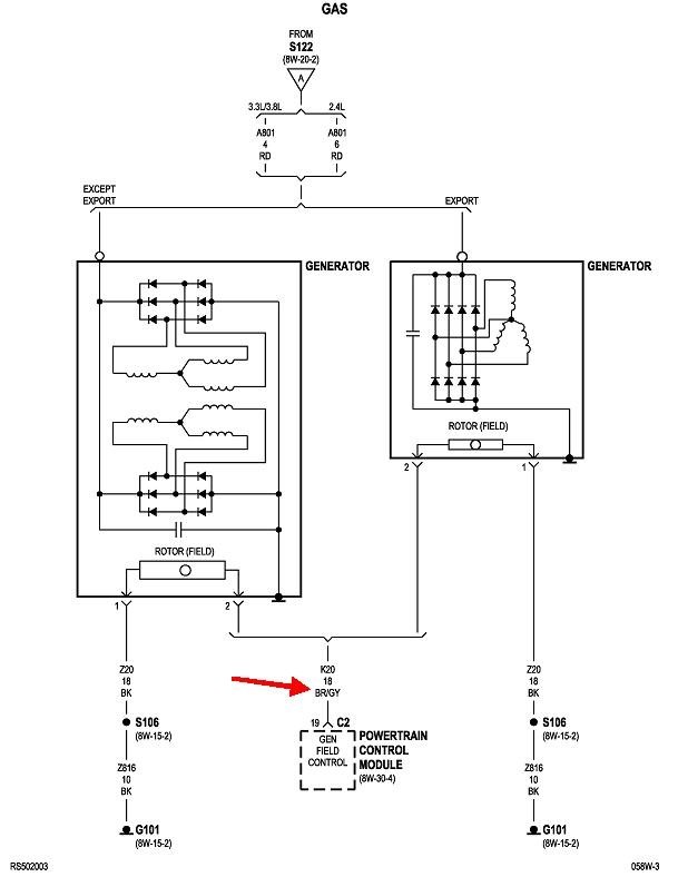
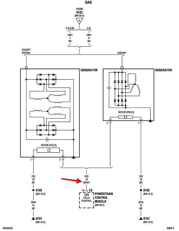
If it looks like you really are getting significantly more than the specified 13.75 to 14.75 volts, you'll need an oscilloscope if you want to do more involved testing. The field circuit is supplied with a digital signal that switches on and off around 250 times per second. The ratio of on-time to off-time is varied to adjust the alternator's output current to meet the needs of the electrical system. The Engine Computer is able to bump that all the way up to a 100 percent duty cycle, but that would be extremely uncommon, and it wouldn't last very long. You can also try to read the average voltage on the brown / gray wire, (red arrow), but you most likely will just see the voltmeter display jumping around erratically. That's because it takes a reading, analyzes it, then displays it while it takes the next reading. One reading might be taken when the supply voltage drops to 0 volts, and the next reading could be taken when it's at full voltage. For this type of test you'll get a more valuable indication with a test light. That will average out the signal, then you can compare the light's brightness to when it's connected right to the battery.

If you do find a 100 percent duty cycle or the test light is very bright all the time, suspect the voltage regulator circuitry in the new Engine Computer is shorted. That isn't real common, but that is a better suspect than the only other cause. That would be a break in the wire the computer senses system voltage on. That is one of the other two or three 12-volt feeds to the computer, but the wire that voltage is sensed on is also the feed for other circuits and systems run by the computer. That means if the sensing wire had a break, there should be other things that aren't working, and I'd expect to find multiple diagnostic fault codes.

You can read the fault codes yourself by cycling the ignition switch from "off" to "run" three times within five seconds, without cranking the engine, leave it in "run", then watch the code numbers appear in the odometer display. You can go here:

https://www.2carpros.com/trouble_codes/obd2/p0400

to see the code definitions, or we can interpret them for you. Chrysler uses a fault code for "Field circuit not switching properly" when there is no current flow to the field winding in the alternator, and when the field circuit never switches off.

This would be a good time to pop the original Engine Computer back in, then recheck your findings. Be aware that if there are any fault codes in the Engine Computer, those should always be read first, before disconnecting the battery or unplugging the computer. Either action will remove memory power from the computer, then those fault codes will be erased and that valuable information will be lost.
Was this
answer
helpful?
Yes
No
+1
Monday, October 21st, 2019 AT 8:28 PM

Please login or register to post a reply.