Thursday, July 13th, 2023 AT 8:01 AM
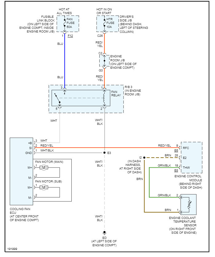
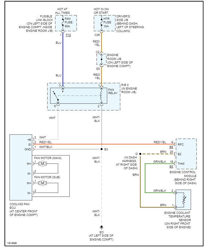
Vehicle has new water pump, thermostat housing, thermostat, aluminum radiator and cap. When idling, temperature rises well over operational (above 3/4 mark). Radiator fans do not hold high speed when temperature gets to operational (1/2 mark). Radiator fans engage on high speed briefly and suddenly disengage to normal speed although temperature keeps raising. Engine compression test passed. Vehicle lowers temperature when accelerated. Fan relay terminals 1 and 2 do not have continuity when pulled out of the box but do when installed and battery connected. I guess it is an “Normally Open Relay”? Might be the relay or the Coolant Temperature Sensor? Any help or suggestions will be greatly appreciated. Thanks in advance.




