Wednesday, March 27th, 2019 AT 4:50 PM
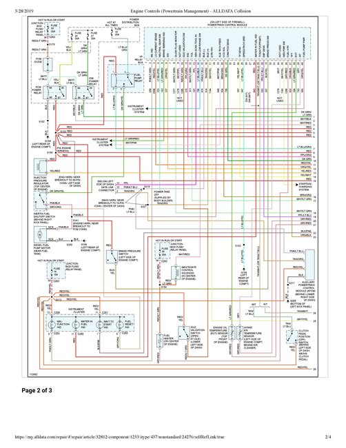
Hello, I have the truck listed above Super Duty 4X4 it has the 7.3L turbo diesel. I was driving it when the truck suddenly shut off and now after playing the guessing game I found out that the high pressure pump wasn't kicking on. So I had it tested and it tested fine. So I put it back on the truck and still no power. So I jumped a hot off of the battery and the pump runs as long as I keep the hot jumped to it. I have already tested fuses and can't see any visible breaks in the wiring going to the pump and I am running out of guesses. Please help!




