Monday, August 28th, 2023 AT 6:33 PM
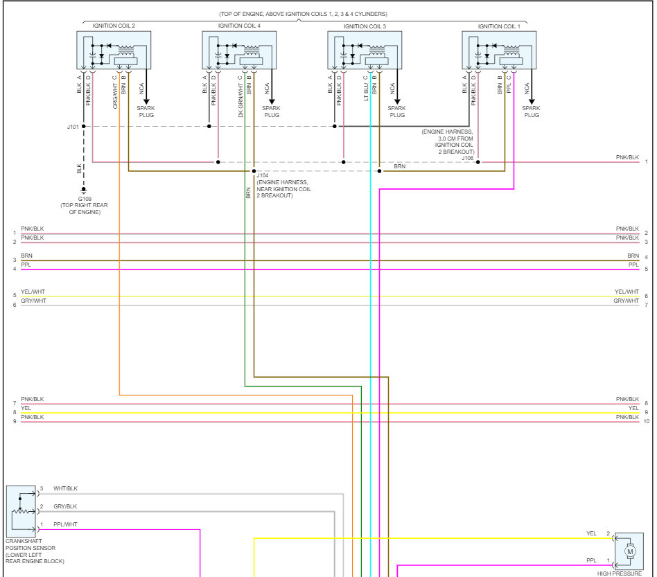
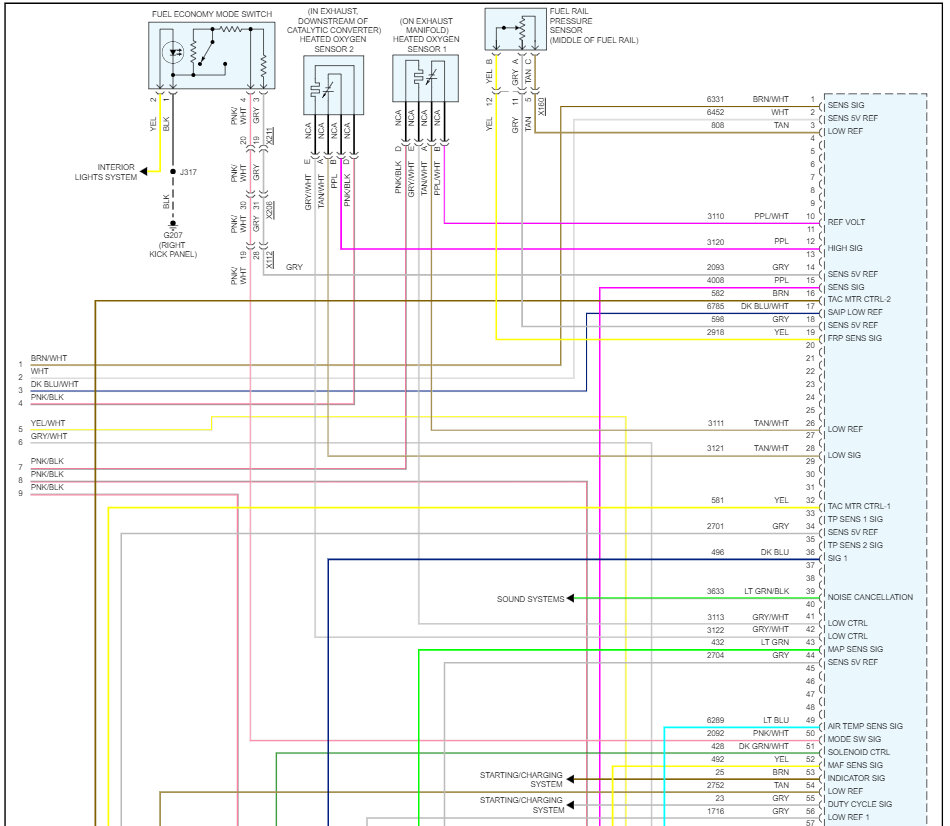
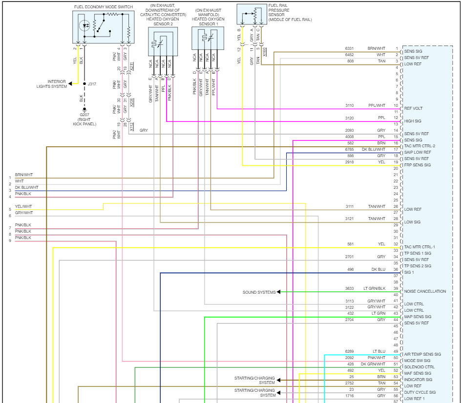
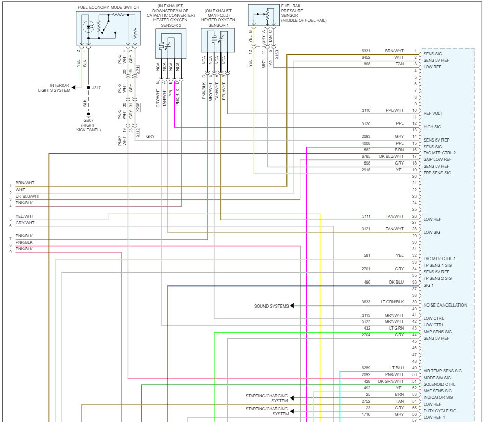
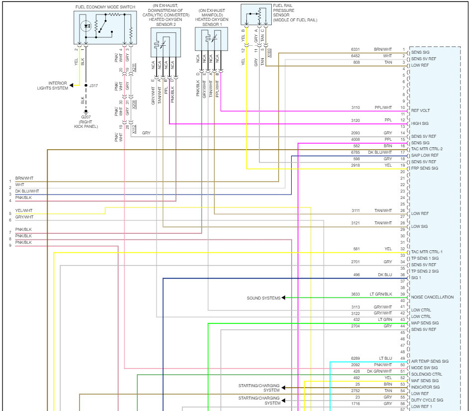
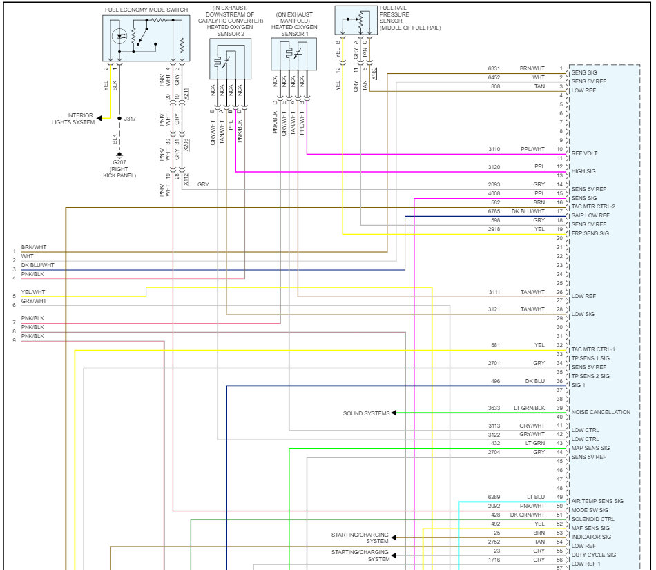
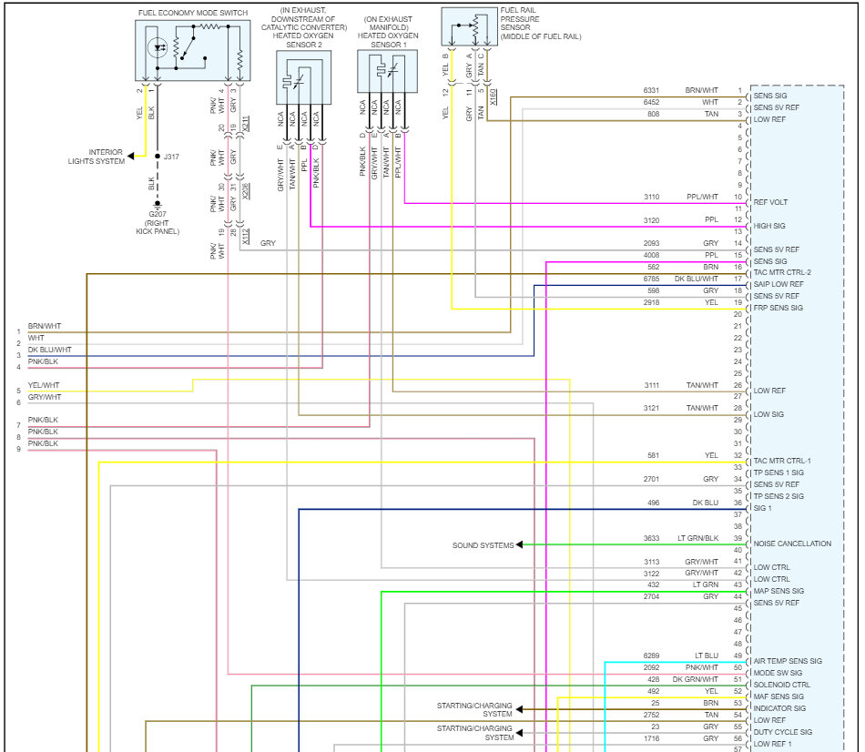
When I try to start it, it will struggle to turn over. When it does it will rev high then go low and shutter. If I drive it the display shows reduced engine power the codes I pulled were in this order p00c6 p228c p00c6p228c p0016 p0228d p0191 and p0192 it doesn't sound like timing is off as I just did chains and new guide and tensioner and all of the colored links lined up I'm thinking high pressure fuel pump it has been sitting for at least 6 months thoughts?




















