Sunday, March 14th, 2021 AT 1:15 PM
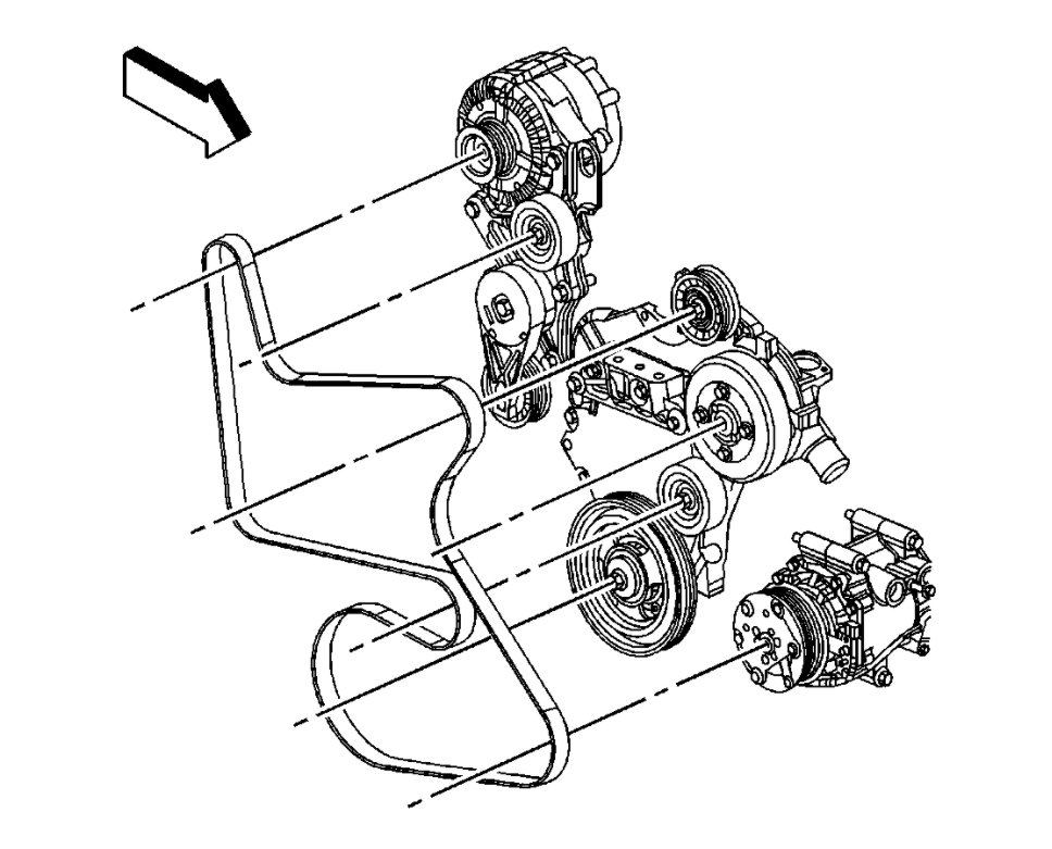
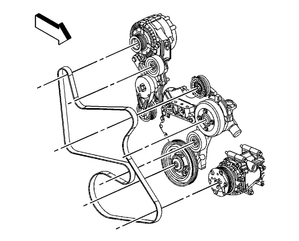
I replaced the head gaskets and all the gaskets above and when I start it it has a high pitched whining noise. I replaced all the idler pulleys the water pump and the tensioner and had the alternator check but its still doing it.


