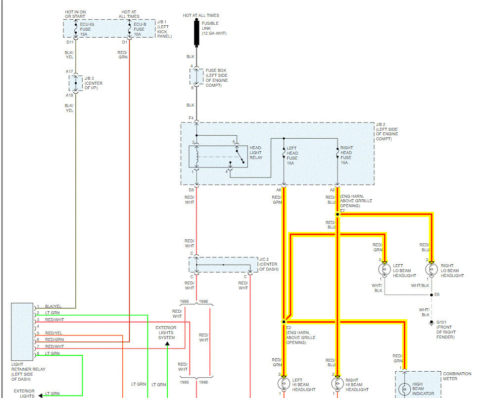
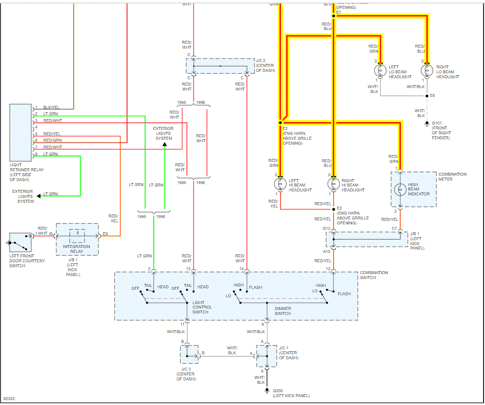
Wednesday, February 24th, 2021 AT 8:55 AM
I have replaced the relay and headlight switch, checked all the fuses. When you pull back on headlight switch both high beams and the high beam light on the dash work. When you move the switch forward nether the high beam or the high beam light on the dash will work.




