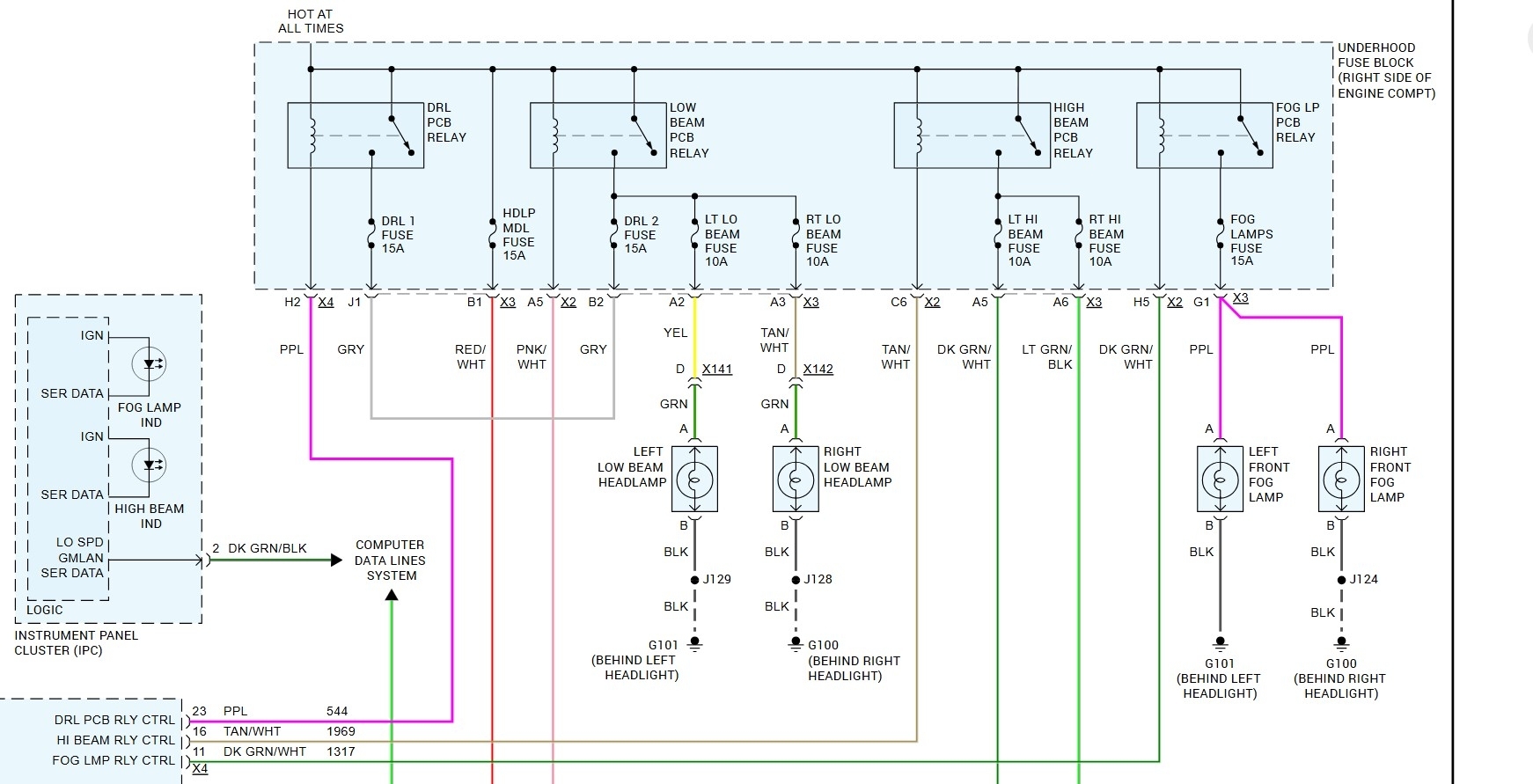
Low beams are not working, where is the headlamp relay located?

Tiny
TCS
  • MEMBER
  • 2012 CHEVROLET IMPALA
  • 202,000 MILES
High beam work but no low beams. Need to know lo­ca­tion and maybe part num­ber of headlamp re­lay.
Saturday, August 3rd, 2024 AT 10:56 AM

1 Reply

Tiny
STEVE W.
  • MECHANIC
  • 15,686 POSTS
The relays in the vehicle are not serviceable as they are soldered to the board in the fuse block. What I would do first is go to the under-hood fuse box and find both of the low beam fuses. Now use a test light connected to ground to verify if there is no power to the fuses with the system on low beam. If the fuses have power, then I would check at the bulb sockets and bulbs.
If they don't have power, then you will need a scan tool that can communicate with the body control module. With that you can read the live data to tell you if the switch is signaling the BCM to toggle low and high beam, and if the BCM is responding to that correctly. Then go to the low beam relay control output on the BCM and see if it is actually switching it on. I have seen both bad BCMs and bad fuse boxes cause lighting failure in these cars, Testing at the fuses will show you if there is power through the relay, it's rare but both bulbs can fail at the same time, if you have power at both sides of both fuses then check at the bulbs. If there is no power at the fuses, then check the BCM output. If it is working and has the control output, then it's likely a bad fuse box assembly. If not, then it's the BCM.
Was this
answer
helpful?
Yes
No
+1
Saturday, August 3rd, 2024 AT 11:20 AM

Please login or register to post a reply.