Passenger side high beam/headlight not working

Tiny
JCORREA17
  • MEMBER
  • 2016 DODGE CARAVAN
  • 82,000 MILES
My passenger side high beam/day light won't work. I tested the bulb and it works fine. I know it isn't the switch because all other exterior lights turn on. It's just that one light. Any suggestions?
Monday, March 8th, 2021 AT 11:13 AM

1 Reply

Tiny
JACOBANDNICKOLAS
  • MECHANIC
  • 110,194 POSTS
Hi,

This vehicle has what is called a totally integrated power module (TIPM). They are pron to have issues with the tiny pins in the connectors corroding or breaking.

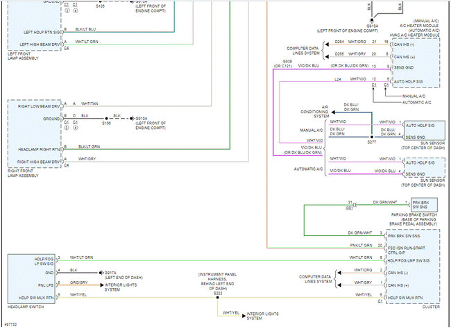
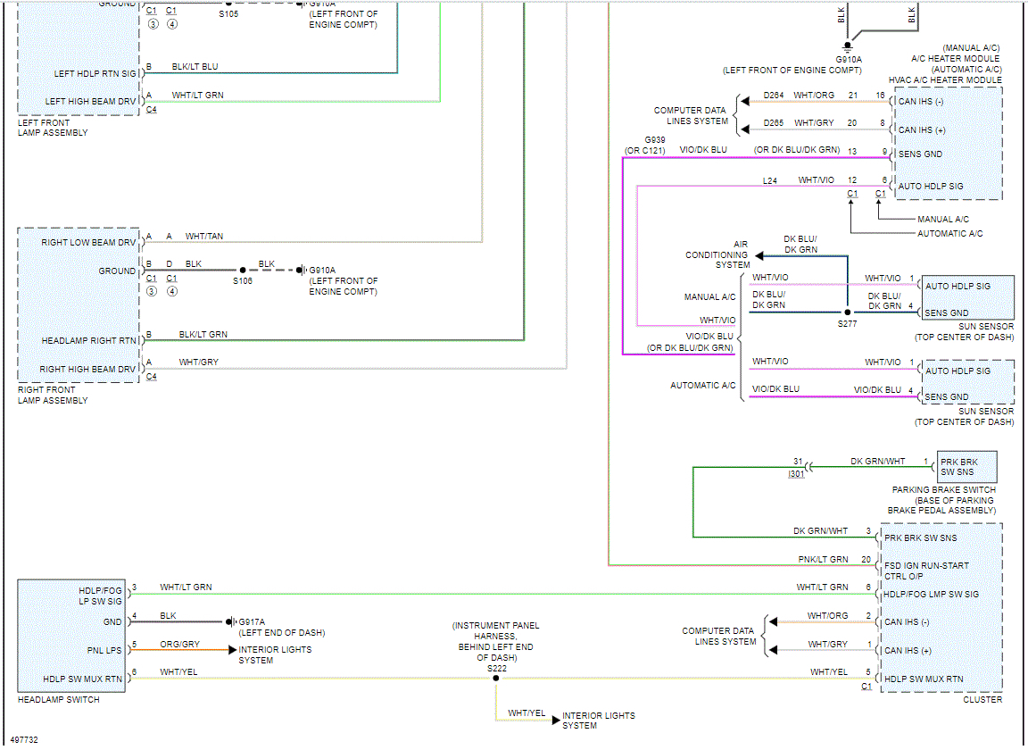
I attached two pics below which show the entire headlamp wiring schematic. Pic 1 shows the TIPM and you can see where the right high beam is powered from.

Here is what to do: At the headlamp assembly, there will be a white wire with a gray tracer. Check that wire to see if there is power when the light is turned on.

Here is a link you may find helpful:

https://www.2carpros.com/articles/how-to-check-wiring

Do this and let me know the results.

Take care and God Bless,

Joe
Was this
answer
helpful?
Yes
No
Monday, March 8th, 2021 AT 6:20 PM

Please login or register to post a reply.