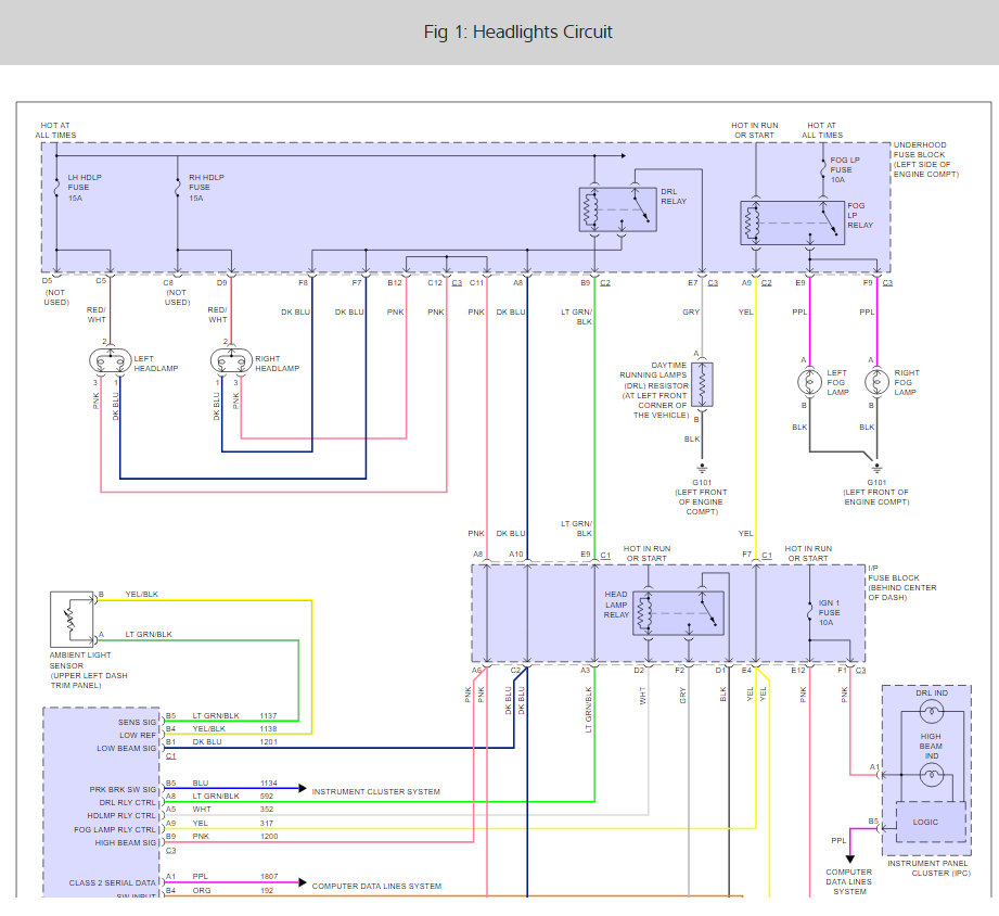
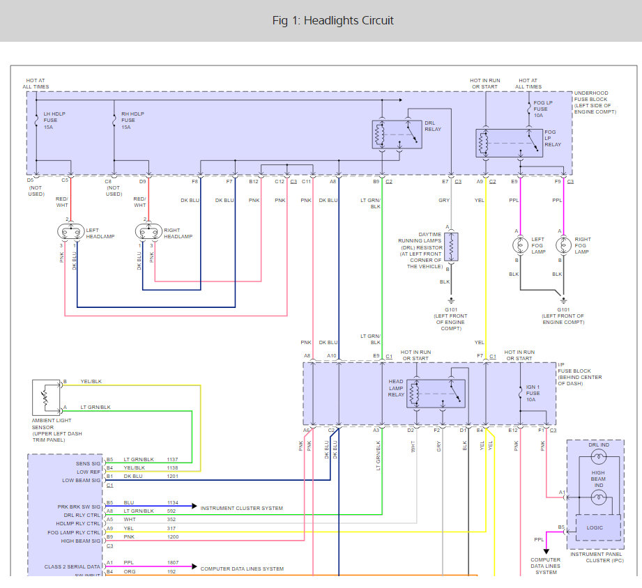
I have three wires coming out my light socket. Im putting in hids just bought everything brand new well the problem is only high beams work not my color I tested it and it's getting power I just thinks not enough power I guess
Wednesday, July 26th, 2017 AT 8:38 PM



