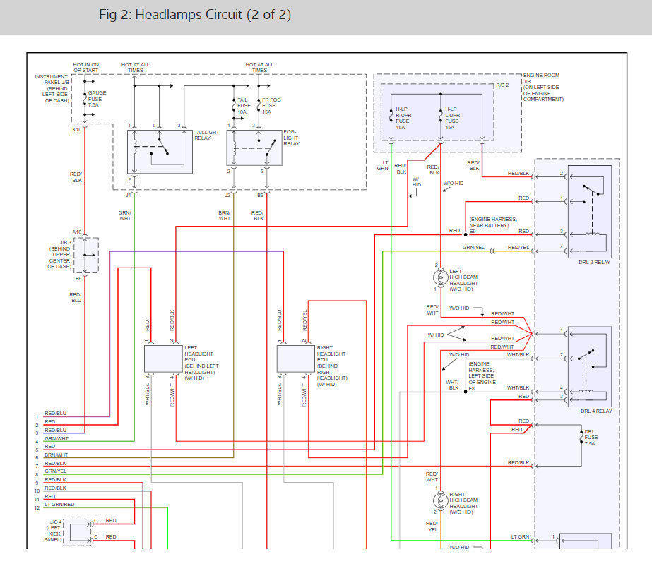
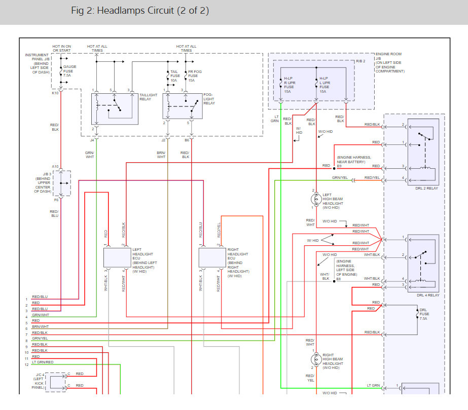
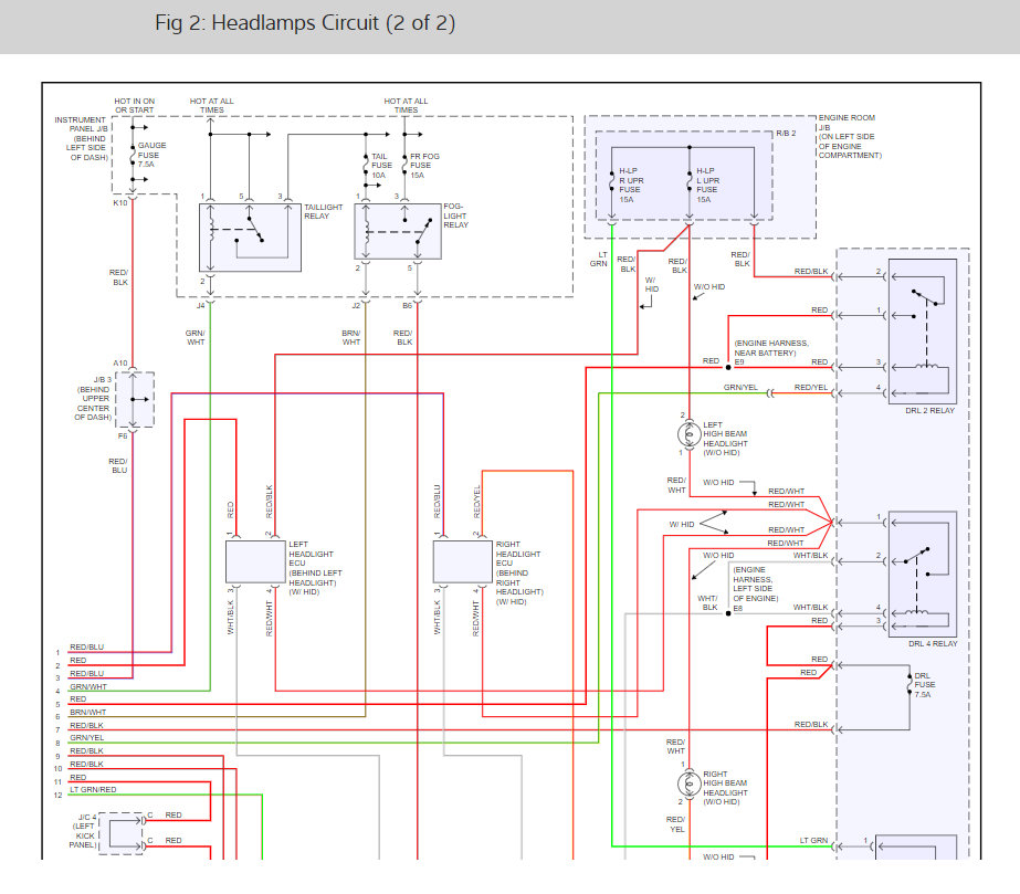
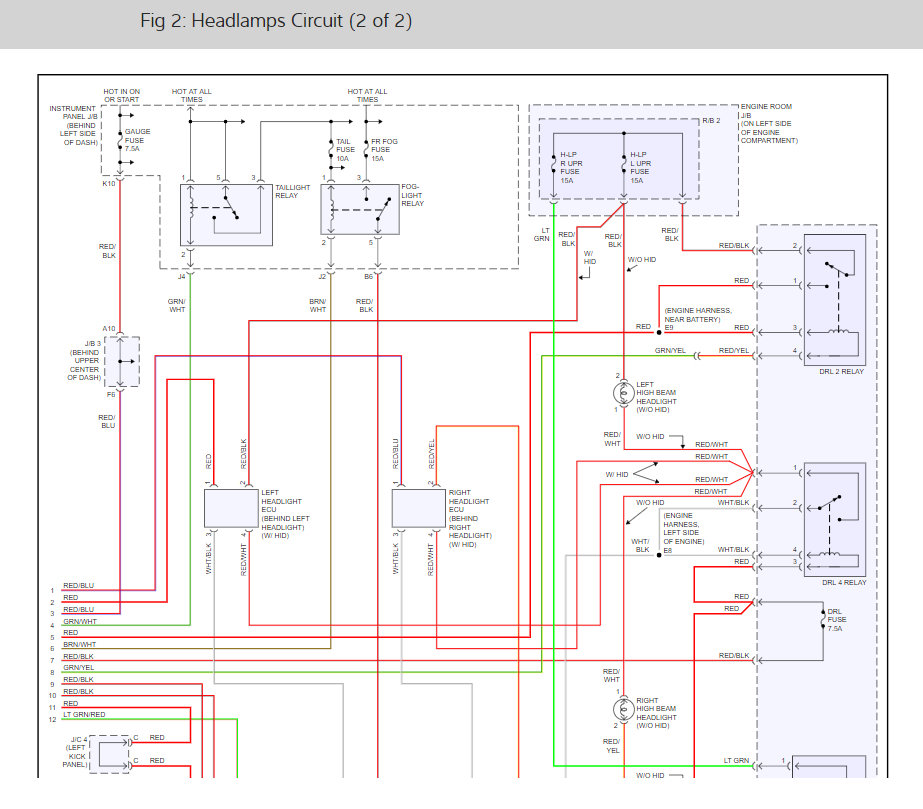
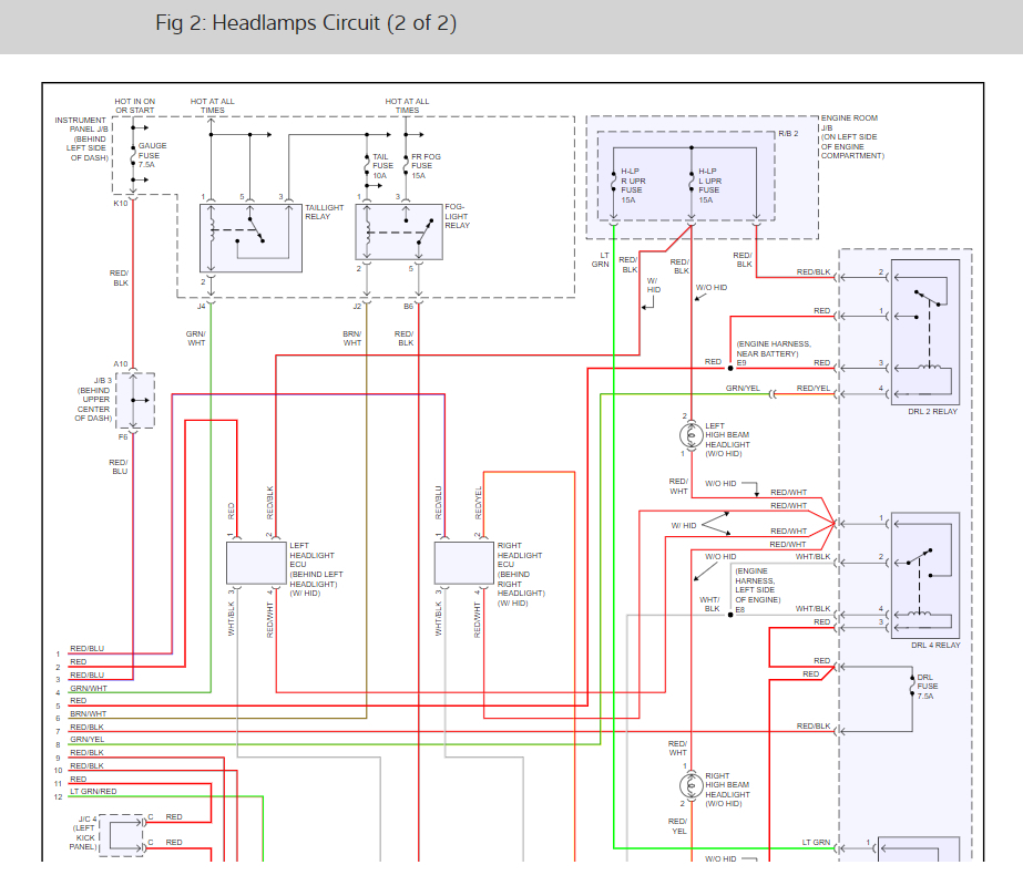
Because HID assemblies are too expensive where I live. If I were to remove the old ballasts, there would be two wires each side. I believe one is a control wire and the other is 12V. How do I hook up wiring for both high and low halogen beams? Do I need relays in this case?
Thanks!
Wednesday, January 15th, 2020 AT 6:38 AM




