Code P0722

Tiny
VICARUN
  • MEMBER
  • 2008 HONDA PILOT
  • 3.5L
  • 6 CYL
  • 4WD
  • AUTOMATIC
  • 144,000 MILES
Hi, where is the input shaft speed sensor located?

Sunday, April 22nd, 2018 AT 1:09 PM

14 Replies

Tiny
WRENCHTECH
  • MECHANIC
  • 20,761 POSTS
You can access it from below.
Was this
answer
helpful?
Yes
No
Sunday, April 22nd, 2018 AT 1:21 PM
Tiny
VICARUN
  • MEMBER
  • 8 POSTS
Thank you for your fast answer. I have been looking with that picture still no luck. Can you please be more specific where is located? Thank you so much.
Was this
answer
helpful?
Yes
No
Sunday, April 22nd, 2018 AT 2:06 PM
Tiny
WRENCHTECH
  • MECHANIC
  • 20,761 POSTS
That view is the front of the transmission from below. You may have a splash panel to remove.
Was this
answer
helpful?
Yes
No
Sunday, April 22nd, 2018 AT 2:09 PM
Tiny
VICARUN
  • MEMBER
  • 8 POSTS
Thank you, finally I found and change the sensor, but the speedometer still not moving. Any suggestions?
Was this
answer
helpful?
Yes
No
Sunday, April 22nd, 2018 AT 3:52 PM
Tiny
WRENCHTECH
  • MECHANIC
  • 20,761 POSTS
That would be because the input speed sensor has nothing to do with the speedometer. That would be the output speed sensor which is what that code indicates.
Was this
answer
helpful?
Yes
No
Sunday, April 22nd, 2018 AT 3:56 PM
Tiny
VICARUN
  • MEMBER
  • 8 POSTS
Hi, I put input by mistake on the title, actually the sensor I had replaced was the output shaft speed sensor, the l shape one but no luck, should I change the input too.
Was this
answer
helpful?
Yes
No
Monday, April 23rd, 2018 AT 8:39 AM
Tiny
WRENCHTECH
  • MECHANIC
  • 20,761 POSTS
No, that sensor will not help. It has to be a wiring or transmission issue somewhere. You may need a lab scope to troubleshoot.
Was this
answer
helpful?
Yes
No
Monday, April 23rd, 2018 AT 2:16 PM
Tiny
VICARUN
  • MEMBER
  • 8 POSTS
Hi, I replace input and output shaft speed sensors, the D light is not blinking any more but the speedometer still not moving or the car shifting. Could it be the shift control solenoid? If yes where is located? Thank you
Was this
answer
helpful?
Yes
No
Tuesday, April 24th, 2018 AT 6:39 PM
Tiny
KEN L
  • MASTER CERTIFIED MECHANIC
  • 55,404 POSTS
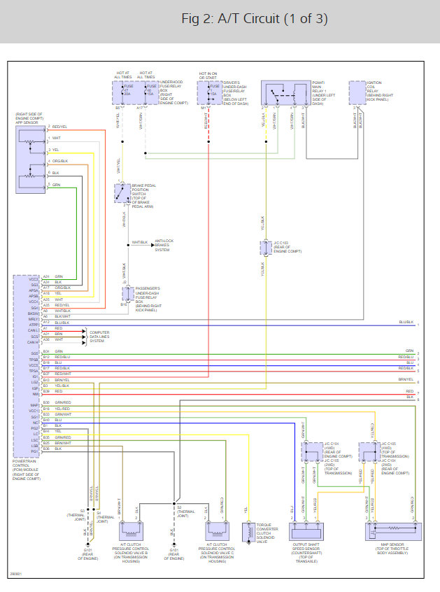
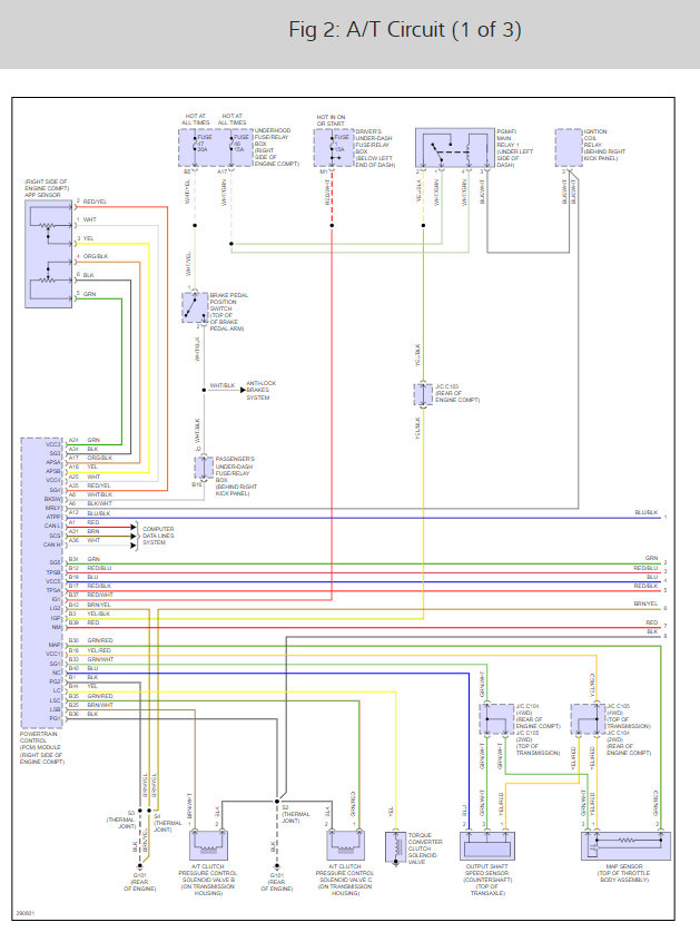
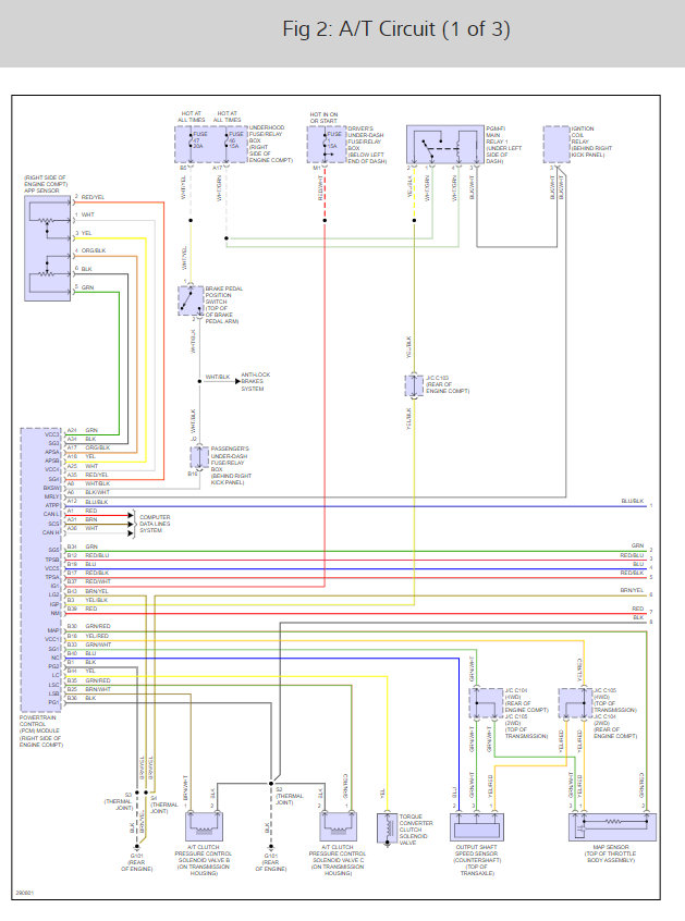
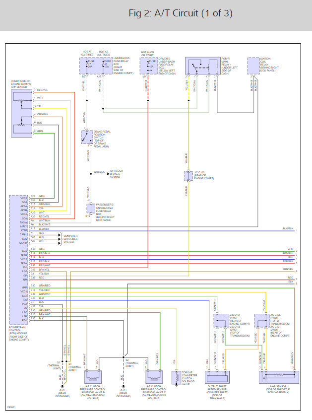
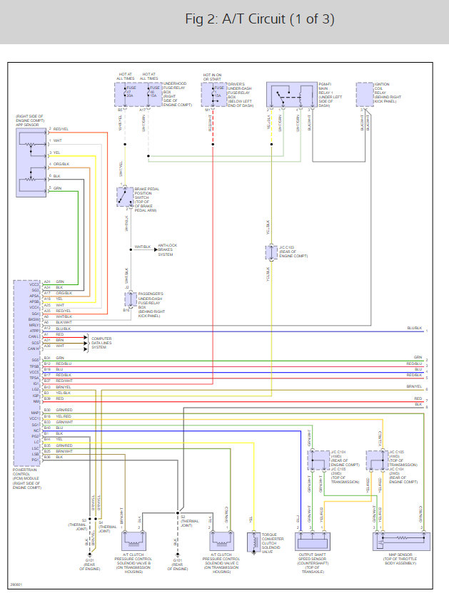
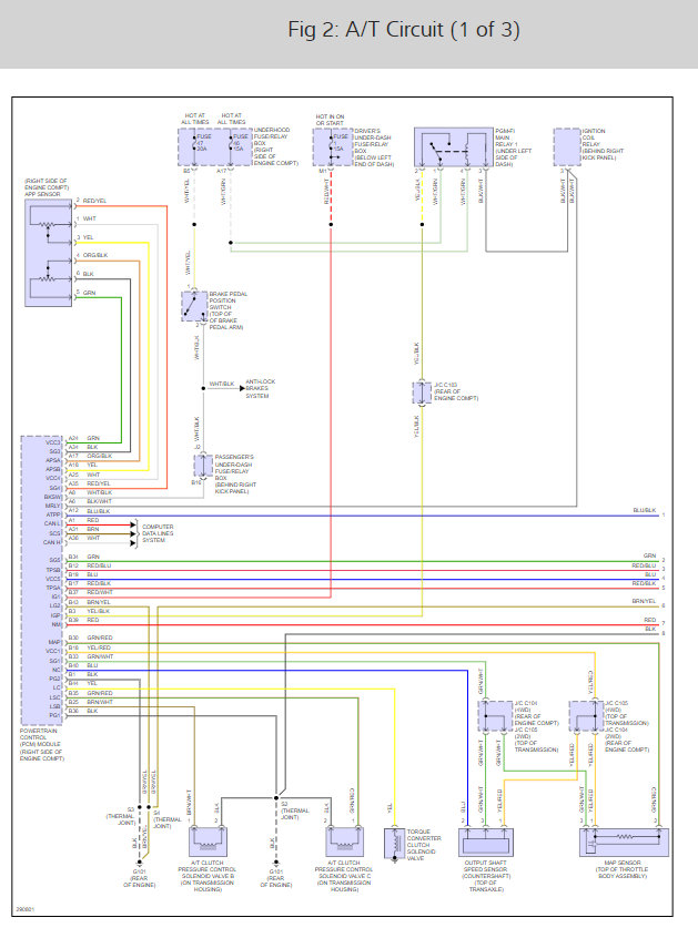
I do not think it is a shift control solenoid. It sounds more like you have a wiring issue. Lets run through this guide.

https://www.2carpros.com/articles/how-to-check-wiring

Please check the connection for the speed sensors to the PCM.

Here are the transmission wiring diagrams to help you see how it works.

Check out the diagrams (below).

Please let us know what happens.

Cheers, Ken
Was this
answer
helpful?
Yes
No
+1
Friday, April 27th, 2018 AT 10:25 AM
Tiny
VICARUN
  • MEMBER
  • 8 POSTS
Hi, the sensors I removed (the originals) looks like the one in the picture. After replacement it did not work I took it to the Honda dealer and they removed the sensor that are the ones on the picture and say they need to replace it and flash the transmission and reprogram the ECU. An $800.00 job. After a week of calling and no straight answer they said they replace the sensors and still doing the same thing the said I need to replace the transmission. Any ideas? I think they just do not want to spend more sensors and time and they are going for the easy part replace the transmission for $4,200.00.
Was this
answer
helpful?
Yes
No
-1
Thursday, May 3rd, 2018 AT 6:53 AM
Tiny
VICARUN
  • MEMBER
  • 8 POSTS
Image.
Was this
answer
helpful?
Yes
No
Thursday, May 3rd, 2018 AT 6:54 AM
Tiny
KEN L
  • MASTER CERTIFIED MECHANIC
  • 55,404 POSTS
Yes, you have a bearing going out allowing the internal part of the transmission moving inward which causes the sensor to have contact with the sensor, but I have heard of people using a spacer to move the sensor away form the timer wheel inside the transmission. I would try that first.
Was this
answer
helpful?
Yes
No
+1
Thursday, May 3rd, 2018 AT 10:11 AM
Tiny
VICARUN
  • MEMBER
  • 8 POSTS
That is what I was thinking, I just do not know how far the sensor could be to cause damage and continue reading, but I will try it. Thank you.
Was this
answer
helpful?
Yes
No
+1
Thursday, May 3rd, 2018 AT 11:38 AM
Tiny
ASEMASTER6371
  • MECHANIC
  • 52,796 POSTS
Okay, that sensor is really bad. The damage comes from the inside moving all over the place.

On this one the dealer is correct. You have internal damage and transmission will have to come out. There is no way of cheating this one.

You could consider a used transmission to save some money. There is a site called www. Car-part. Com. They are an excellent resource for used parts. I used them dozens of times for all my used parts with great success.

Roy
Was this
answer
helpful?
Yes
No
+1
Thursday, May 3rd, 2018 AT 4:52 PM

Please login or register to post a reply.