Transmission stuck in reverse

Tiny
SARAH PENNEY
  • MEMBER
  • 2000 GMC SIERRA
  • V8
  • AUTOMATIC
  • 1 MILES
So I started my truck it was fine I put it in reverse again everything was fine as I backed out of my drive way I went to put the truck into drive and it wouldn’t move, it was stuck on reverse! I had to drive reverse all the way down my neighborhood to turn around and reverse it back into my driveway. I turned it off and now it won’t turn on and is still in reverse. I tapped the parking break and it snapped. I don’t know what to do!
Wednesday, February 26th, 2020 AT 11:12 AM

2 Replies

Tiny
KASEKENNY
  • MECHANIC
  • 18,907 POSTS
We need to start with checking the shift cable on the transmission to see if it is still attached the the transmission. I suspect the shifter has become detached here or the cable is broken. If we need to replace it, I can send you the entire process. It is pretty lengthy so just let me know and I can send it over.

The fact that it will not restart is because it is in reverse still. If you move the shifter on the side of the transmission to park you will be able to restart the vehicle. However, I am sure we are dealing with an issue with this cable.
Was this
answer
helpful?
Yes
No
Wednesday, February 26th, 2020 AT 3:55 PM
Tiny
STEVE W.
  • MECHANIC
  • 15,694 POSTS
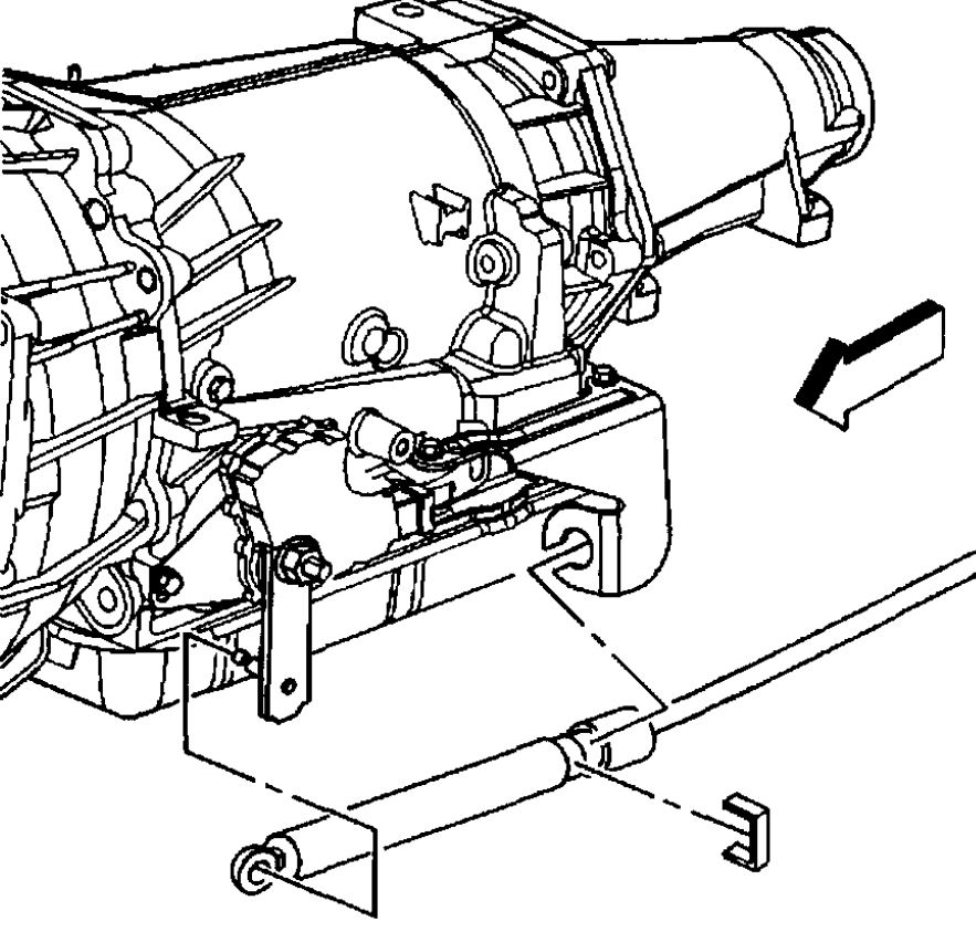
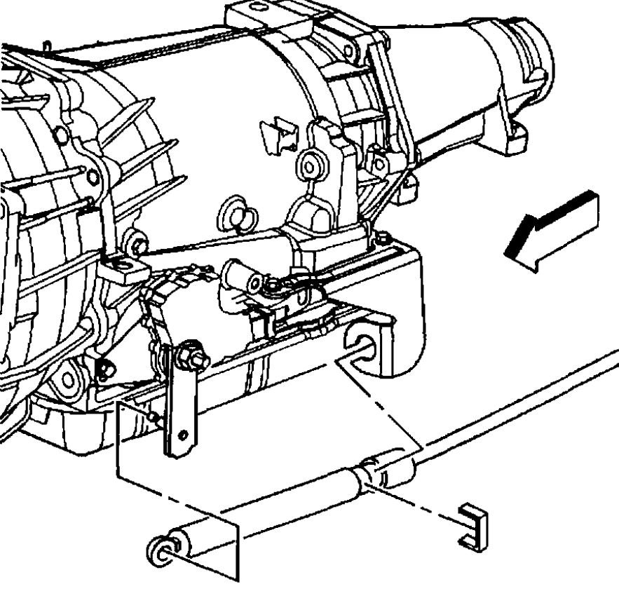
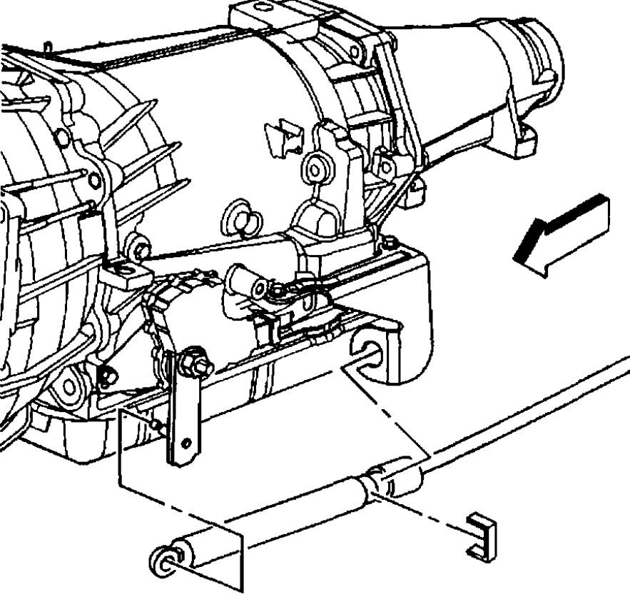
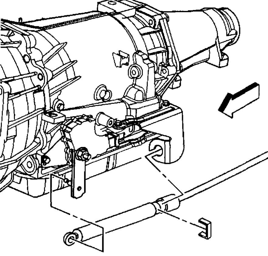
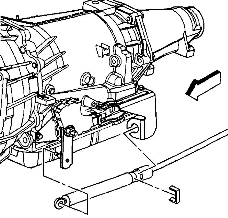
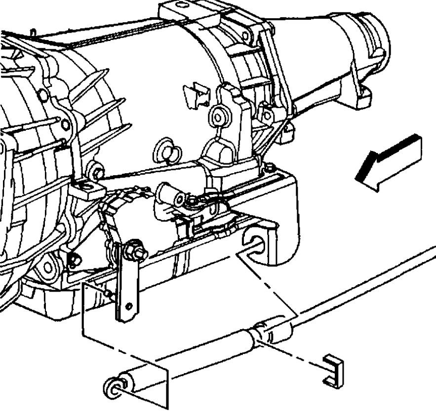
That sounds like the shift cable under the truck came apart. Does the upper lever feel loose and sort of floppy? If yes that is a good sign of it being the cable. At the end of the cable is a plastic bushing that just snaps onto a rounded pin on the side of the transmission. Years of use and corrosion can wear the bushing down and it simply pops free. With the truck tires blocked so it cannot move you can easily check for this. You just slip under the drivers side and look at the shift cable on the side of the transmission. If it has come free it will not be attached at the front of the cable and look similar to the second picture. The repair can be one of two methods. You replace the rear section of the cable or you can get a kit at many parts stores which replaces just the bad bushing and is much cheaper and faster than replacing the cable. That is the new bushing in the third picture. This is a common issue with GM trucks in areas where they can rust. If you look at the pin on the left in the second picture you can see the rust, that acts like sandpaper on the plastic bushing and grinds it over sized. You will want to use a wire brush or sandpaper or both to clean it as good as possible before attaching the replacement bushing. For a temporary thing you may be able to put the interior shifter into reverse and snap it back together just to get the truck back into park. I have seen people put zip ties on them to hold the worn parts together, it works but not for long.

As for the park brake, most people never use them unless the vehicle needs it to work during an inspection, rust has likely seized all of it into a mass of scrap and trying to use it snapped the cable where it was rusted. The only solution to that is to replace all of the rusted parts and use it often to keep it free.
Was this
answer
helpful?
Yes
No
+11
Wednesday, February 26th, 2020 AT 3:56 PM

Please login or register to post a reply.