Overheats when not moving, A/C not blowing cold air and the fans are not turning on?

Tiny
ASHLEY DARBY-GARRETT
  • MEMBER
  • 2013 NISSAN PATHFINDER
  • 4WD
  • AUTOMATIC
  • 120,000 MILES
My vehicle's A/C is not blowing cold for one. That was the first thing to happen. Recently it has started to overheat when the car is not in motion. My fans are not turning on either.
Monday, February 27th, 2023 AT 12:34 PM

6 Replies

Tiny
JACOBANDNICKOLAS
  • MECHANIC
  • 110,194 POSTS
Hi,

If the fans are not running, that's why it overheats when not moving.

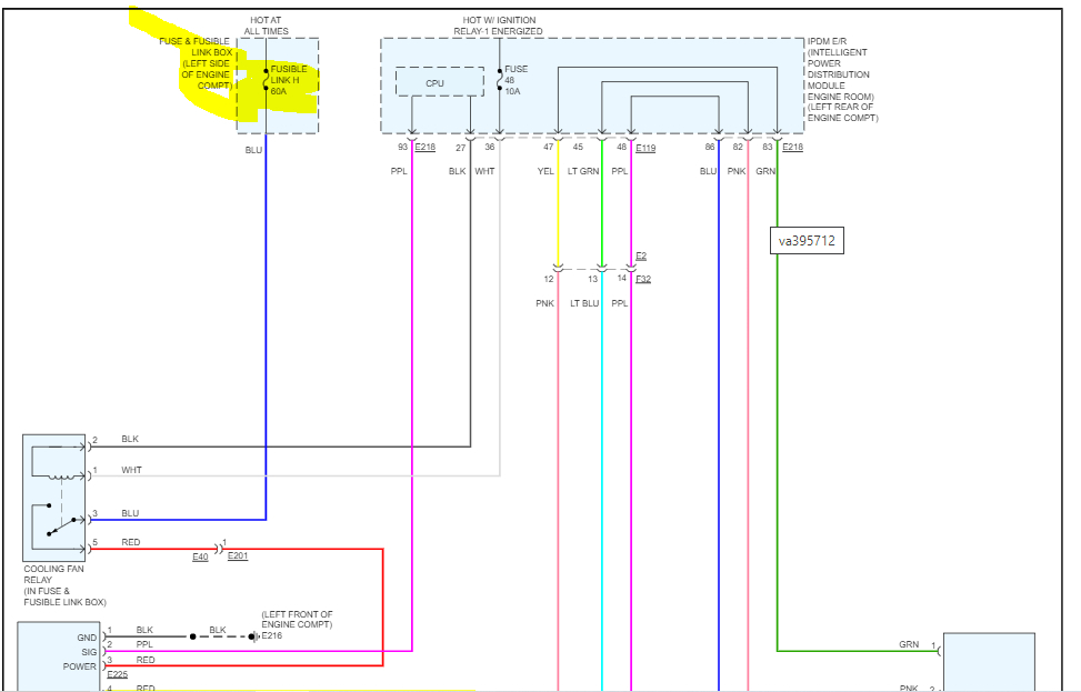
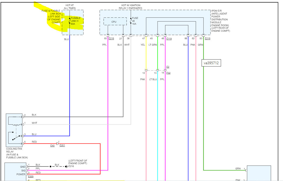
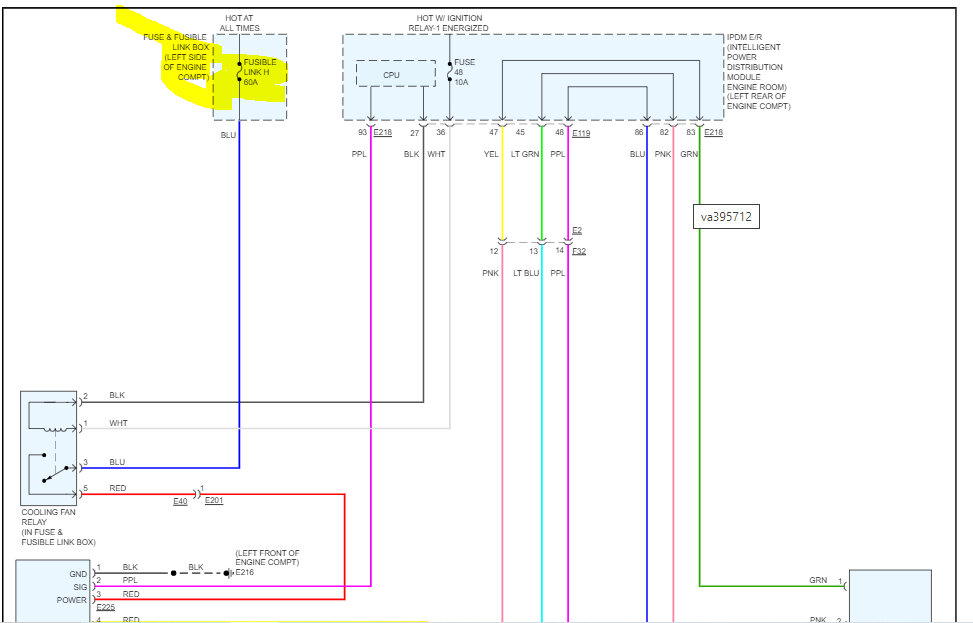
I attached a wiring schematic below for the radiator cooling fans. There is a fan control module that is part of the circuit. (Pics 2 and 3)

We need to start by checking fusible link H. If you look at pic 3 below, I highlighted its location in the under-hood fuse/relay box. Confirm that is good. Also, make sure there is power both in and out of it.

Here is a link you may find helpful:

https://www.2carpros.com/articles/how-to-check-an-electrical-relay-and-wiring-control-circuit

If that is good, go to the cooling fan relay. See pic 3. Note numbers 1, 2, 3, and 5 are indicated on the relay in the pic. Remove the relay and locate pin 3. That connector should have power at all times. Confirm that for me.

Let me know what you find. Also, let me know if the fans were making any strange sounds prior to the issue.

Take care,

Joe

See pics below.
Was this
answer
helpful?
Yes
No
Monday, February 27th, 2023 AT 7:28 PM
Tiny
ASHLEY DARBY-GARRETT
  • MEMBER
  • 14 POSTS
Okay. So, all of these things have been checked. Relays even switched just in case. I resorted to getting a new radiator fan and a new hose. My hose is right now flat. Brand new hose. Still no change? Help!
Was this
answer
helpful?
Yes
No
Sunday, May 14th, 2023 AT 5:18 PM
Tiny
JACOBANDNICKOLAS
  • MECHANIC
  • 110,194 POSTS
Hi,

I see the hose issue. That can be caused by a few things. Obviously, there is a vacuum in the system. The vacuum can be from low coolant, a loose radiator clamp that allows air to be drawn into the system, or even a faulty radiator cap that is preventing pressure from building in the system.

As far as the fan, did you check for power and ground to the pins for the relays?

Joe
Was this
answer
helpful?
Yes
No
Sunday, May 14th, 2023 AT 8:04 PM
Tiny
ASHLEY DARBY-GARRETT
  • MEMBER
  • 14 POSTS
Yes, Joe we did check those things. What next?
Was this
answer
helpful?
Yes
No
Monday, May 22nd, 2023 AT 5:12 AM
Tiny
ASHLEY DARBY-GARRETT
  • MEMBER
  • 14 POSTS
Yes Joe we did check those things. What next?
Was this
answer
helpful?
Yes
No
Monday, May 22nd, 2023 AT 5:12 AM
Tiny
JACOBANDNICKOLAS
  • MECHANIC
  • 110,194 POSTS
Hi,

If you have power at the relays and a ground source, then the next thing is to see if power is available at the fan motors. From the relays, it goes to the motors. If there is power and ground, the fans should run. So that is the next check.

If there is no power, then the wiring between the relays and fan motors is open.

Let me know.

Joe
Was this
answer
helpful?
Yes
No
Monday, May 22nd, 2023 AT 7:13 PM

Please login or register to post a reply.