Can I get an electrical diagram for my car?

Tiny
MARRIECHE2000
  • MEMBER
  • 2004 MITSUBISHI LANCER
  • 1.3L
  • 4 CYL
  • 2WD
  • MANUAL
  • 100 MILES
Hi, maybe you could help me to get electrical diagrams for my car listed above with a 4G13 motor. I have been looking online without no success.
I would appreciate your help. Regards, Miguel
Friday, March 11th, 2022 AT 9:30 AM

13 Replies

Tiny
AL514
  • MECHANIC
  • 5,584 POSTS
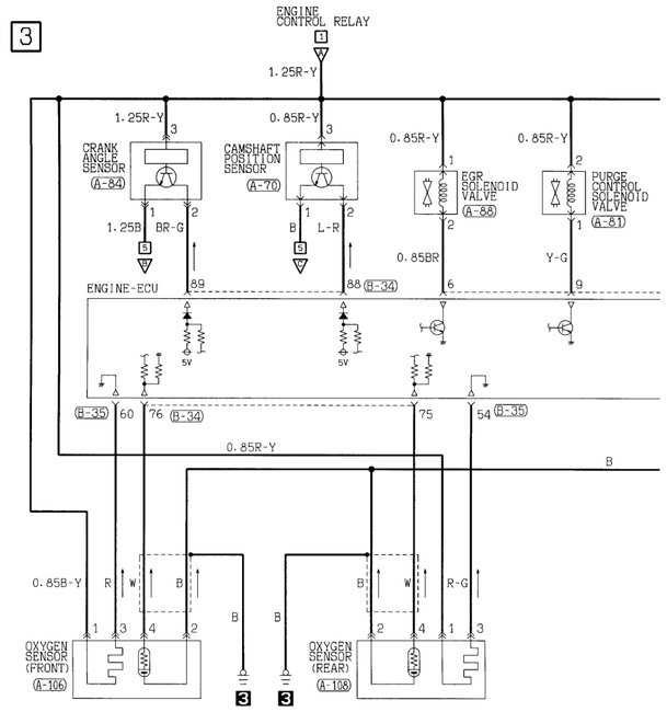
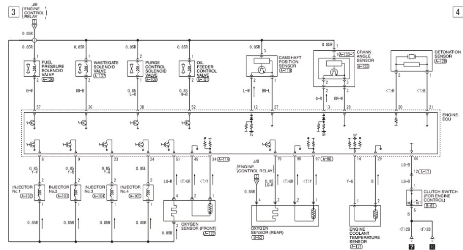
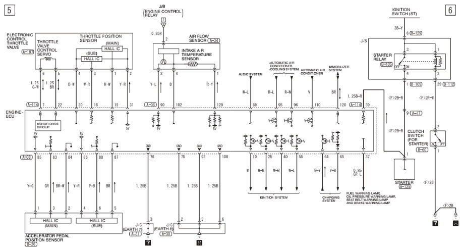
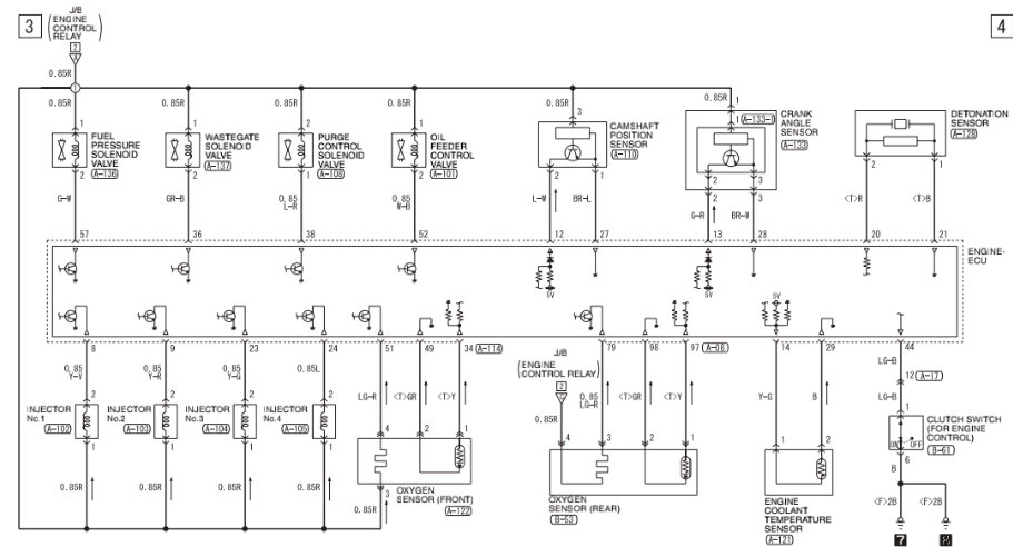
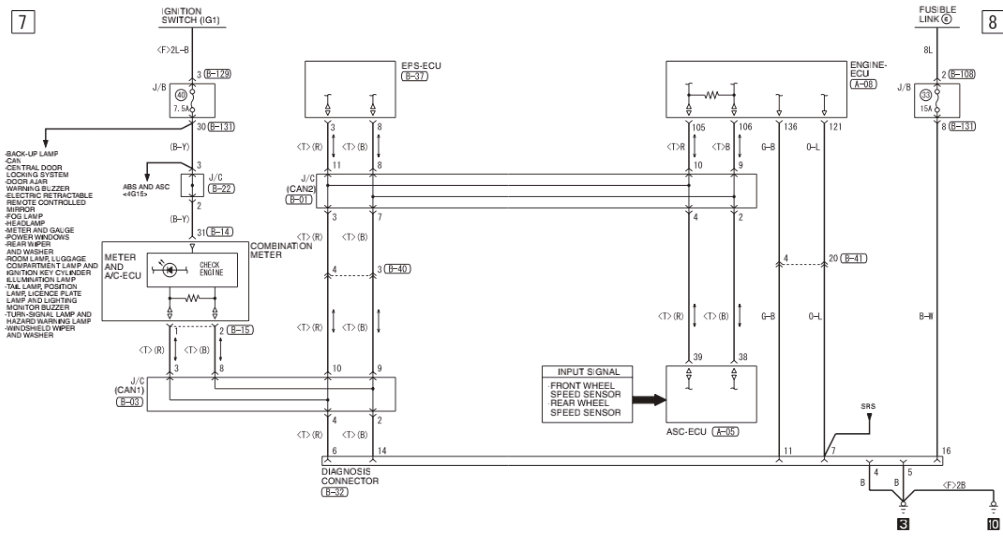
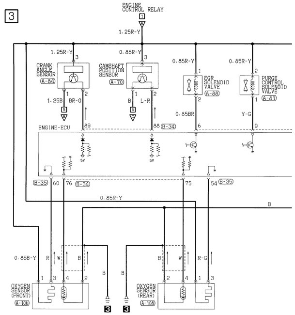
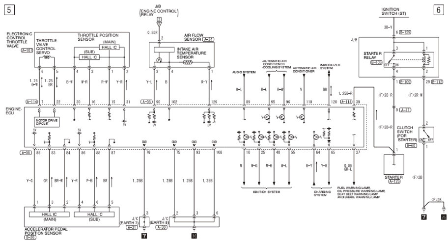
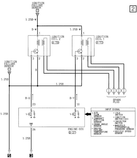
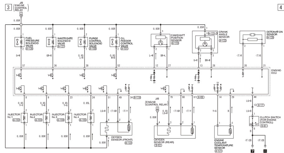
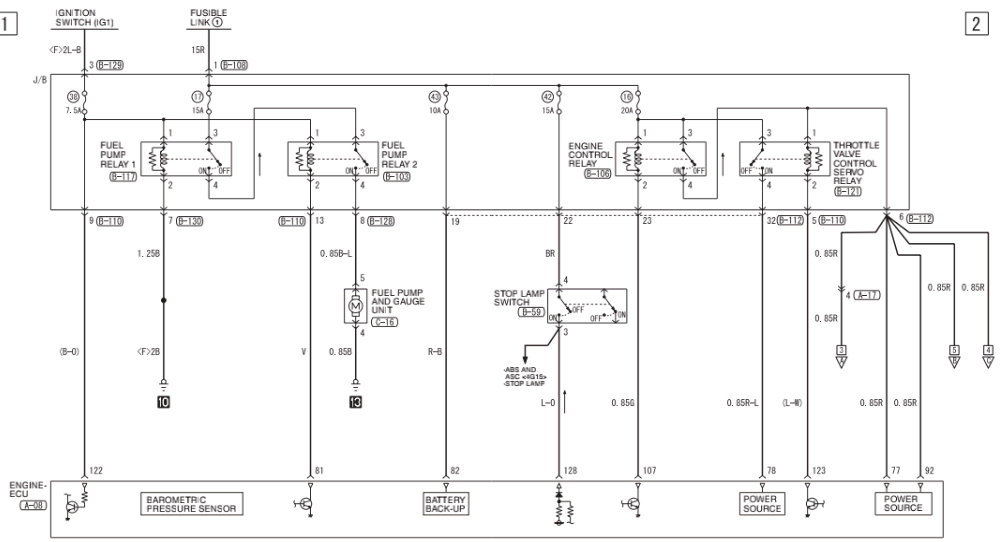
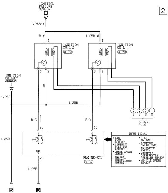
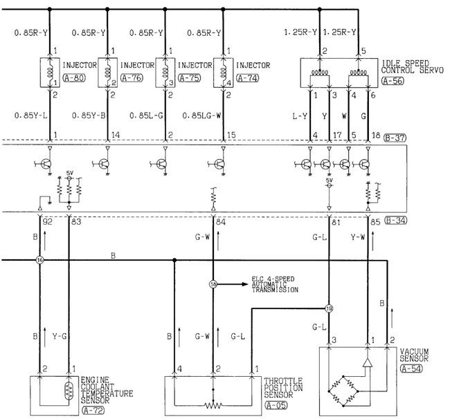
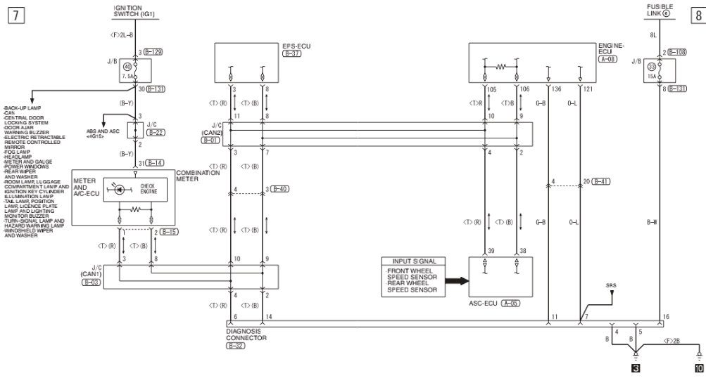
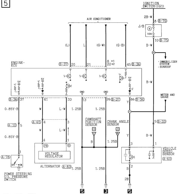
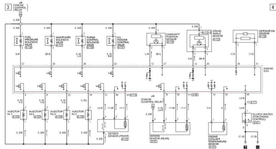
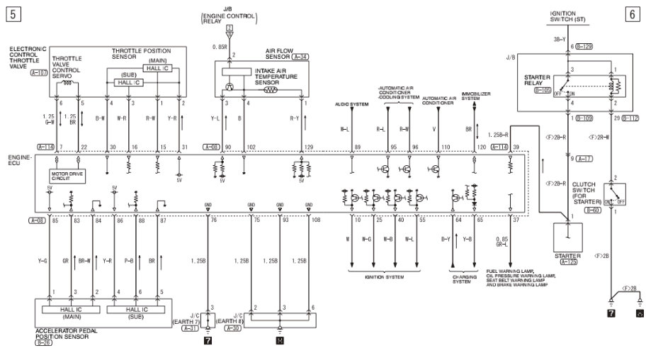
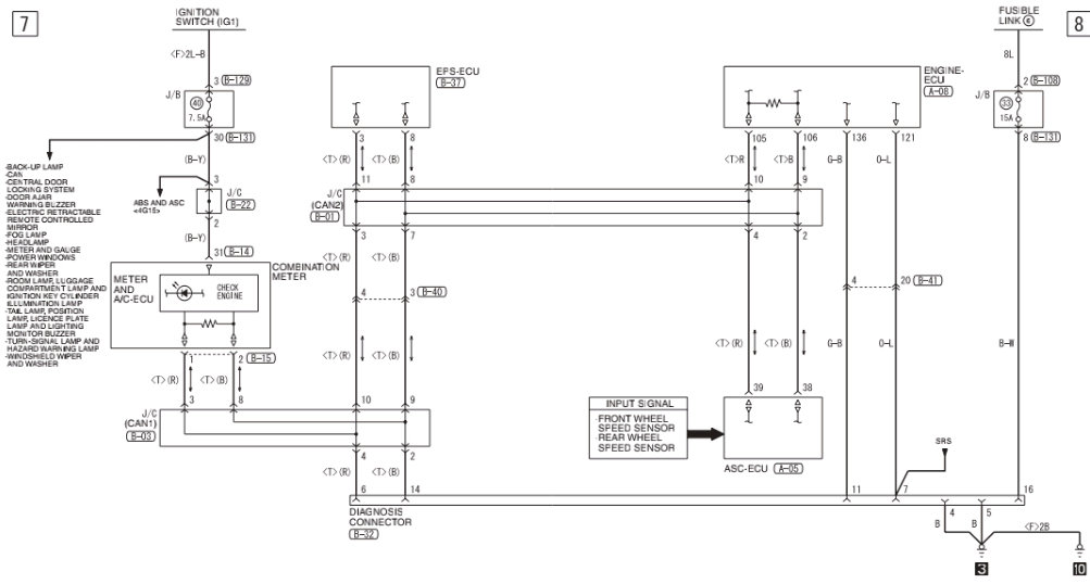
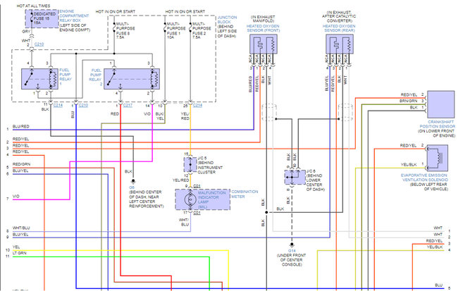
Hello, this seems to be a pretty rare engine. We don't have it in our data banks because it's a European model, but also just finding any information at all on the 4G13 engine is very difficult. It has been marketed as a bunch of different names as well, but I don't see that engine in any of those models either. What we can do is I can give you a couple different engine wiring diagrams for a specific part of the engine, such as a certain section of wiring harness and you can see if it matches what you have on your car. I have pulled up the 2004 Mitsubishi Lancer 2.0Liter 4G63 which seems to be the next in line from the 4G13. So, here's the Fuel Injector Harness section that includes the EGR Solenoid, Purge Solenoid, Camshaft Position sensor, and MFI Relay. See if this has the same wiring colors as your car.
I'm sorry we can't do more. We run into this with a lot of foreign made vehicles.
If these are the same I'll give you the whole engine block wiring diagram.

https://www.2carpros.com/articles/how-a-car-electrical-system-works
Was this
answer
helpful?
Yes
No
Friday, March 11th, 2022 AT 10:16 AM
Tiny
MARRIECHE2000
  • MEMBER
  • 7 POSTS
Thanks for your prompt answer, I checked the color wires and none of them matched, but I think will be good idea if you provide me with the all the diagram since it will help me to troubleshoot the system, it is better than nothing. Thanks again.
Was this
answer
helpful?
Yes
No
Friday, March 11th, 2022 AT 1:01 PM
Tiny
AL514
  • MECHANIC
  • 5,584 POSTS
What kind of issue are you dealing with? Sorry for the slow response today, Having an issue with internet this morning. I can walk through some testing methods if I know what's going on. I will try some other wiring diagrams as well. Also, what colors are the fuel injector wires? I sent a message out looking for the wiring diagrams for that specific engine also. So, it might turn up today some time.
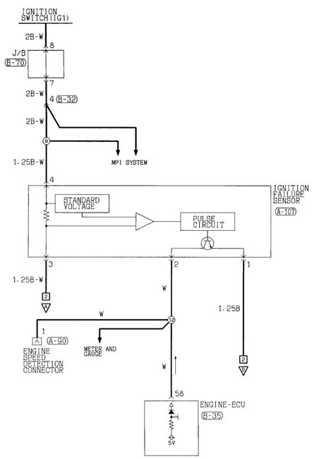
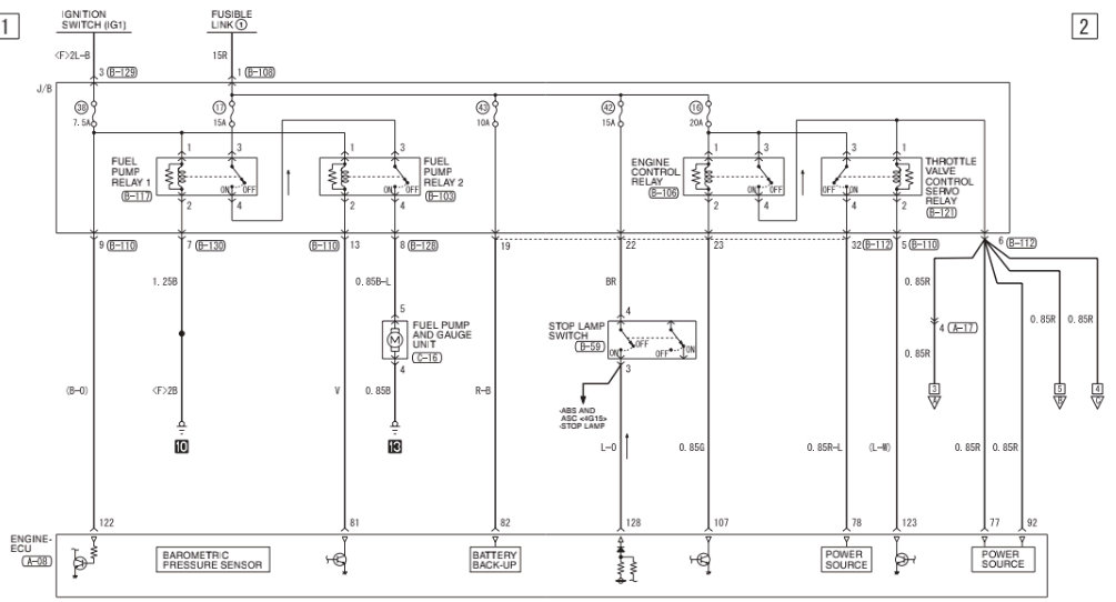
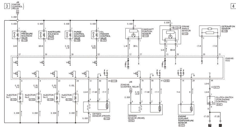
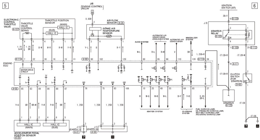
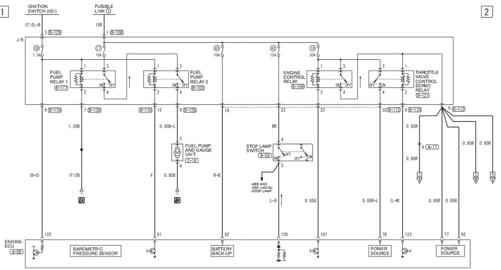
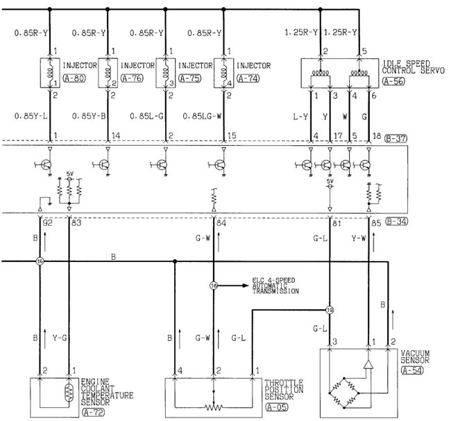
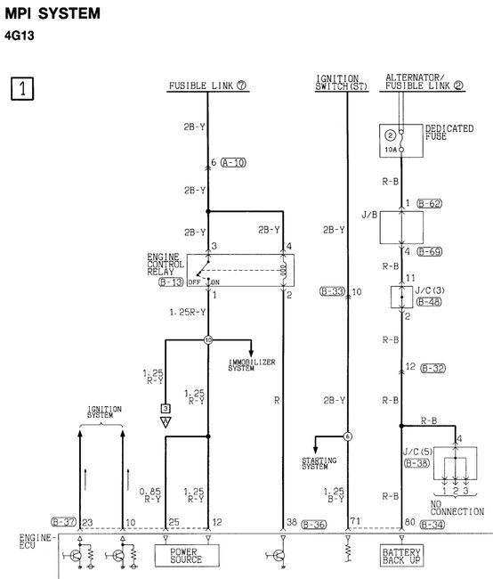
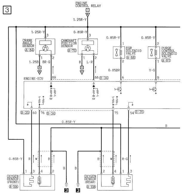
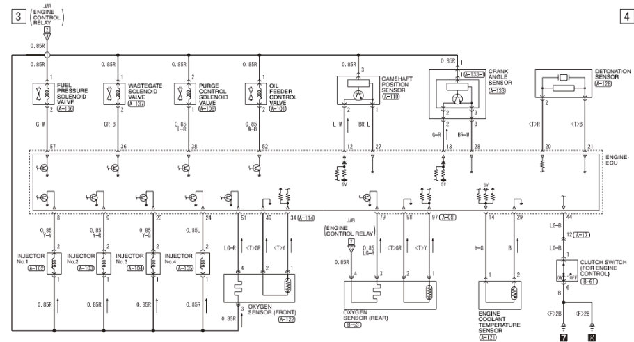
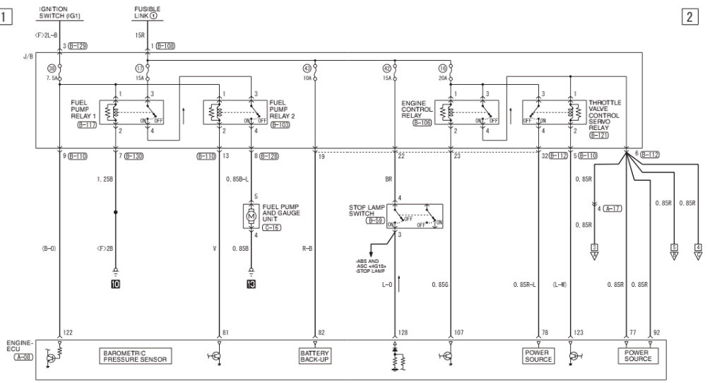
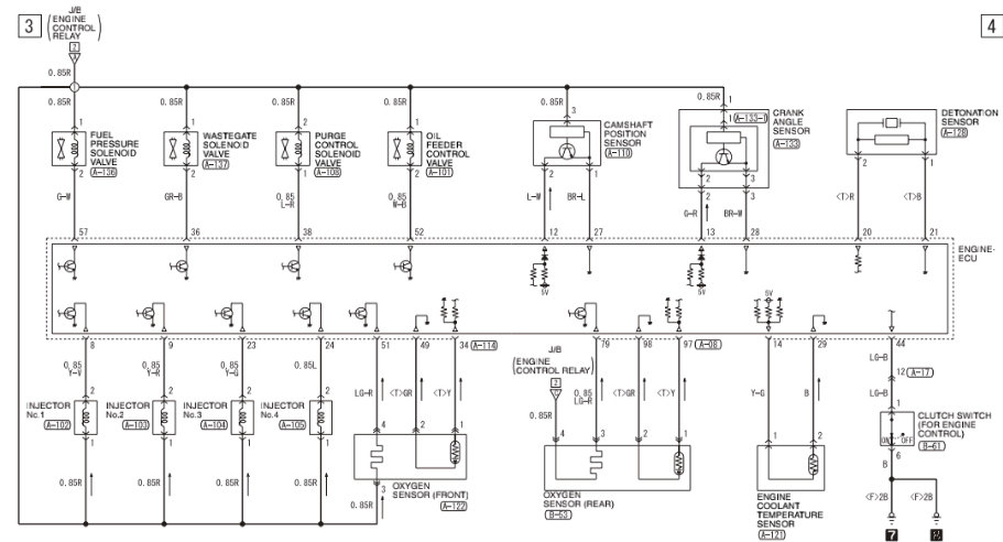
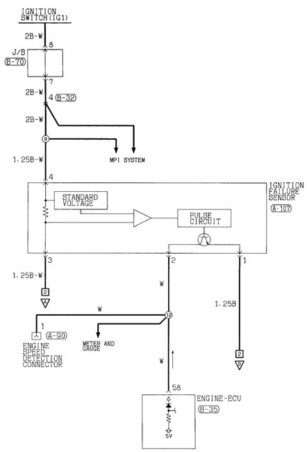
So, these are the diagrams for the 2.0liter. Pages 1 and 2, 3 and 4, 5 and 6, go together. If I can find the diagrams for the 4G13 1.3Liter engine I'll post them here.
Was this
answer
helpful?
Yes
No
+1
Saturday, March 12th, 2022 AT 9:01 AM
Tiny
MARRIECHE2000
  • MEMBER
  • 7 POSTS
Hi, I have a hard to start engine. I have to switch two or three times to get the engine on. Any suggestions will be appreciated. Regards, Miguel
Was this
answer
helpful?
Yes
No
Saturday, March 12th, 2022 AT 4:55 PM
Tiny
AL514
  • MECHANIC
  • 5,584 POSTS
Are you having to turn the ignition switch on and off a few times to get the vehicles engine to turn over, or are you having an issue where it will turn over but won't start?
Was this
answer
helpful?
Yes
No
Saturday, March 12th, 2022 AT 5:37 PM
Tiny
AL514
  • MECHANIC
  • 5,584 POSTS
I think I found a place that has the diagrams you need. Does this car have the steering wheel on the right side of the car? Right-Hand-Drive?
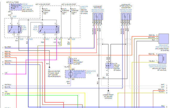
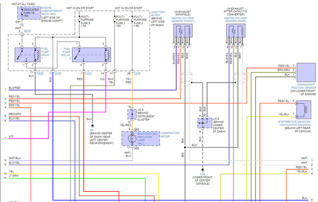
This diagram is from the 4G15 engine, does any of these wiring colors match? Hopefully you can see these okay, I had to edit them a lot because the print was so small, but the fuel injector wires are yellow/violet, yellow/red, yellow/green, blue, with a red power feed wire.
Was this
answer
helpful?
Yes
No
Sunday, March 13th, 2022 AT 8:53 AM
Tiny
MARRIECHE2000
  • MEMBER
  • 7 POSTS
My car is left side pilot, I am From Venezuela, South America, I will review the color and I will let you Know, the progress. Thanks in advance.
Was this
answer
helpful?
Yes
No
Sunday, March 13th, 2022 AT 6:22 PM
Tiny
AL514
  • MECHANIC
  • 5,584 POSTS
Okay, let us know. I can more of those wiring diagrams, they're a little different from the others, but it's better than not having any at all.
Was this
answer
helpful?
Yes
No
Monday, March 14th, 2022 AT 7:36 AM
Tiny
MARRIECHE2000
  • MEMBER
  • 7 POSTS
Hi, I just Checked the color wire for injector, and I found the following:

red, yellow/yellow green
red, yellow/yellow black
red, yellow/yellow blue
red, yellow/green white

The color does not match but as you say, it is better than nothing, please send those, I will use them, the 4G15.
Thanks for your time, Miguel
Was this
answer
helpful?
Yes
No
Monday, March 14th, 2022 AT 1:51 PM
Tiny
AL514
  • MECHANIC
  • 5,584 POSTS
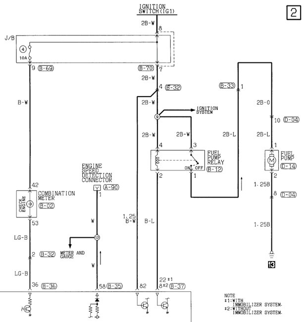
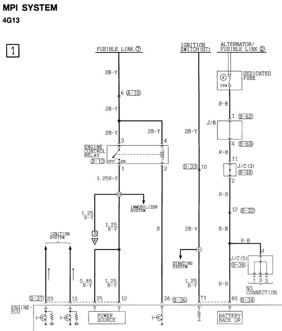
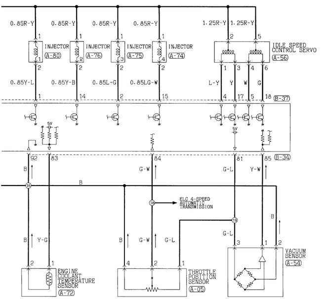
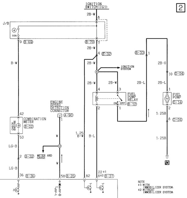
Okay, here are the four pages for the 4G15, if I come across the 4G13 I'll post them right away for you. I couldn't find any with fuel injector feed wires that were red/yellow.

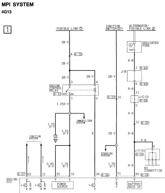
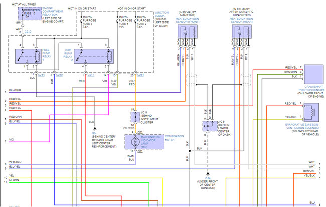
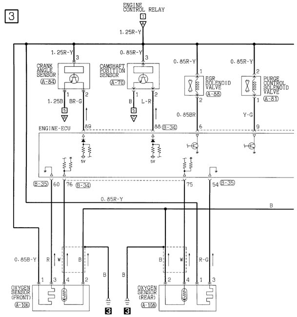
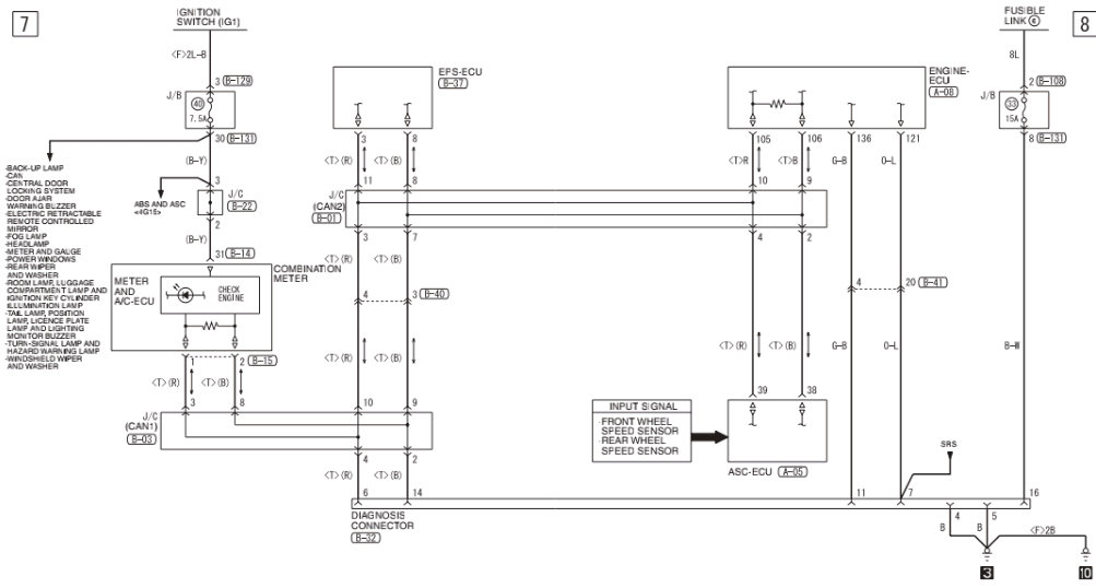
Okay, good news. I just found the 4G13 with the correct fuel injectors wiring colors. Give me a few minutes to upload them.

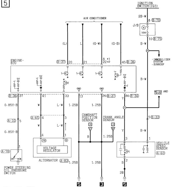
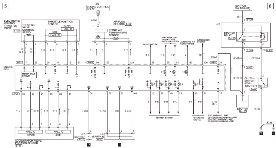
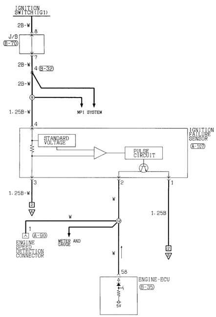
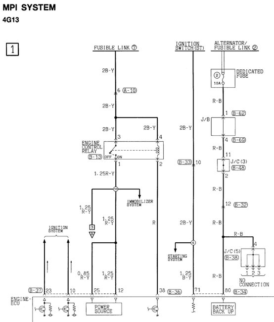
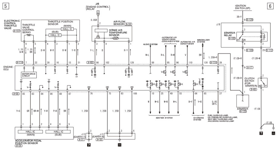
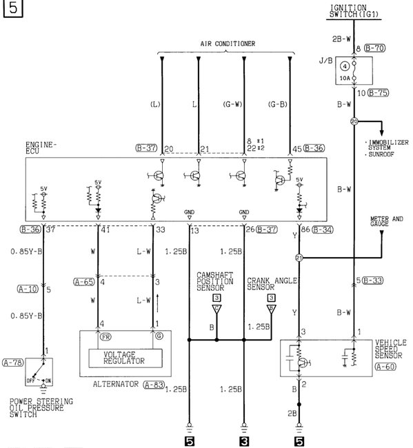
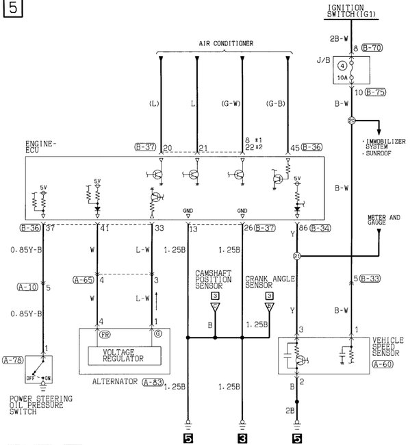
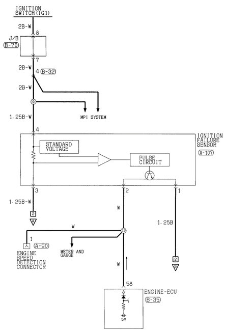
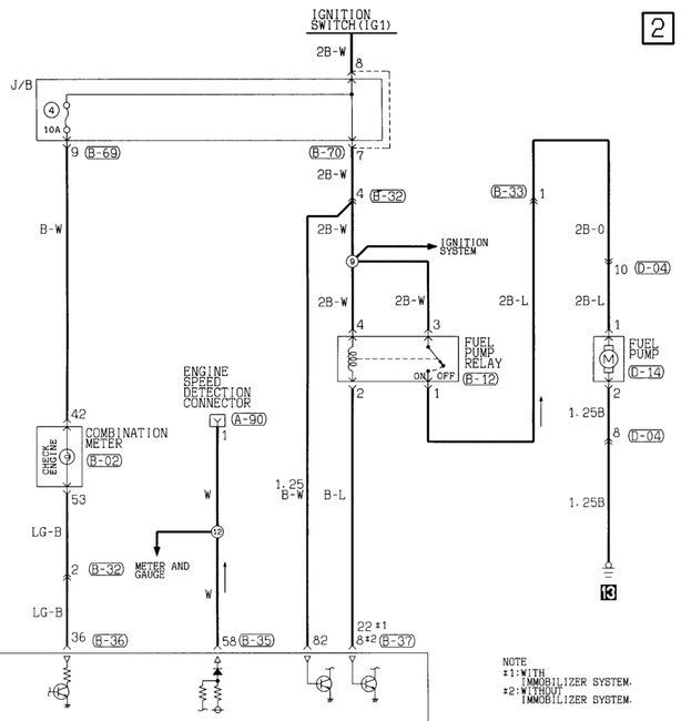
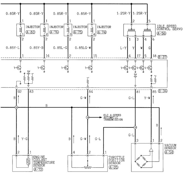
The first four diagrams are incorrect, it wouldn't allow me to erase them, so 5-8 are for the 4G13 engine 1.3Liter.
Was this
answer
helpful?
Yes
No
+1
Monday, March 14th, 2022 AT 2:42 PM
Tiny
MARRIECHE2000
  • MEMBER
  • 7 POSTS
Hi Sr, thanks for your time and considerations, this informational is helpful.
Was this
answer
helpful?
Yes
No
Tuesday, March 15th, 2022 AT 2:52 PM
Tiny
AL514
  • MECHANIC
  • 5,584 POSTS
Glad to help, those were the correct diagrams I assume? It was definitely a difficult engine to find information on.
Was this
answer
helpful?
Yes
No
Tuesday, March 15th, 2022 AT 3:03 PM
Tiny
MARRIECHE2000
  • MEMBER
  • 7 POSTS
Yes sr, I am still working on it, so far so good, if something wrong call my attention I will let you know. Regards
Was this
answer
helpful?
Yes
No
Tuesday, March 15th, 2022 AT 3:08 PM

Please login or register to post a reply.

Related General Content