Jul 31, 2022 at 10:39 AM
Codes P043E, P043F, P2401, P2402, and P2419
2012 TOYOTA RAV4
Repair Safety Notice:
This information is for general instructional purposes only. Vehicle repair can be dangerous.
Verify all information, follow manufacturer service procedures, use proper tools and safety equipment,
and consult a qualified repair shop when needed.
Advertisement
Have you replaced any parts since last month's post? Some of your live data looks strange. On the first recording at around 4:19 the engine RPM goes to around 480 and most sensors are reading negative. And your MPG is up to 20, so what's changed? No codes stored.
Jul 31, 2022 at 2:24 PM
Advertisement
Yes, I have replaced EVAP filter and EVAP purge hose.
And isolated the borders of the EVAP pump by using silicon.
And isolated the borders of the EVAP pump by using silicon.
Jul 31, 2022 at 3:52 PM
But you didn't replace the Evap Canister assembly? I ran some of your data numbers through the Volumetric Efficiency calculator and they came up somewhat low. Does it feel somewhat sluggish? It might be something you don't notice since you have been driving it like this for so long.
Jul 31, 2022 at 4:19 PM
Have you replaced the Canister assembly yet? These are your 4 possibilities for the 4 codes youre getting. The only thing left you can do is check the wiring from the ecm all the way to the Canister by measuring with a multimeter from the ecm connector to the Canister connector to see if theres any open circuits or high resistance. The rest of the testing needs to be done with a high end scan tool that will tell the ecm to run through the entire check procedure. Which takes 18minutes for the self test to run.
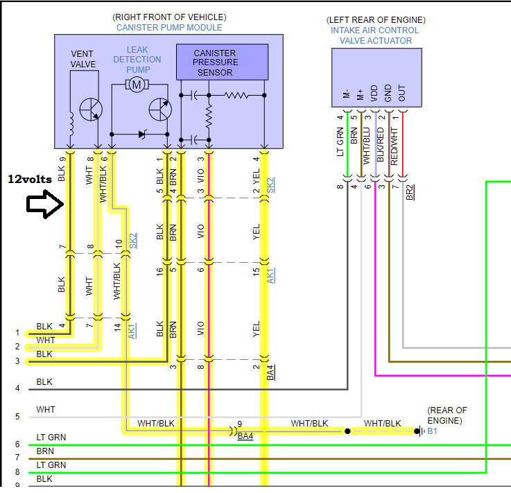
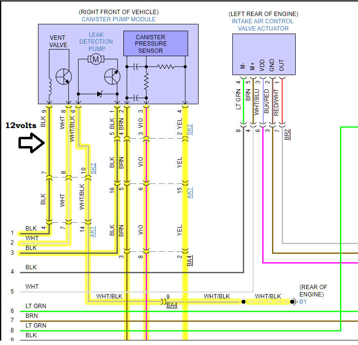
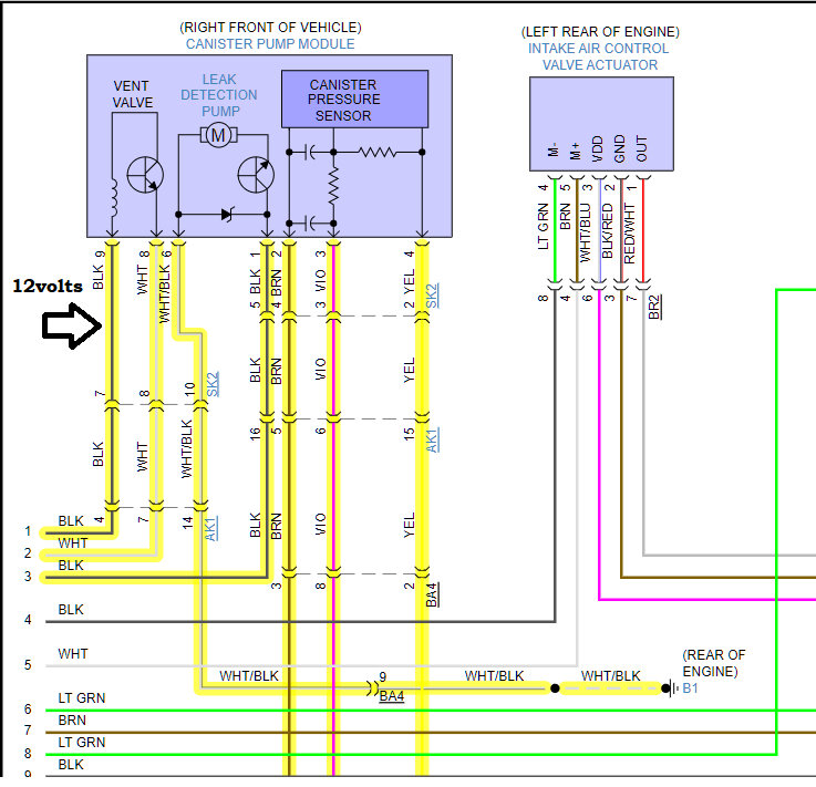
Below is the oem diagram from Toyota for the Evap Canister assembly. The green markers are where a voltage reading would be, the yellow are Ground marks and the Blue is a Signal from the canister pressure sensor. But this system only turns on when certain conditions are met and there is no way for you to know when it will run a self test and or run the evap system.
Below is the oem diagram from Toyota for the Evap Canister assembly. The green markers are where a voltage reading would be, the yellow are Ground marks and the Blue is a Signal from the canister pressure sensor. But this system only turns on when certain conditions are met and there is no way for you to know when it will run a self test and or run the evap system.
Aug 1, 2022 at 12:20 PM
yes, i feel it is somewhat sluggish and quiet.
Aug 1, 2022 at 1:23 PM
No, I didn't replace the EVAP assembly.
Aug 1, 2022 at 1:25 PM
Why does your live data keep dropping on the RPM to 480 quite a bit? Are you having some type of stalling issue? The Volumetric Efficiency test I ran with the numbers from your live data suggests the Catalytic Converter may not be in good shape. 51% and 60% are not good numbers, this is because of the positive fuel trim numbers reaching over 10%. Along with all the codes you're getting, the fact that you were smelling gas inside the vehicle means you either have a gas leak somewhere or you have cylinders misfiring and making this whole situation worse. If the Catalytic Converter cannot allow 100% of the exhaust to escape the engine, it cannot take in 100% fresh air, and the result is misfiring cylinders. Misfires allow more unburned fuel down the exhaust, this causes the Converter to overheat, and the cycle continues. And we really don't know what action the ECM takes when there are four codes for the Evap system, we don't know if it disables the system or runs in some default strategy.
The vehicles running condition is only going to get worse, until it doesn't start one day. You've had the same codes for months now.
The vehicles running condition is only going to get worse, until it doesn't start one day. You've had the same codes for months now.
Aug 1, 2022 at 2:27 PM
This is the way I pass every day back and forth these days there is a lot of heavy rain in our country We are in the state of Yemen, a developing country in the third world. We live in the most difficult conditions on earth. We do not have good infrastructure and no asphalted roads. So, I hope you understand my words. I have sent you videos about my homeland and I am embarrassed of those filthy views of our streets. The point of sending them to you is that I want to tell you that even if you change the Evap assembly, it will break down with these lakes of dirty water in our streets and I will lose a lot of money without benefit. Thank you
Aug 4, 2022 at 10:24 AM
Today scanning
Car Scanner ELM OBD2
DTC report
Selected brand: Toyota
VIN: 2T3BF4DV2CW234743
============1==============
P043E
Raw code: 043E
ECU: Engine control unit[Archive (inactive)]
Status: Permanent
OBDII: Evaporative emission (EVAP) leak detection reference orifice - low flow
============2==============
P043F
Raw code: 043F
ECU: Engine control unit[Archive (inactive)]
Status: Permanent
OBDII: Evaporative emission (EVAP) leak detection system reference orifice - excessive flow detected
============3==============
P2401
Raw code: 2401
ECU: Engine control unit[Archive (inactive)]
Status: Permanent
OBDII: Evaporative emission (EVAP) leak detection pump, control - circuit low
============4==============
P2402
Raw code: 2402
ECU: Engine control unit[Archive (inactive)]
Status: Permanent
OBDII: Evaporative emission (EVAP) leak detection pump, control - circuit high
Car Scanner ELM OBD2
DTC report
Selected brand: Toyota
VIN: 2T3BF4DV2CW234743
============1==============
P043E
Raw code: 043E
ECU: Engine control unit[Archive (inactive)]
Status: Permanent
OBDII: Evaporative emission (EVAP) leak detection reference orifice - low flow
============2==============
P043F
Raw code: 043F
ECU: Engine control unit[Archive (inactive)]
Status: Permanent
OBDII: Evaporative emission (EVAP) leak detection system reference orifice - excessive flow detected
============3==============
P2401
Raw code: 2401
ECU: Engine control unit[Archive (inactive)]
Status: Permanent
OBDII: Evaporative emission (EVAP) leak detection pump, control - circuit low
============4==============
P2402
Raw code: 2402
ECU: Engine control unit[Archive (inactive)]
Status: Permanent
OBDII: Evaporative emission (EVAP) leak detection pump, control - circuit high
Aug 4, 2022 at 10:28 AM
I understand what you are saying, I could tell from the video you were in a different country. Its just that there is no trick when it comes to a failed component. The issue really is where the Evap assembly is located. being under the vehicle like it is. Its reading historic codes at this point, so if the ecm is not seeing the issue any longer, the codes will disappear after a number of key starts. Are you able to graph any of the data pids with that scan tool app? I noticed in your last live data video that the oxygen sensor Bank 2 sensor 1 voltage was not responding much, take a look and see what the other Oxygen sensors voltage is doing. The readiness monitors for the oxygen sensors has not passed or the oxygen sensors heater has not passed either. Knowing the conditions of the roads there now, corroded connectors would be a major concern. Check all of the oxygen sensor connectors under the vehicle. The Oxygen sensor heater circuits should have no problem passing the readiness monitors. If the heaters are not working the oxygen sensors will not function and will cause an overly rich or lean condition. Im assuming you do not have emissions inspections in your country? If you dont, you can just gut out the Catalytic Converter if it as melted down due to fuel issues.
In some of your videos the fuel trim numbers were going over Positive 10%. That means the engine computer was adding 10% to the air fuel mixture and this can cause the Catalytic Converter to over heat and melt the substrate,. If you unbolt the front of the Converter and look in and see that it is melted down partially. Its restricting the exhaust causing your lack of power. the 1st picture is a basically good looking converter looking at it at the inlet. The 2nd picture is a Converter that has melted down and is now clogging up the exhaust. If you have no emissions regulations where you live and find that your Catalytic Converter looks like the 2nd picture, break up the substrate and take it out. This is most likely what is causing the results on the VE test I showed you, where is was only at 50 to 60% test results. Thats the engines ability to breath, to take in air and to allow exhaust out.. Inspect the oxygen sensor wiring too. There will be 2 wires that are the same color on the oxygen sensor connector, those are the heater circuit wires. The feed 12 volts to the oxygen sensor to heat them up.
These are some things you can considering the conditions of the roads there. Im sorry I cant be more help, its difficult to trick a computer if there is a failed component. But checking the Converter will atleast tell you if thats causing the lack of power youre experiencing.
In some of your videos the fuel trim numbers were going over Positive 10%. That means the engine computer was adding 10% to the air fuel mixture and this can cause the Catalytic Converter to over heat and melt the substrate,. If you unbolt the front of the Converter and look in and see that it is melted down partially. Its restricting the exhaust causing your lack of power. the 1st picture is a basically good looking converter looking at it at the inlet. The 2nd picture is a Converter that has melted down and is now clogging up the exhaust. If you have no emissions regulations where you live and find that your Catalytic Converter looks like the 2nd picture, break up the substrate and take it out. This is most likely what is causing the results on the VE test I showed you, where is was only at 50 to 60% test results. Thats the engines ability to breath, to take in air and to allow exhaust out.. Inspect the oxygen sensor wiring too. There will be 2 wires that are the same color on the oxygen sensor connector, those are the heater circuit wires. The feed 12 volts to the oxygen sensor to heat them up.
These are some things you can considering the conditions of the roads there. Im sorry I cant be more help, its difficult to trick a computer if there is a failed component. But checking the Converter will atleast tell you if thats causing the lack of power youre experiencing.
Aug 4, 2022 at 12:43 PM
This picture at the same day when I changed the evap.
Jan 4, 2023 at 7:55 AM
Hello, it has been a while, did you have success with the repair?
Jan 4, 2023 at 10:29 AM
Hello.
I'm comeback again.
I have changed a new evap assembly for my vehicle.
All code have dissappear. And fuel consumption gauge have raised to 26 mpg for only one day and it then decreases to 15 mpg .
I need your help to know what's the problems in my vehicle.
Thank you so much .
I'm comeback again.
I have changed a new evap assembly for my vehicle.
All code have dissappear. And fuel consumption gauge have raised to 26 mpg for only one day and it then decreases to 15 mpg .
I need your help to know what's the problems in my vehicle.
Thank you so much .
May 27, 2023 at 12:06 PM
Hello .
I'm comeback again.
I have changed a new evap assembly for my vehicle.
All code have dissappear. And fuel consumption gauge have raised to 26 mpg for only one day and it then decreases to 15 mpg .
I need your help to know what's the problems in my vehicle.
Thank you so much .
I'm comeback again.
I have changed a new evap assembly for my vehicle.
All code have dissappear. And fuel consumption gauge have raised to 26 mpg for only one day and it then decreases to 15 mpg .
I need your help to know what's the problems in my vehicle.
Thank you so much .
May 27, 2023 at 12:13 PM
This data is just at an idle not even moving, I see 1 DTC at the top, what code is it?
The Calculated Load is very high for idle, 57.25%. The Barometric pressure is 78 kPA which is around 11psi that doesnt look right. And the biggest worry is the Catalytic Converter temperatures, 800 degrees F at the inlet and 480 degrees at the outlet.
As well as the OBD2 voltage reading there is low, 12.3-12.7, but that might just be a Toyota charging strategy at idle.
But the Calculated Load almost looks like the Catalytic Converter might be failing. Is the vehicle sluggish when taking off? The Calculated load should not be that high just sitting at an idle. I saw a couple places where the Mass air flow sensor was reading low, but would jump back up.
Let me know if there is a code stored, the proper way to test the Catalytic Converter is to remove the front Oxygen sensor, and do a back pressure test at the Oxygen sensor hole. Remember that the Evap system was not working correctly for awhile, and a rich running engine is what causes Converters to fail. If those temperature readings are correct, 800 degrees at the inlet and 480 at the outlet is way off.
But doing a back pressure test at the front oxygen sensor hole with a vacuum gauge that can read some positive pressure, (most can read up to 10psi for positive pressure). and taking a reading with the vehicle idling, and then rev it up to 2000rpm. You should have no more than 1-2psi at max for a back pressure test. Really there should be almost no back pressure. But I think youre going to find a high reading, The guide below will help with testing.
Just dont stick the rubber section of the vacuum gauge into the exhaust and melt it. Try to put some kind of adapter on there that wont melt, and you only need to get a quick reading.
If you start the vehicle, stick the vacuum gauge on there for a second and its reading a few psi, rev it up real quick, see what it reads and youre done with the test, I have heard of people sticking the rubber adapter of a vacuum gauge into the exhaust hole and it melts the vacuum gauge and adapters, dont do that.
Here is a diagram of the exhaust manifold below with the location of the front Oxygen sensor(Air Fuel Ratio Sensor).
https://www.2carpros.com/articles/how-to-test-a-catalytic-converter
The Calculated Load is very high for idle, 57.25%. The Barometric pressure is 78 kPA which is around 11psi that doesnt look right. And the biggest worry is the Catalytic Converter temperatures, 800 degrees F at the inlet and 480 degrees at the outlet.
As well as the OBD2 voltage reading there is low, 12.3-12.7, but that might just be a Toyota charging strategy at idle.
But the Calculated Load almost looks like the Catalytic Converter might be failing. Is the vehicle sluggish when taking off? The Calculated load should not be that high just sitting at an idle. I saw a couple places where the Mass air flow sensor was reading low, but would jump back up.
Let me know if there is a code stored, the proper way to test the Catalytic Converter is to remove the front Oxygen sensor, and do a back pressure test at the Oxygen sensor hole. Remember that the Evap system was not working correctly for awhile, and a rich running engine is what causes Converters to fail. If those temperature readings are correct, 800 degrees at the inlet and 480 at the outlet is way off.
But doing a back pressure test at the front oxygen sensor hole with a vacuum gauge that can read some positive pressure, (most can read up to 10psi for positive pressure). and taking a reading with the vehicle idling, and then rev it up to 2000rpm. You should have no more than 1-2psi at max for a back pressure test. Really there should be almost no back pressure. But I think youre going to find a high reading, The guide below will help with testing.
Just dont stick the rubber section of the vacuum gauge into the exhaust and melt it. Try to put some kind of adapter on there that wont melt, and you only need to get a quick reading.
If you start the vehicle, stick the vacuum gauge on there for a second and its reading a few psi, rev it up real quick, see what it reads and youre done with the test, I have heard of people sticking the rubber adapter of a vacuum gauge into the exhaust hole and it melts the vacuum gauge and adapters, dont do that.
Here is a diagram of the exhaust manifold below with the location of the front Oxygen sensor(Air Fuel Ratio Sensor).
https://www.2carpros.com/articles/how-to-test-a-catalytic-converter
May 27, 2023 at 4:04 PM
Okay, thank you .
May 28, 2023 at 1:04 AM
Okay, the numbers look pretty much the same as yesterday. At some points I noticed the Calculated Load reaching 97.25 percent. That was at about 2300rpm, MAF 32.82g/s.
Then another spot was at Calculated load of 91.76 percent at 3000 RPMs, 97 percent is extremely high, for 11mph (19km/h). Does the vehicle feel very sluggish, can you do a wide-open throttle run, such as getting on a highway and see what the highest RPM you can reach and then let off the gas. Not hold it at that highest RPM but just to see what you can reach and record the live data, rpm, MAF, Intake Air Temp. I can go through the data on your videos and find the highest rpm like I have been so far. But I would expect the vehicle to be very sluggish if these readings are correct. Not being in the vehicle with you, I can only go by the data numbers I see.
But having the Catalytic Converter back pressure tested is one of the first tests to do. Just because over the past year dealing with the Evap system not functioning correctly, it could have overwhelmed the Converter over that amount of time.
This is a Volumetric Efficiency test (VE test) with the numbers you had, and 3000rpm was the highest I saw, and the EST_VE is the results of that test, 51.47%. Thats technically how well the engine is breathing, taking in air and allowing exhaust out. It's possible the scan tool data is not entirely correct, but you did notice a low mpg, and is there a code stored in the engine computer?
At the top there, MIL ON DTC count: 1 (code stored),
Catalyst: Available/Not completed, Evap System: Not Completed.
So, the Readiness Monitors have not been able to pass the self-tests. For some reason the Evap has not either, but the Evap Monitor has to be certain conditions to run its self test. Most have to have a certain amount of gas in the tank, a certain amount of cold soak (off time) has to have gone by, things like that.
So, I'm more concerned with the Catalyst not being complete.
Then another spot was at Calculated load of 91.76 percent at 3000 RPMs, 97 percent is extremely high, for 11mph (19km/h). Does the vehicle feel very sluggish, can you do a wide-open throttle run, such as getting on a highway and see what the highest RPM you can reach and then let off the gas. Not hold it at that highest RPM but just to see what you can reach and record the live data, rpm, MAF, Intake Air Temp. I can go through the data on your videos and find the highest rpm like I have been so far. But I would expect the vehicle to be very sluggish if these readings are correct. Not being in the vehicle with you, I can only go by the data numbers I see.
But having the Catalytic Converter back pressure tested is one of the first tests to do. Just because over the past year dealing with the Evap system not functioning correctly, it could have overwhelmed the Converter over that amount of time.
This is a Volumetric Efficiency test (VE test) with the numbers you had, and 3000rpm was the highest I saw, and the EST_VE is the results of that test, 51.47%. Thats technically how well the engine is breathing, taking in air and allowing exhaust out. It's possible the scan tool data is not entirely correct, but you did notice a low mpg, and is there a code stored in the engine computer?
At the top there, MIL ON DTC count: 1 (code stored),
Catalyst: Available/Not completed, Evap System: Not Completed.
So, the Readiness Monitors have not been able to pass the self-tests. For some reason the Evap has not either, but the Evap Monitor has to be certain conditions to run its self test. Most have to have a certain amount of gas in the tank, a certain amount of cold soak (off time) has to have gone by, things like that.
So, I'm more concerned with the Catalyst not being complete.
May 28, 2023 at 1:04 PM
Car Scanner ELM OBD2
Version: 1.99.0/400990/GP
DTC report
Connection profile: Toyota OBD-II / EOBDDate: 5/29/2023 9:04:48 AM
VIN: 2T3BF4DV2CW234743
============================
OBD-IIOBD-II
DTCs: 2
----------------------------
P0137 [0x0137]
Heated oxygen sensor (HO2S) 2, bank 1 - low voltage
Oxygen Sensor Bank 1 Sensor 2 Low Voltage
Status: Confirmed
----------------------------
P1603 [0x1603]
EEPROM Malfunction
Status: Confirmed
============================
Engine control unit #1Engine control unit #1
DTCs: 2
----------------------------
P0137 [0x0137]
Heated oxygen sensor (HO2S) 2, bank 1 - low voltage
Oxygen Sensor Bank 1 Sensor 2 Low Voltage
Status: Confirmed
----------------------------
P1603 [0x1603]
EEPROM Malfunction
Status: Confirmed
============================
ABS control unit #2
No DTC found.
============================
Steering (EMPS/EHPS/PPS)
No DTC found.
============================
4WD4WD
DTCs: 1
----------------------------
C1280 [0x5280]
Status: Confirmed
============================
Dashboard/Instrument cluster #1
No DTC found.
============================
Climate/Heater
No DTC found.
============================
BCM #1/Convenience systems
No DTC found.
============================
Electric window/Driver door
No DTC found.
============================
Accessory gateway
No DTC found.
============================
Accessory network gateway
No DTC found.
Version: 1.99.0/400990/GP
DTC report
Connection profile: Toyota OBD-II / EOBDDate: 5/29/2023 9:04:48 AM
VIN: 2T3BF4DV2CW234743
============================
OBD-IIOBD-II
DTCs: 2
----------------------------
P0137 [0x0137]
Heated oxygen sensor (HO2S) 2, bank 1 - low voltage
Oxygen Sensor Bank 1 Sensor 2 Low Voltage
Status: Confirmed
----------------------------
P1603 [0x1603]
EEPROM Malfunction
Status: Confirmed
============================
Engine control unit #1Engine control unit #1
DTCs: 2
----------------------------
P0137 [0x0137]
Heated oxygen sensor (HO2S) 2, bank 1 - low voltage
Oxygen Sensor Bank 1 Sensor 2 Low Voltage
Status: Confirmed
----------------------------
P1603 [0x1603]
EEPROM Malfunction
Status: Confirmed
============================
ABS control unit #2
No DTC found.
============================
Steering (EMPS/EHPS/PPS)
No DTC found.
============================
4WD4WD
DTCs: 1
----------------------------
C1280 [0x5280]
Status: Confirmed
============================
Dashboard/Instrument cluster #1
No DTC found.
============================
Climate/Heater
No DTC found.
============================
BCM #1/Convenience systems
No DTC found.
============================
Electric window/Driver door
No DTC found.
============================
Accessory gateway
No DTC found.
============================
Accessory network gateway
No DTC found.
May 29, 2023 at 3:43 AM
Has the vehicle shut off or stalled out on you recently? These EEPROM codes point to the engine stalling out without turning the key off. Or possibly an error in the engine computer (ECM). Now the C1280 can indicate an issue with the ECM as well, although its reading as a 4wd code, if communications are lost with the ECM this code can set.
As for the P0137 Oxygen sensor Bank 1 Sensor 2, this low voltage I did notice on your live data, but because we didn't know there was a code for it I ignored it at the time. I think you check some of the connectors in the engine compartment and make sure there are no loose connectors, but the Catalytic Converter issue I mentioned already can cause a low voltage on the rear Oxygen sensor because there is a lack of emissions coming through.
If the vehicle did stall out at any time, there are a huge list of things that can cause that, but I think you really need to have a back pressure test done to see if the Catalytic Converter has failed and is restricting the exhaust. If that is bad enough it can cause a stall out as well. EEPROM codes are not good, that is the memory inside the ECM, but I think these problems are related.
In most situations when there are multiple codes like this from different systems, there is a common denominator or main issue causing all the codes, I don't think you have a failing ECM, failing 4wd drive and failing Oxygen sensor all at once.
With the code setting criteria I'm going over, I can see how these can set together if the engine performance is not where it should be due to a failed Converter. Clear all the codes and see what comes back first. But you have to check the Converter.
As for the P0137 Oxygen sensor Bank 1 Sensor 2, this low voltage I did notice on your live data, but because we didn't know there was a code for it I ignored it at the time. I think you check some of the connectors in the engine compartment and make sure there are no loose connectors, but the Catalytic Converter issue I mentioned already can cause a low voltage on the rear Oxygen sensor because there is a lack of emissions coming through.
If the vehicle did stall out at any time, there are a huge list of things that can cause that, but I think you really need to have a back pressure test done to see if the Catalytic Converter has failed and is restricting the exhaust. If that is bad enough it can cause a stall out as well. EEPROM codes are not good, that is the memory inside the ECM, but I think these problems are related.
In most situations when there are multiple codes like this from different systems, there is a common denominator or main issue causing all the codes, I don't think you have a failing ECM, failing 4wd drive and failing Oxygen sensor all at once.
With the code setting criteria I'm going over, I can see how these can set together if the engine performance is not where it should be due to a failed Converter. Clear all the codes and see what comes back first. But you have to check the Converter.
May 29, 2023 at 11:40 AM


















